GM Service Manual Online
For 1990-2009 cars only
Makes
🢒
GMC_Truck
🢒
2007
🢒
Savana - AWD
🢒
Safety and Security
🢒
Remote Functions
🢒 Remote Function Schematics
Master Electrical Component List
Keyless Entry System Description and Operation
Control Module References
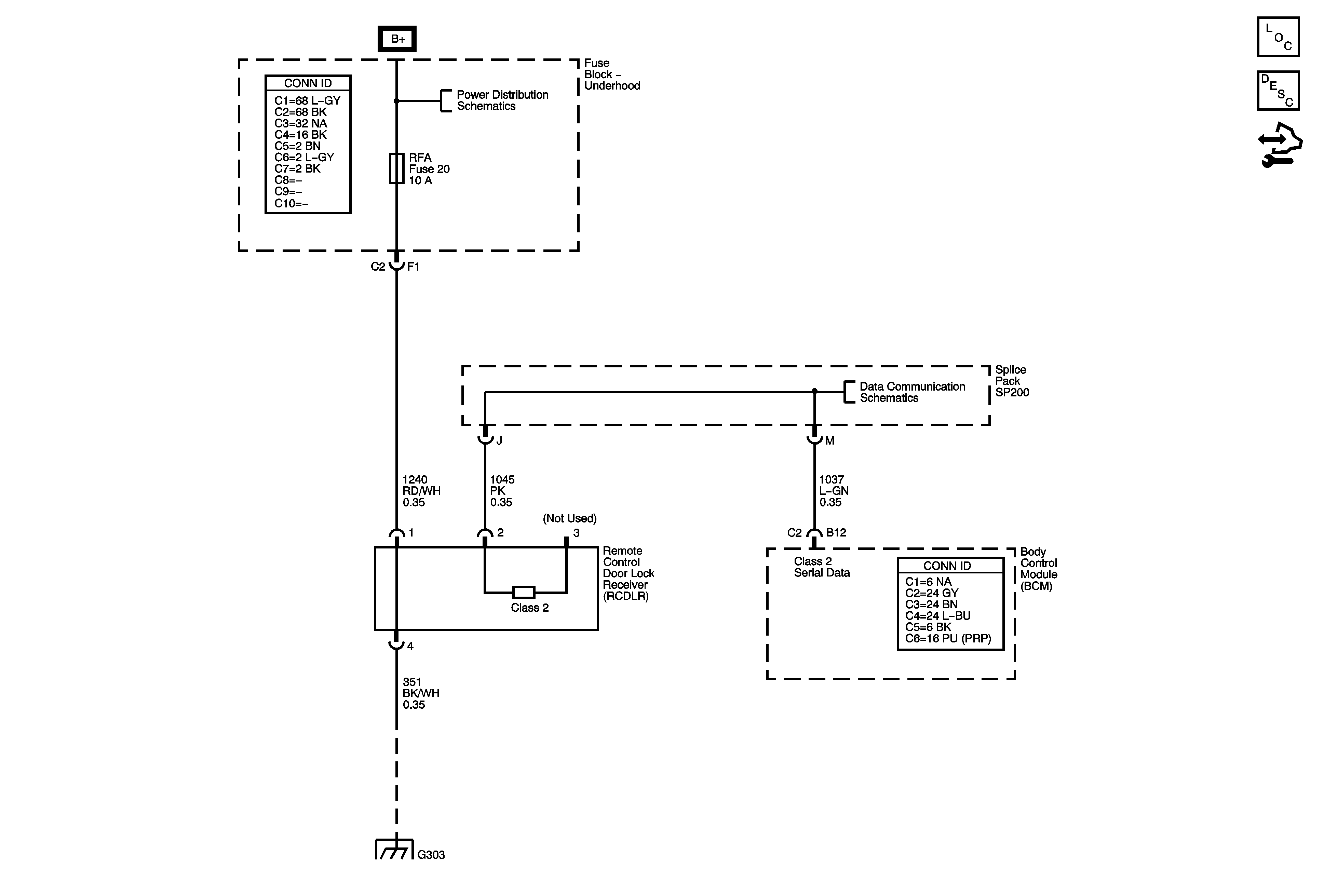
B+ Bus - Underhood Fuse Block - Gas
Power, Ground, DLC and Splice Pack SP200
G303