GM Service Manual Online
For 1990-2009 cars only
Makes
🢒
GMC_Truck
🢒
2008
🢒
Savana - AWD
🢒
Diagnostic Navigation
🢒
Vehicle Diagnostic Information
🢒 Instrument Cluster Schematics
Figure
1:
Power, Ground and Driver Information Switch
Master Electrical Component List
Instrument Cluster Description and Operation
Control Module References
Indicators
Figure
2:
Indicators
Master Electrical Component List
Indicator/Warning Message Description and Operation
Control Module References
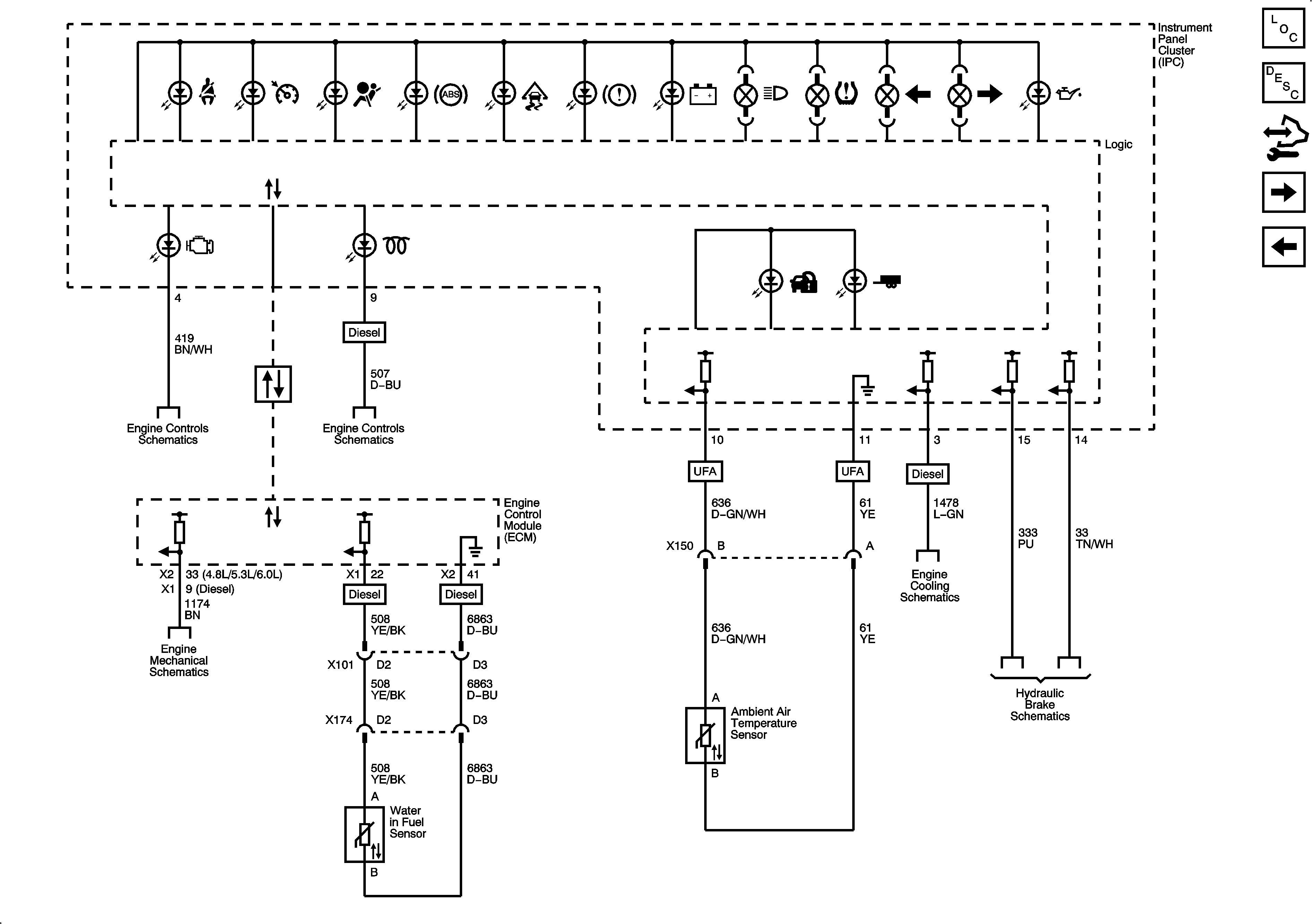
Gages
Power, Ground and Driver Information Switch
Figure
3:
Gages
Master Electrical Component List
Instrument Cluster Description and Operation
Control Module References
Indicators