GM Service Manual Online
For 1990-2009 cars only
Figure 1:

Inadvertant Lamp Control


Object Number: 1883962  Size: FS
Master Electrical Component List
Interior Lighting Systems Description and Operation
Control Module References
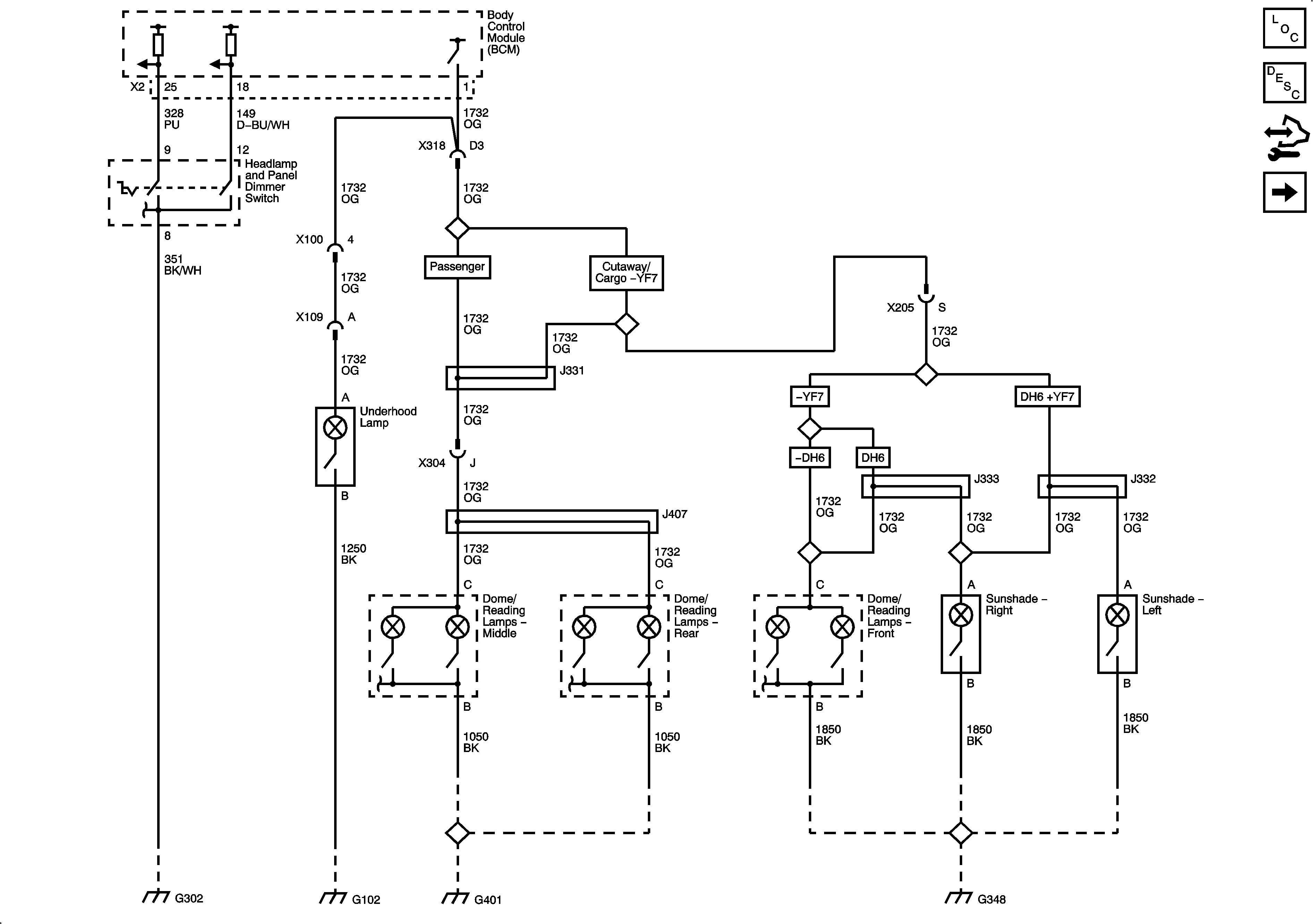
Courtesy Lamp Control
Figure 2:

Courtesy Lamp Control


Object Number: 1883965  Size: FS
Master Electrical Component List
Interior Lighting Systems Description and Operation
Control Module References
Dome Fluorescent Work Lamps (PRP with UF2)
Inadvertant Lamp Control
Figure 3:

Dome Fluorescent Work Lamps (PRP with UF2)


Object Number: 1883977  Size: FS
Master Electrical Component List
Interior Lighting Systems Description and Operation
Control Module References
Courtesy Lamp Control