GM Service Manual Online
For 1990-2009 cars only
Figure 1:

Module Power, Ground, Serial Data, Vehicle Rollover Sensor (ASF) and Disable Switch


Object Number: 1884026  Size: FS
Master Electrical Component List
SIR System Description and Operation
Control Module References
Driver and Passenger AIR BAG Modules
Figure 2:

Passenger Presence System Light Duty (without C99 without YF7)


Object Number: 1884030  Size: FS
Master Electrical Component List
SIR System Description and Operation
Control Module References
Inflatable Restraint Sensors
Driver and Passenger AIR BAG Modules
Figure 3:

Driver and Passenger AIR BAG Modules


Object Number: 1884028  Size: FS
Master Electrical Component List
SIR System Description and Operation
Control Module References
Passenger Presence System Light Duty (without C99 without YF7)
Module Power, Ground, Serial Data, Vehicle Rollover Sensor (ASF) and Disable Switch
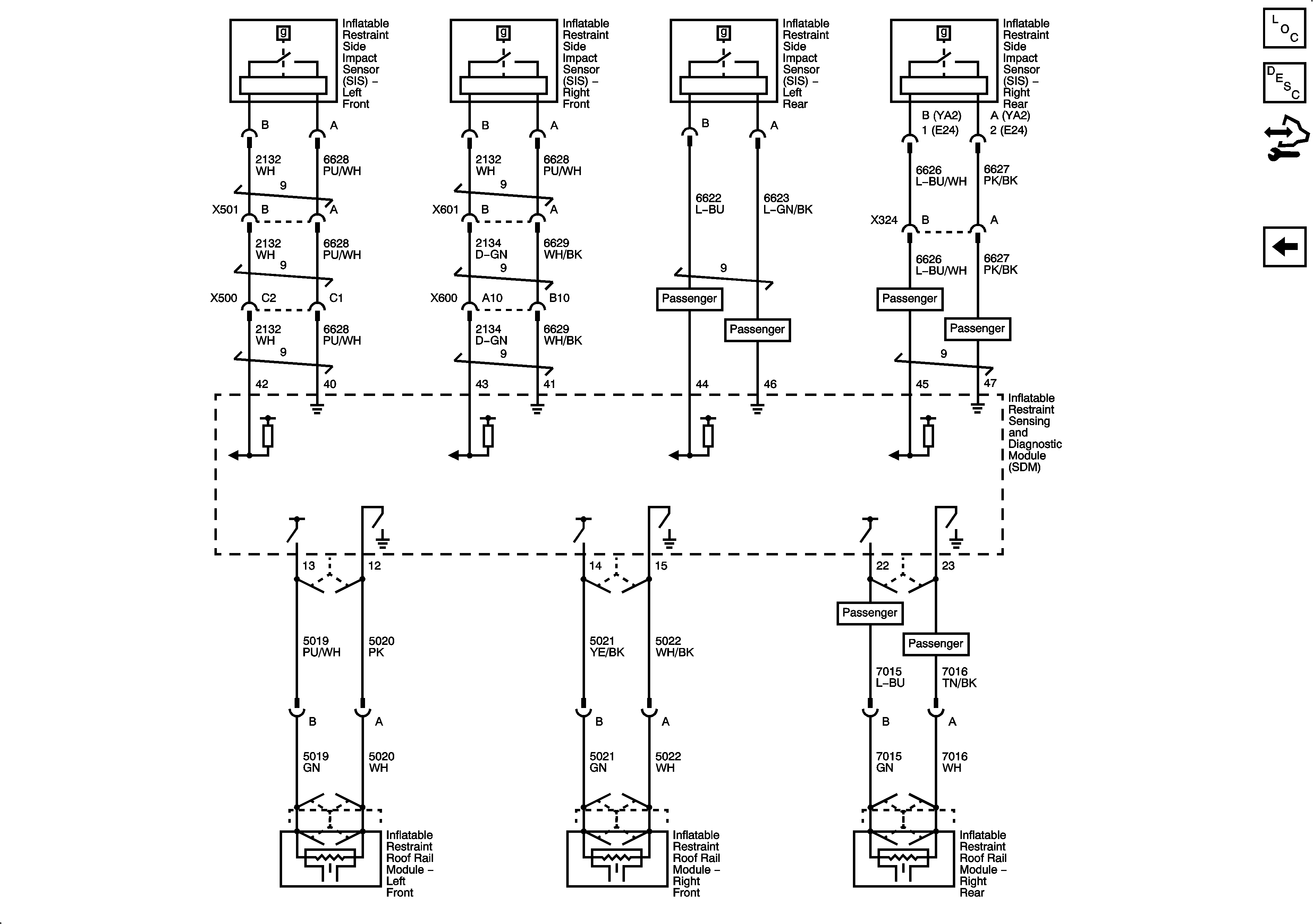
Figure 4:

Inflatable Restraint Sensors


Object Number: 1925520  Size: FS
Master Electrical Component List
SIR System Description and Operation
Control Module References
Inflatable Restraint Side Impact Sensors and Modules (ASF)
Passenger Presence System Light Duty (without C99 without YF7)
Figure 5:

Inflatable Restraint Side Impact Sensors and Modules (ASF)


Object Number: 1925573  Size: FS
Master Electrical Component List
SIR System Description and Operation
Control Module References
Inflatable Restraint Sensors