GM Service Manual Online
For 1990-2009 cars only
Makes
🢒
GMC_Truck
🢒
2007
🢒
Sierra Classic - 2WD
🢒
Driver Information and Entertainment
🢒
Cellular, Entertainment, and Navigation
🢒 Video System Schematics
Master Electrical Component List
Video Entertainment System Description and Operation
Control Module References
B+ Bus Bar
CIG LTR, EAP, INFO, and RVC Fuses
CIG LTR, EAP, INFO, and RVC Fuses
Splice Pack SP207
Entertainment/Communication Schematic Icons
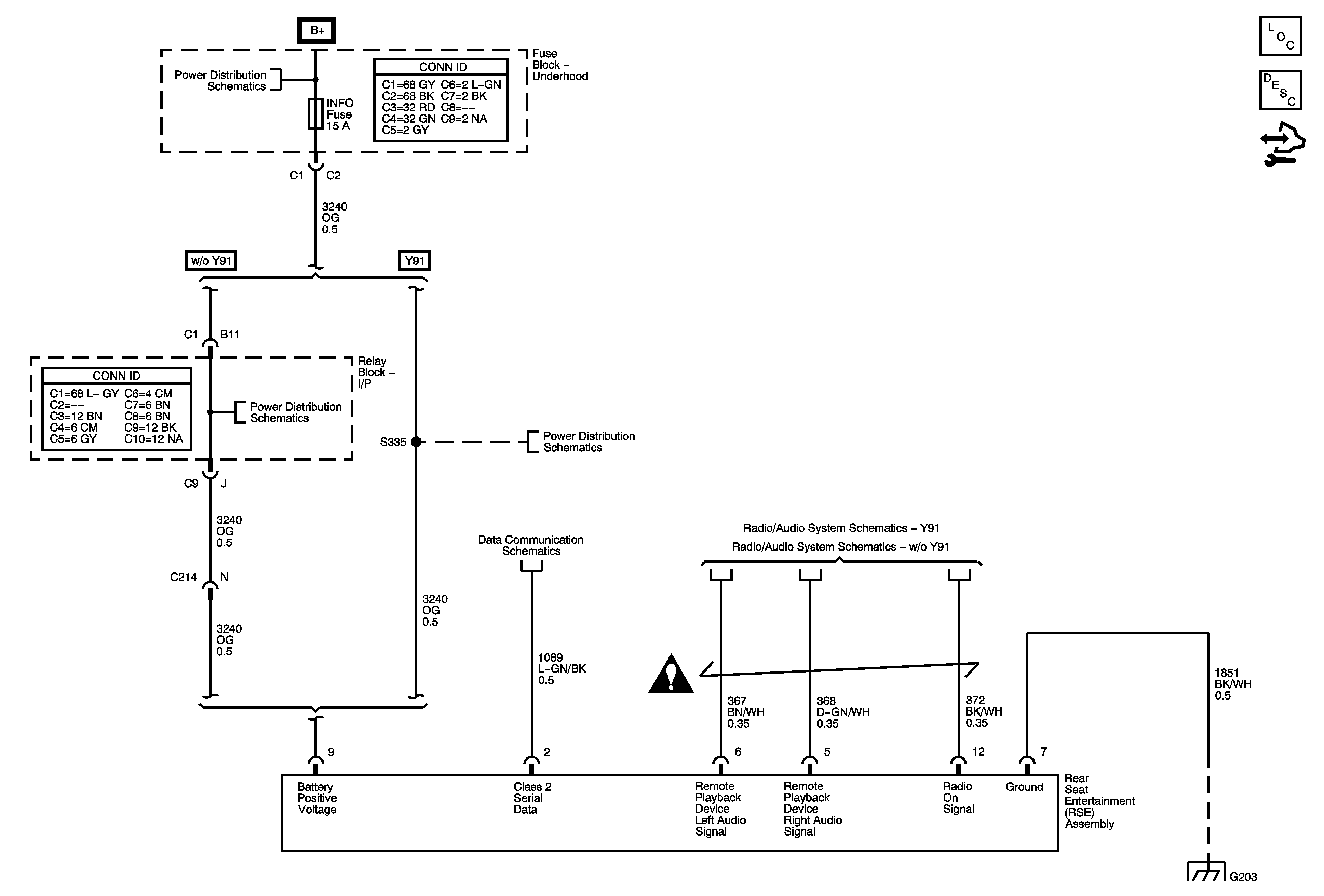
Rear Seat Entertainment (RSE) Assembly (U42)
Rear Seat Entertainment (RSE) Assembly (U42), Digital Radio Receiver (U2K), and Remote Playback Device - CD Player (U1S)
G203 - 1 of 2