GM Service Manual Online
For 1990-2009 cars only
Makes
🢒
GMC_Truck
🢒
2007
🢒
Sierra Classic - 2WD
🢒 LG5
LG5
LG5
Master Electrical Component List
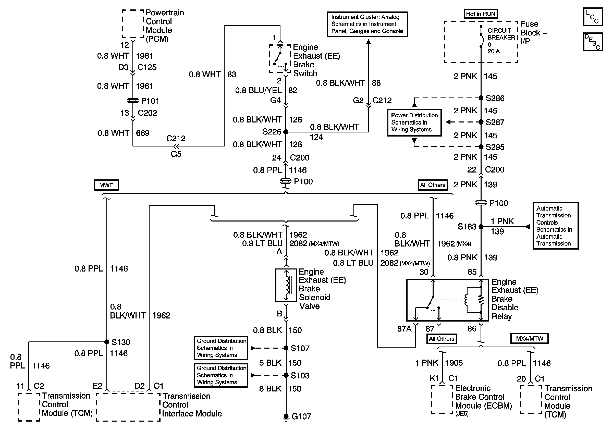
Exhaust System Description
Trailer ABS, Differential Lock, Fast Idle, Intake Heater, Exhaust Brake, Do Not Shift Lamps and Tachometer (LG5)
IP Fuse Block, Circuit Breaker 9 (1 of 3)
Transmission Control Module, Power and Ground
G107 Continued, S107
G107, S103