GM Service Manual Online
For 1990-2009 cars only
Makes
🢒
GMC_Truck
🢒
2007
🢒
Sierra Classic - 2WD
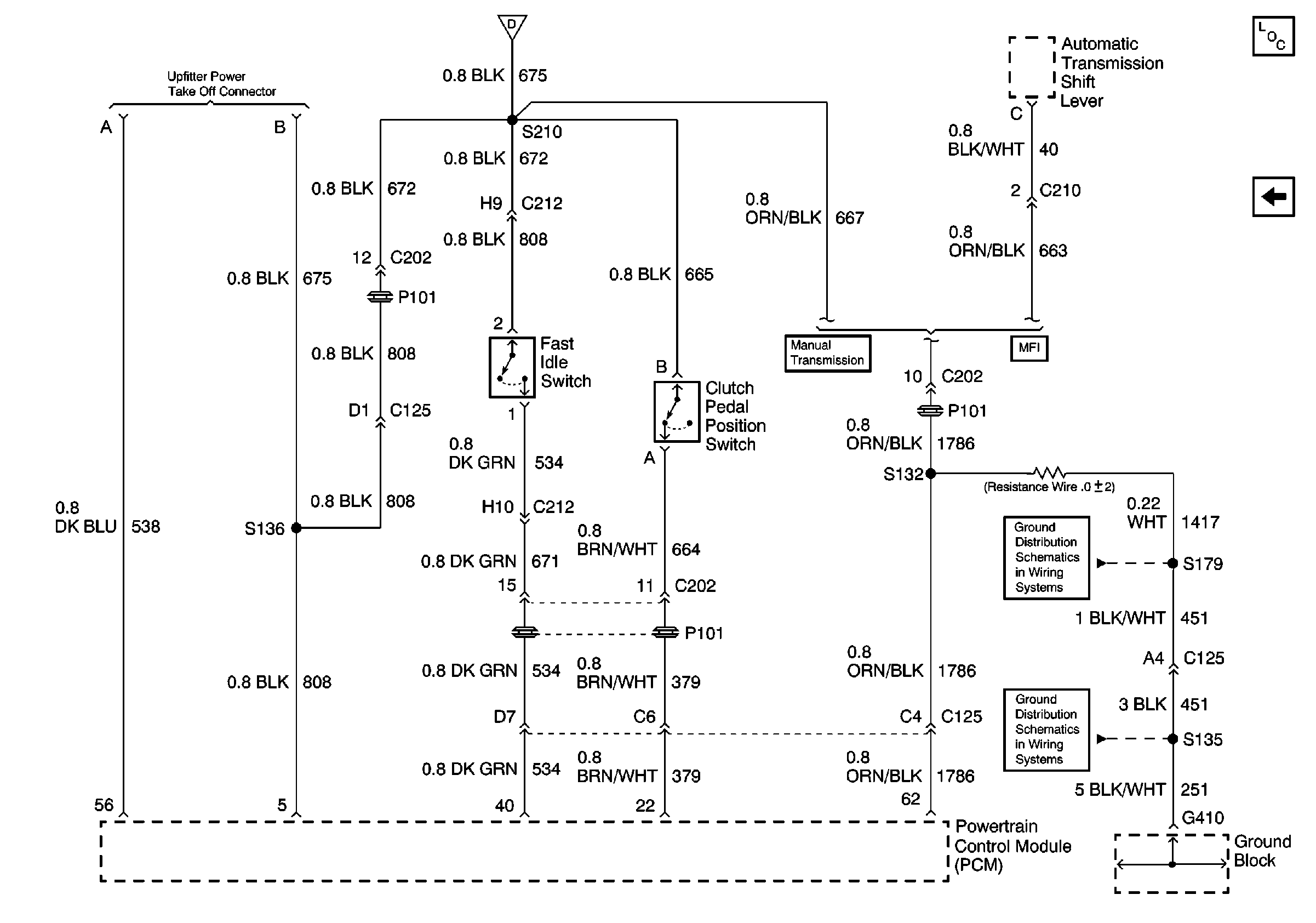
🢒 Fast Idle, Clutch Switch Inputs
Fast Idle, Clutch Switch Inputs
Fast Idle, Clutch Switch Inputs
Master Electrical Component List
Fuel Heater, PCM inputs
Throttle Position Sensor, Stoplamp Switch Inputs
G410, S135, S179, S407
G410, S135, S179, S407