GM Service Manual Online
For 1990-2009 cars only
Makes
🢒
GMC_Truck
🢒
2007
🢒
Sierra Classic - 2WD
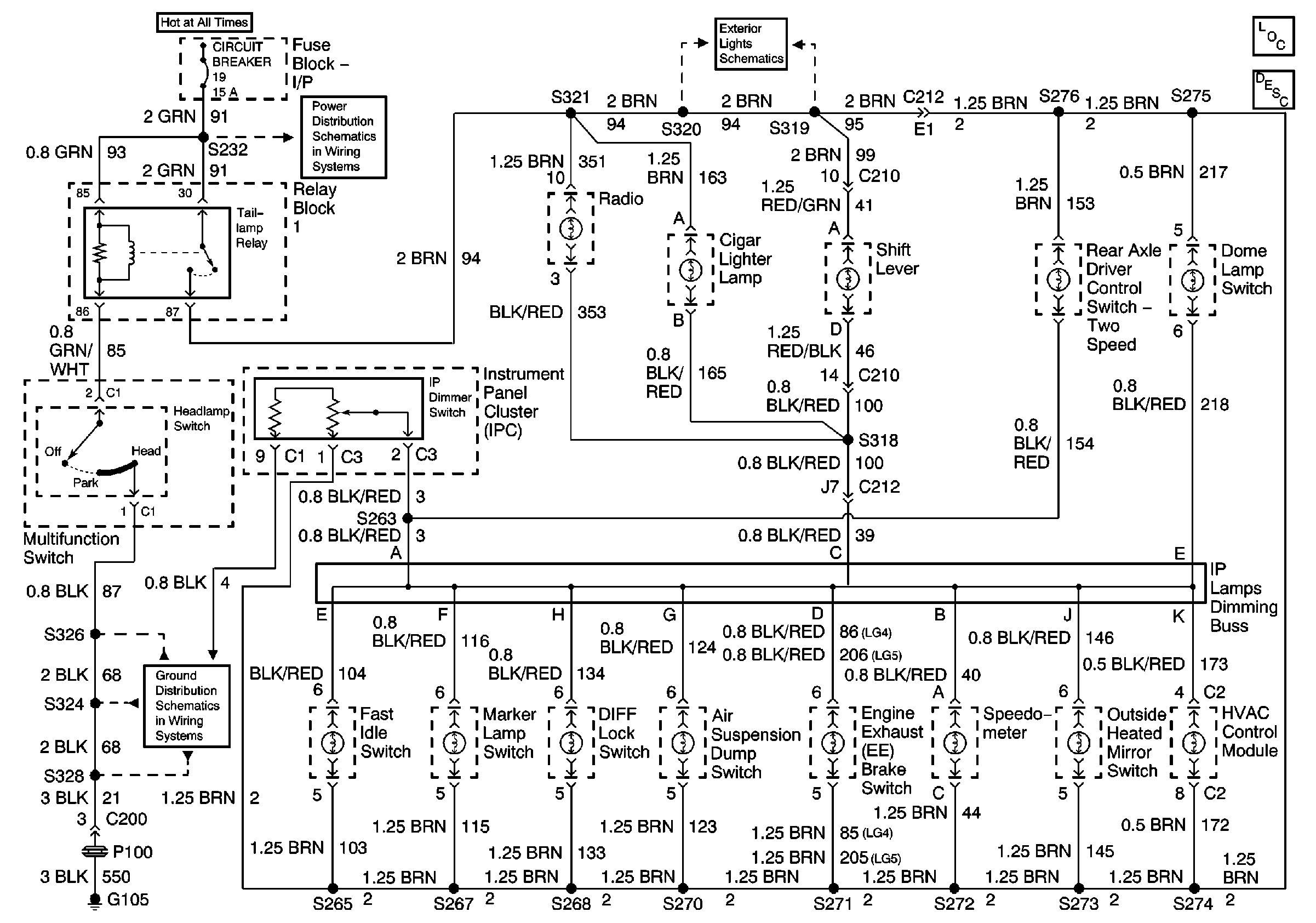
🢒 Interior Lights Dimming Schematic
Interior Lights Dimming Schematic
Master Electrical Component List
Interior Lighting Systems Description and Operation
Exterior Lamps Switch and Relays
IP Fuse Block, Circuit Breakers, 16, 18, 19
G105 Continued, S324, S326, S500