GM Service Manual Online
For 1990-2009 cars only
Makes
🢒
GMC_Truck
🢒
2007
🢒
Sierra Classic - 2WD
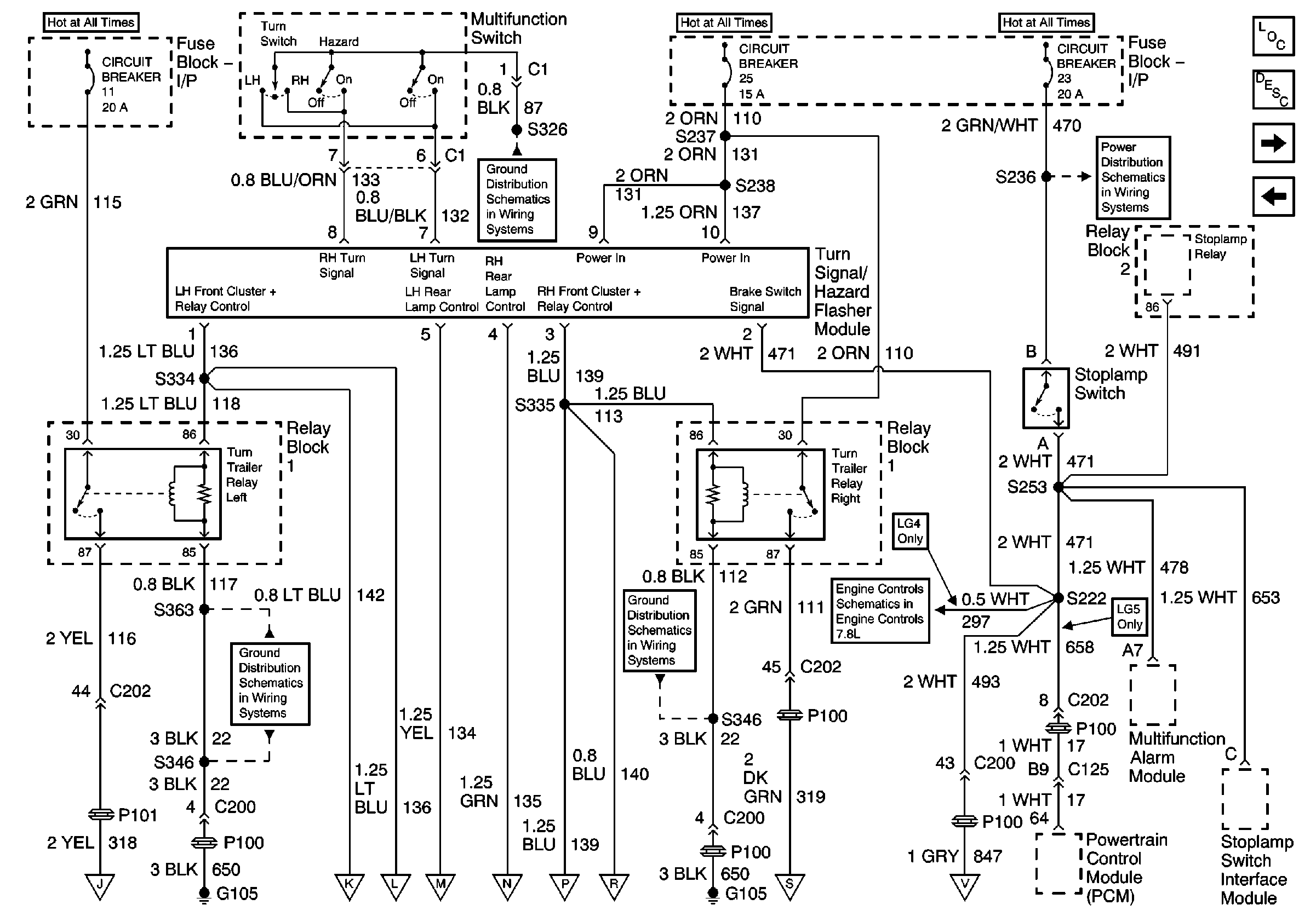
🢒 Hazard Flasher, Stop Lamps Switch-JE3
Hazard Flasher, Stop Lamps Switch-JE3
Hazard Flasher, Stop Lamps Switch-JE3
Master Electrical Component List
Exterior Lighting Systems Description and Operation
Front and Rear Lighting, IP Indicators
Hazard Flasher, Stop Lamps Switch-JE5
Trailer Wiring
Front and Rear Lighting, IP Indicators
Front and Rear Lighting, IP Indicators
Front and Rear Lighting, IP Indicators
Front and Rear Lighting, IP Indicators
Front and Rear Lighting, IP Indicators
Front and Rear Lighting, IP Indicators
Trailer Wiring
Trailer Stop Relay, ABS Relay
G105 Continued, S324, S326, S500
G105 Continued, S346, S347, S348, S363
G105 Continued, S346, S347, S348, S363
Stop Lamps Switches, ECM Engine Stop Relay, Glow Plugs
IP Fuse Block, Circuit Breakers 22, 23, 24, 25, 26