GM Service Manual Online
For 1990-2009 cars only
Makes
🢒
GMC_Truck
🢒
2007
🢒
Sierra Classic - 2WD
🢒 Starting
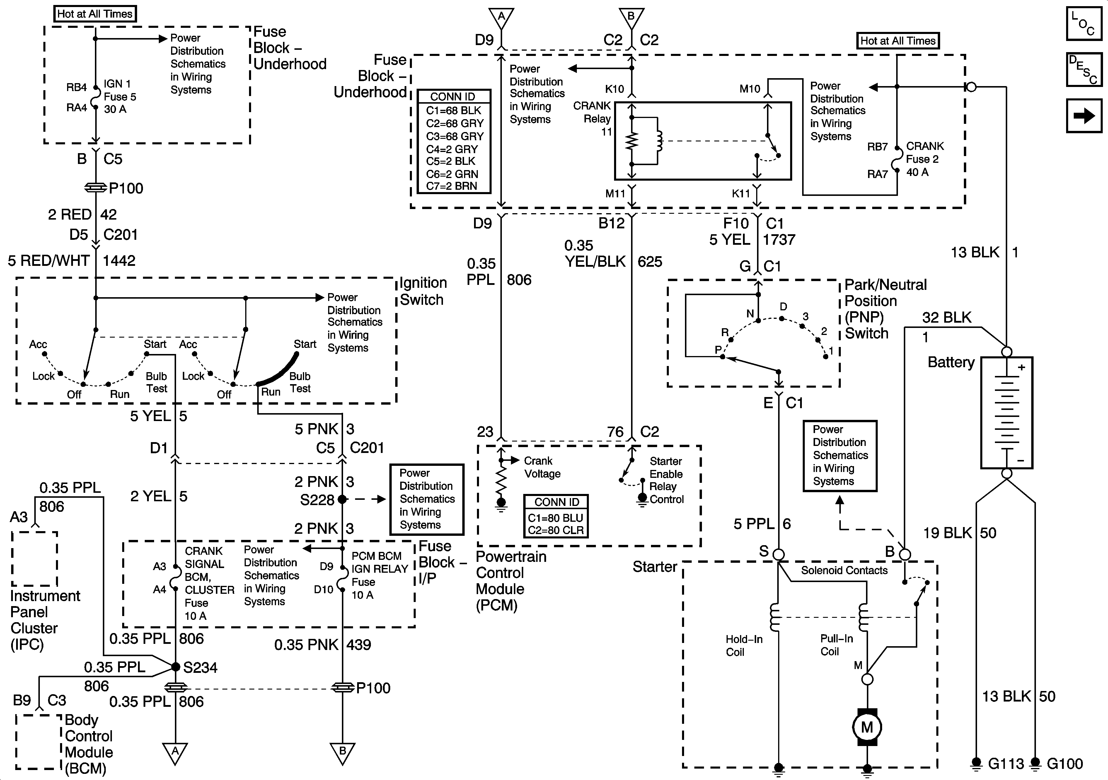
Starting
Starting
Master Electrical Component List
New Product Information
Charging
Fuse Block Underhood Power Bussing (Page 1 of 2)
PCM, BCM, Cluster, Turn, SDM
Fuse Block Underhood Power Bussing (Page 1 of 2)
Power Distribution Schematics (IGN 1)
Power Distribution Schematics (IGN 1)
Fuse Block Underhood Power Bussing (Page 1 of 2)
Power Distribution Schematics (IGN 1)