GM Service Manual Online
For 1990-2009 cars only
Makes
🢒
GMC_Truck
🢒
2007
🢒
Sierra Classic - 2WD
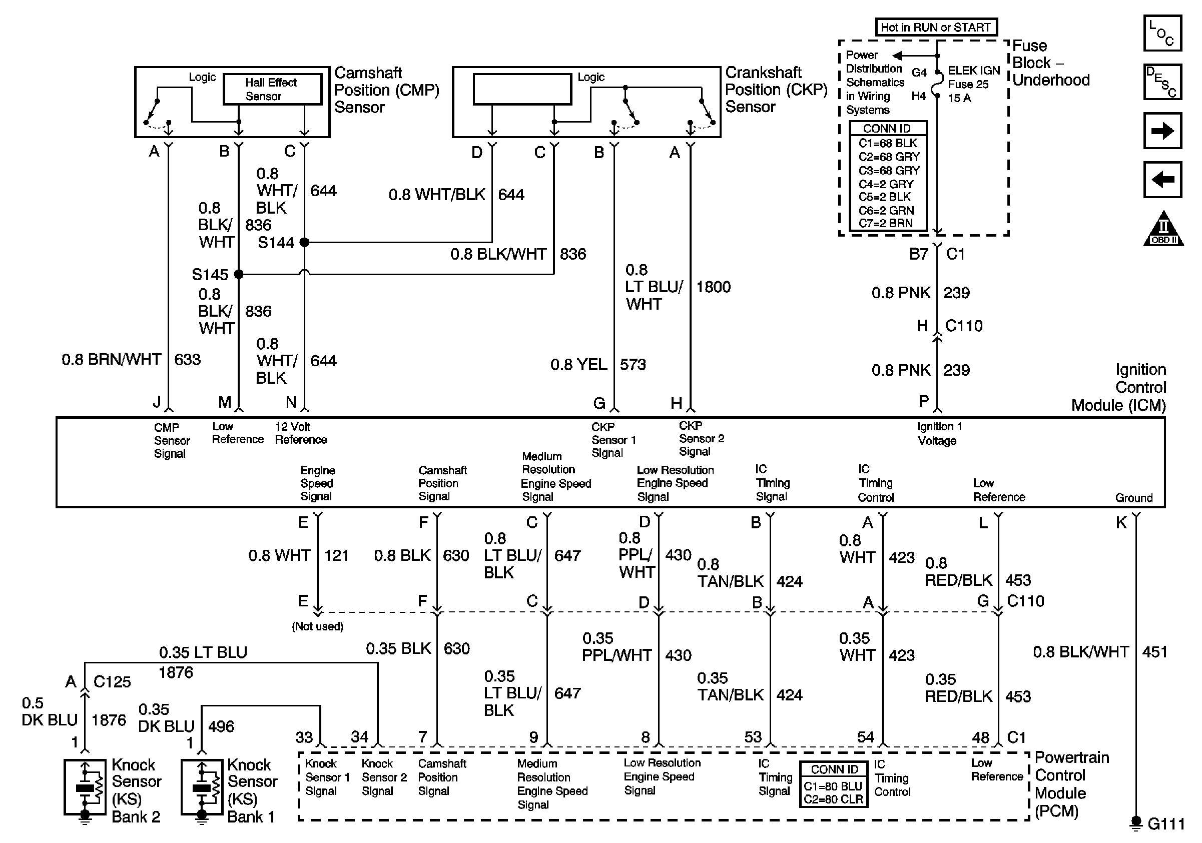
🢒 CMP,CKP,and KS Sensors
CMP,CKP,and KS Sensors
Ignition Controls
Master Electrical Component List
Electronic Ignition (EI) System Description
Fuel Pump Controls
HO2S Sensors
OBD II Symbol Description Notice
Fuse Block Underhood Power Bussing (Page 1 of 2)