GM Service Manual Online
For 1990-2009 cars only
Makes
🢒
GMC_Truck
🢒
2007
🢒
Sierra Classic - 2WD
🢒 Lighting, Power Windows
Lighting, Power Windows
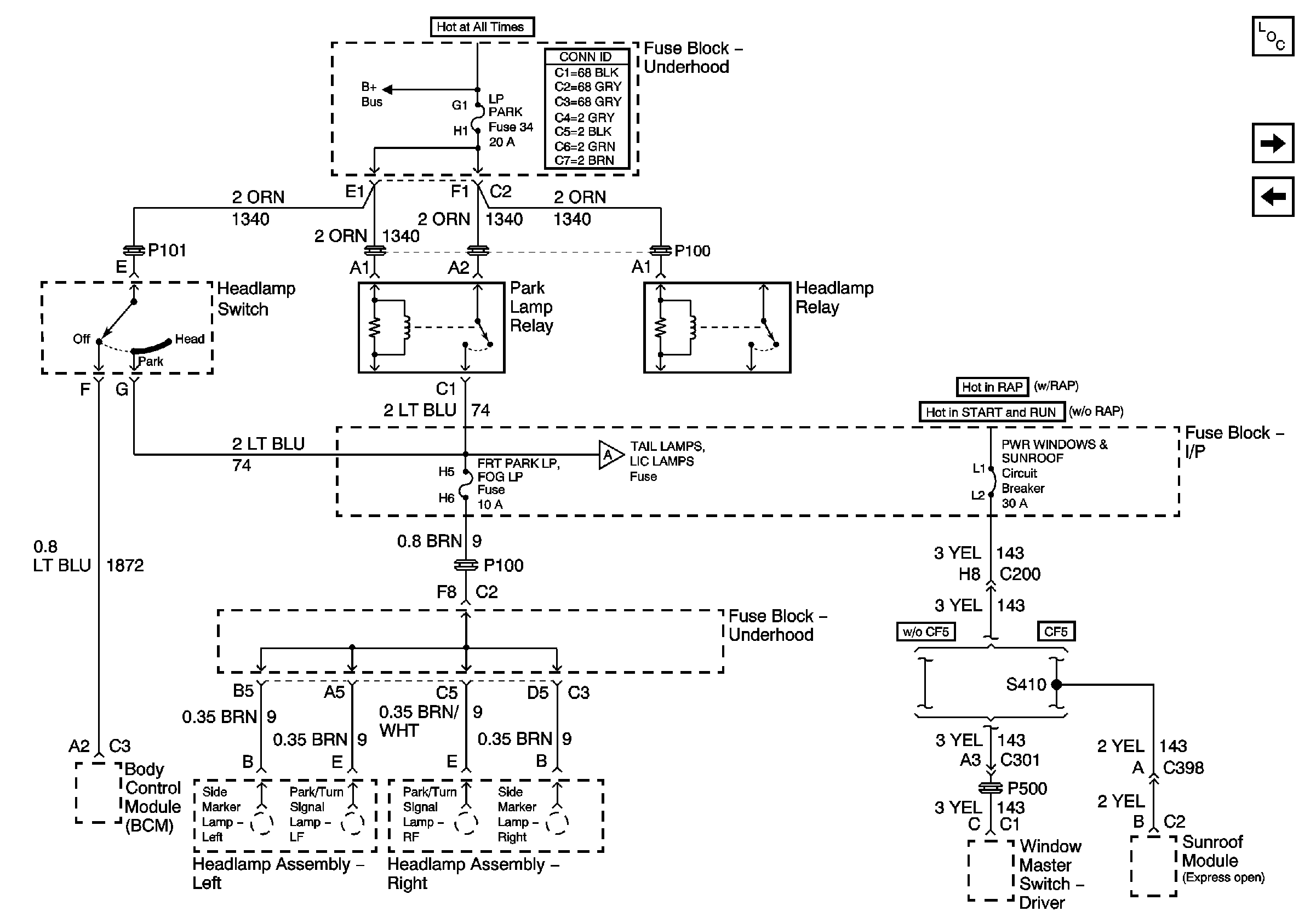
Fuse Block - Underhood LP PARK Fuse, Fuse Block - I/P FRT PARK LP, FOG LP Fuse and PWR WINDOWS and SUNROOF Circuit Breaker
Master Electrical Component List
Lighting
ABS, BTSI
Fuse Block Underhood Power Bussing (Page 1 of 2)
Lighting