GM Service Manual Online
For 1990-2009 cars only
Makes
🢒
GMC_Truck
🢒
2007
🢒
Sierra - 2WD
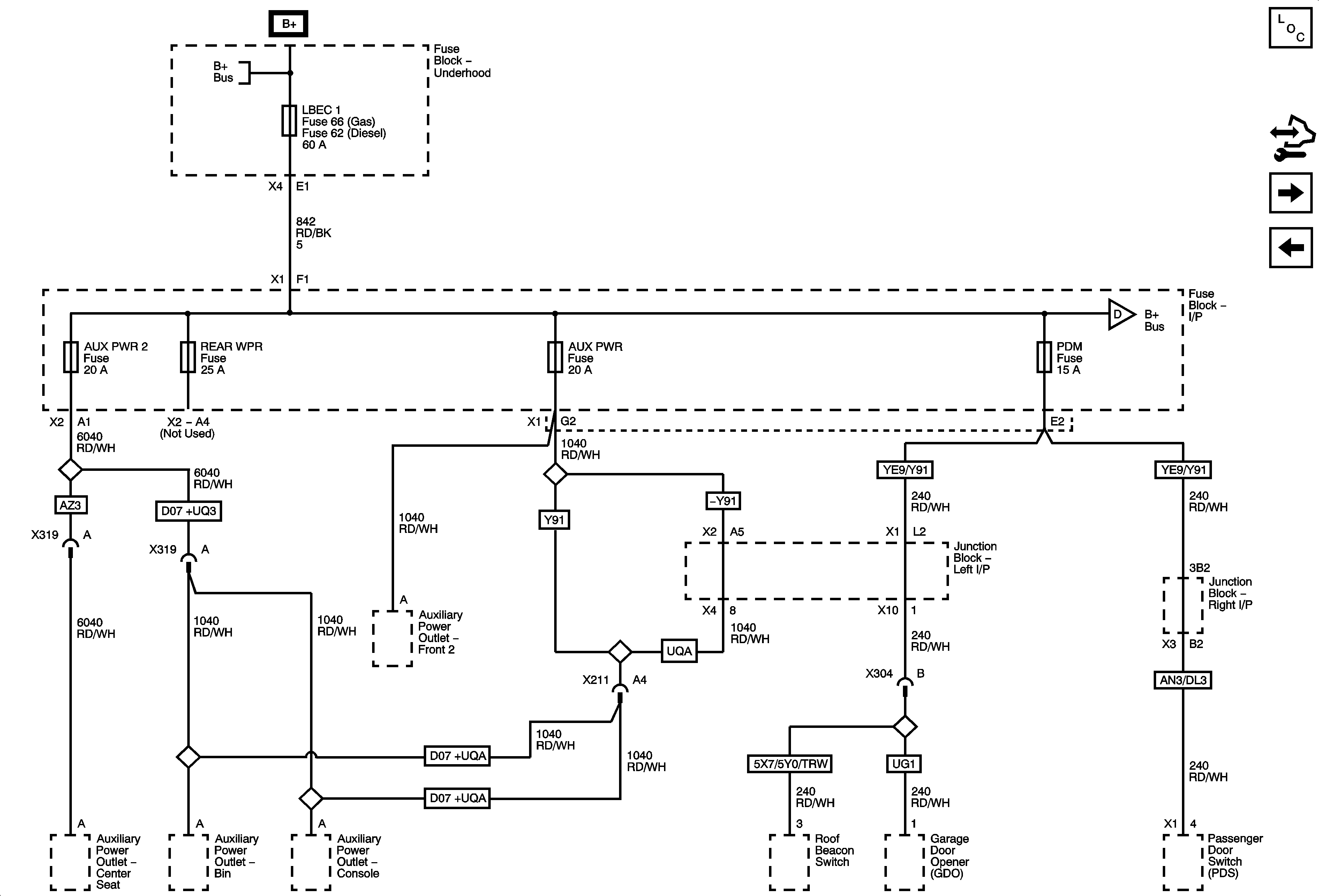
🢒 AUX PWR, AUX PWR 2, LBEC 1, PDM and REAR WPR Fuses
AUX PWR, AUX PWR 2, LBEC 1, PDM and REAR WPR Fuses
AUX PWR, AUX PWR 2, LBEC 1, PDM and REAR WPR Fuses
Master Electrical Component List
Control Module References
IS LPS, LT STOP TRN, OBS DET, REAR SEAT and STOP LAMPS Fuses, LT DR Circuit Breaker
B+ Bus - 3 of 3
B+ Bus - 1 of 3
IS LPS, LT STOP TRN, OBS DET, REAR SEAT and STOP LAMPS Fuses, LT DR Circuit Breaker