GM Service Manual Online
For 1990-2009 cars only
Figure 1:

G100


Object Number: 1916289  Size: FS
Master Electrical Component List
Control Module References
G101
Figure 2:

G101


Object Number: 1916298  Size: FS
Master Electrical Component List
Control Module References
G102, G107 (4.3L), G104, G108
G100
Figure 3:

G102, G107 (4.3L), G104 and G108


Object Number: 1916300  Size: FS
Master Electrical Component List
Control Module References
G106 (4.3L) and G103
G101
Figure 4:

G106 (4.3L) and G103


Object Number: 1916328  Size: FS
Master Electrical Component List
Control Module References
G106 (Diesel), G105, G110 and G111
G102, G107 (4.3L), G104, G108
Figure 5:

G106 (Diesel) , G105, G110 and G111


Object Number: 1916358  Size: FS
Master Electrical Component List
Control Module References
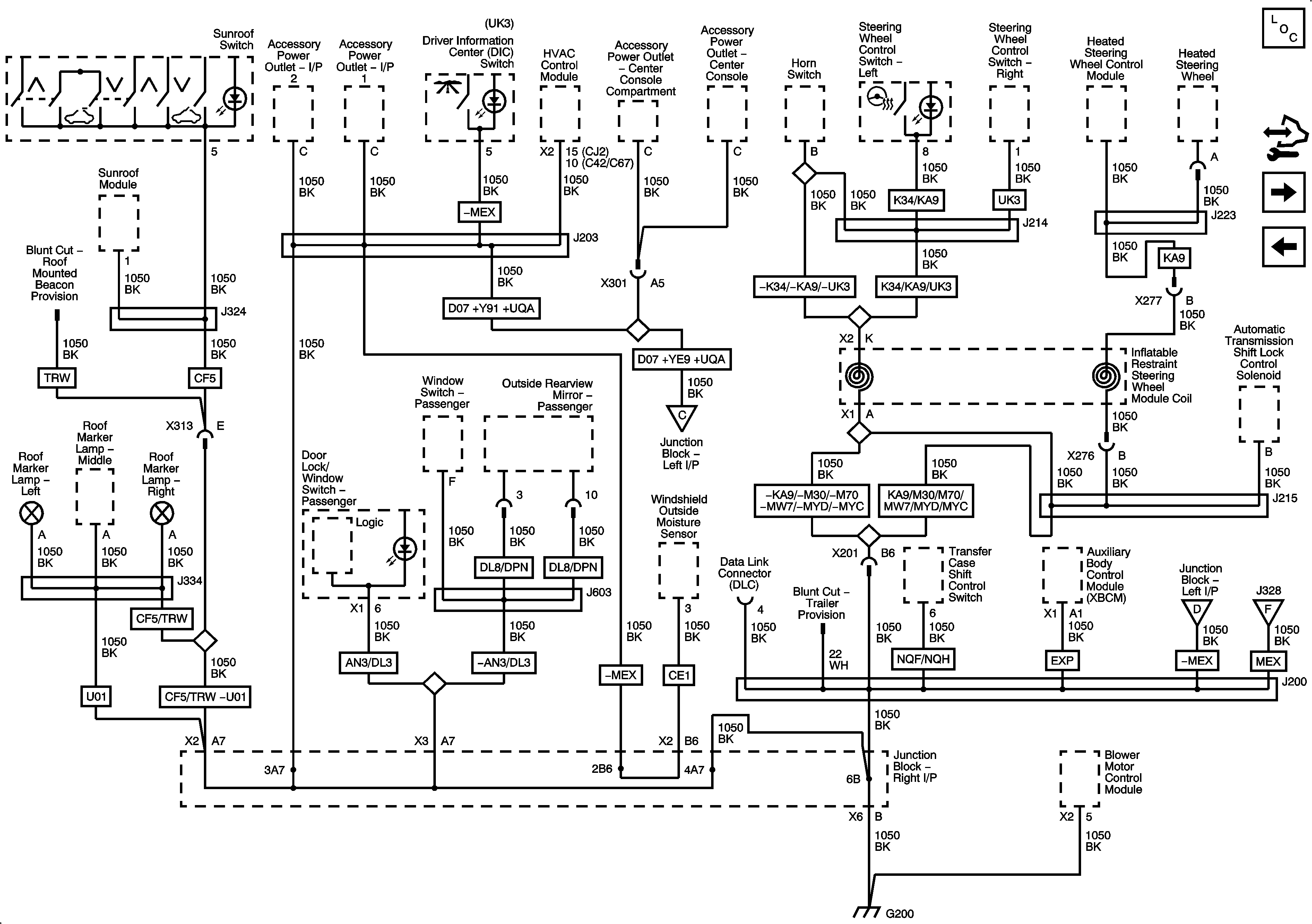
G200 1 of 2
G106 (4.3L) and G103
Figure 6:

G200 1 of 2


Object Number: 1916382  Size: FS
Master Electrical Component List
Control Module References
G200 2 of 2
G106 (Diesel), G105, G110 and G111
Figure 7:

G200 2 of 2


Object Number: 1916385  Size: FS
Master Electrical Component List
Control Module References
G201 1 of 3
G200 1 of 2
Figure 8:

G201 1 of 3


Object Number: 1916404  Size: FS
Master Electrical Component List
Control Module References
G201 2 of 3 (except MEX)
G200 2 of 2
Figure 9:

G201 2 of 3 (except MEX)


Object Number: 1916417  Size: FS
Master Electrical Component List
Control Module References
G201 3 of 3 (MEX)
G201 1 of 3
Figure 10:

G201 3 of 3 (MEX)


Object Number: 2049943  Size: FS
Master Electrical Component List
Control Module References
G300
G201 2 of 3 (except MEX)
Figure 11:

G300


Object Number: 1916419  Size: FS
Master Electrical Component List
Control Module References
G301
G201 3 of 3 (MEX)
Figure 12:

G301


Object Number: 1916421  Size: FS
Master Electrical Component List
Control Module References
G302
G300
Figure 13:

G302


Object Number: 1916426  Size: FS
Master Electrical Component List
Control Module References
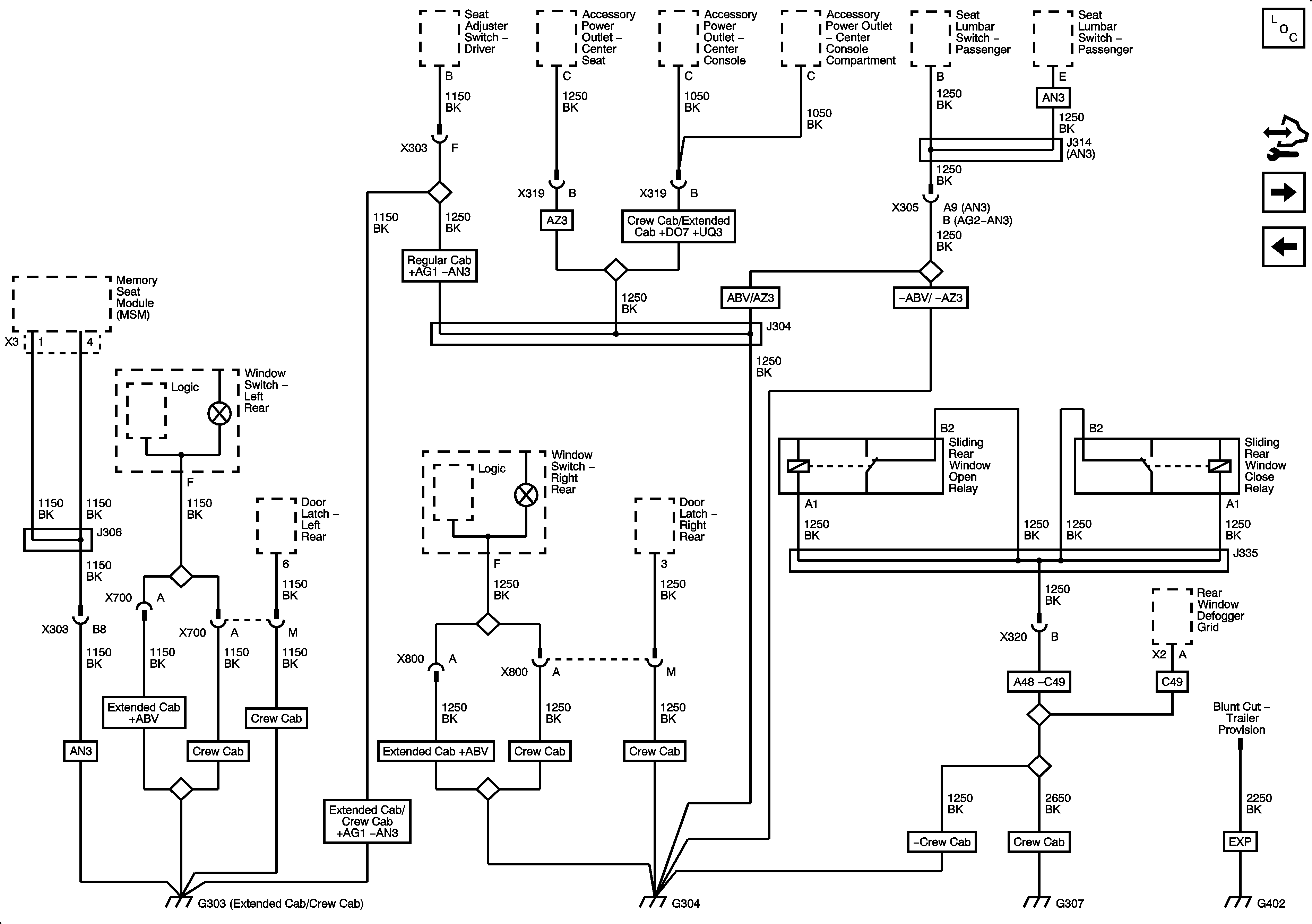
G303, G304, G305 and G307
G301
Figure 14:

G303, G304, G305 and G307


Object Number: 1916429  Size: FS
Master Electrical Component List
Control Module References
G401 and G403
G302
Figure 15:

G401 and G403


Object Number: 1916432  Size: FS
Master Electrical Component List
Control Module References
G303, G304, G305 and G307