GM Service Manual Online
For 1990-2009 cars only
Figure 1:

Power, Ground, Driver Shift Request Switch, Tow/Haul Switch and Serial Data


Object Number: 1916932  Size: FS
Master Electrical Component List
Electronic Component Description
Control Module References
Shift Solenoids, PCS2, Torque Signals and Speed Sensors
Figure 2:

Shift Solenoids, PCS2, Torque Signals and Speed Sensors


Object Number: 1916939  Size: FS
Master Electrical Component List
Electronic Component Description
Control Module References
Fluid Pressure Switches, PCS1, TCC PCS, Mod Main Solenoid and FTP Sensor
Power, Ground, Driver Shift Request Switch, Tow/Haul Switch and Serial Data
Figure 3:

Fluid Pressure Switches, PCS1, TCC PCS, Mod Main Solenoid, and FTP Sensor


Object Number: 1916944  Size: FS
Master Electrical Component List
Electronic Component Description
Control Module References
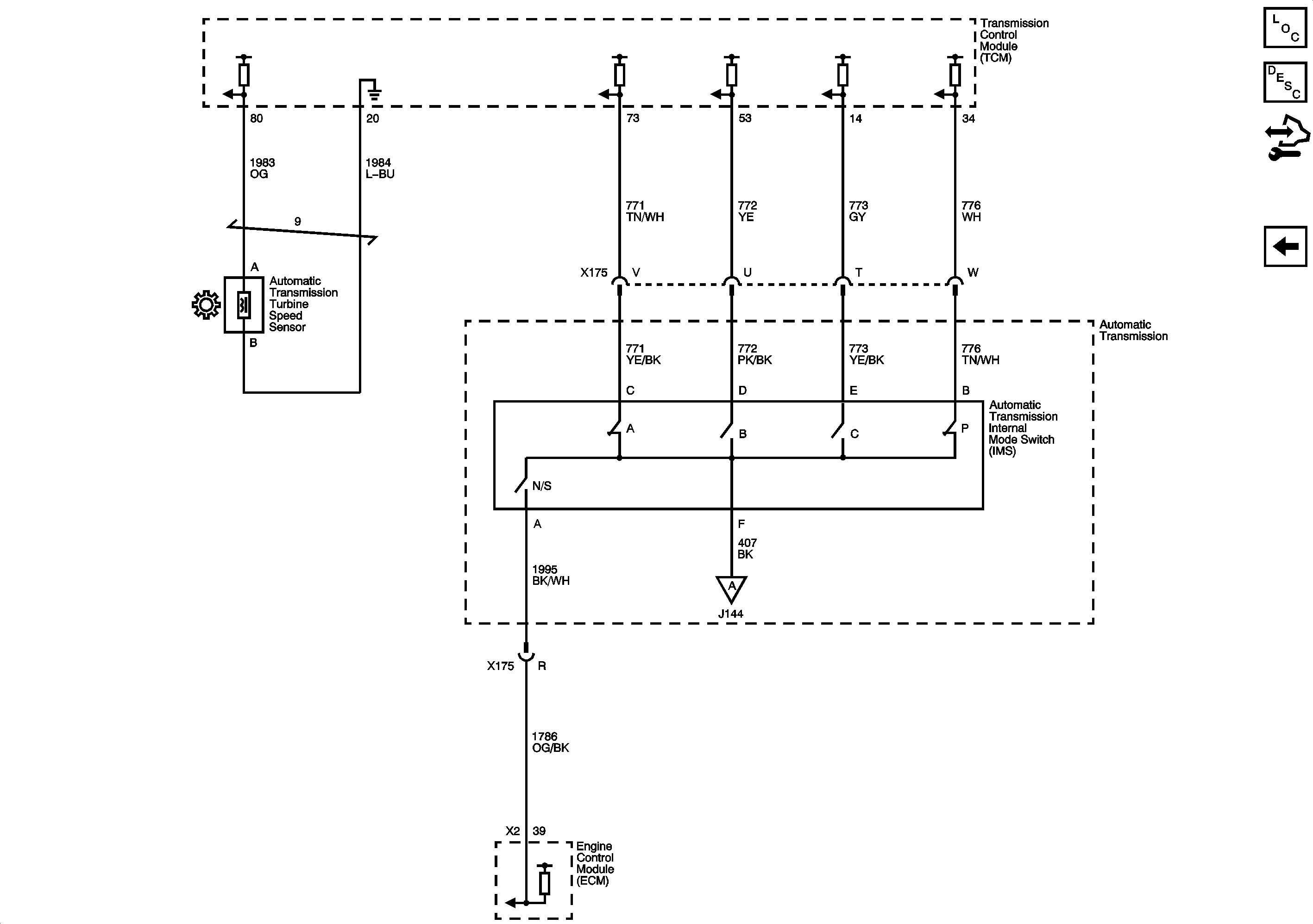
Internal Mode Switch (IMS) and Speed Sensors
Shift Solenoids, PCS2, Torque Signals and Speed Sensors
Figure 4:

Internal Mode Switch (IMS) and Speed Sensors


Object Number: 1916957  Size: FS
Master Electrical Component List
Electronic Component Description
Control Module References
Fluid Pressure Switches, PCS1, TCC PCS, Mod Main Solenoid and FTP Sensor