GM Service Manual Online
For 1990-2009 cars only
Figure 1:

Starting


Object Number: 2064887  Size: FS
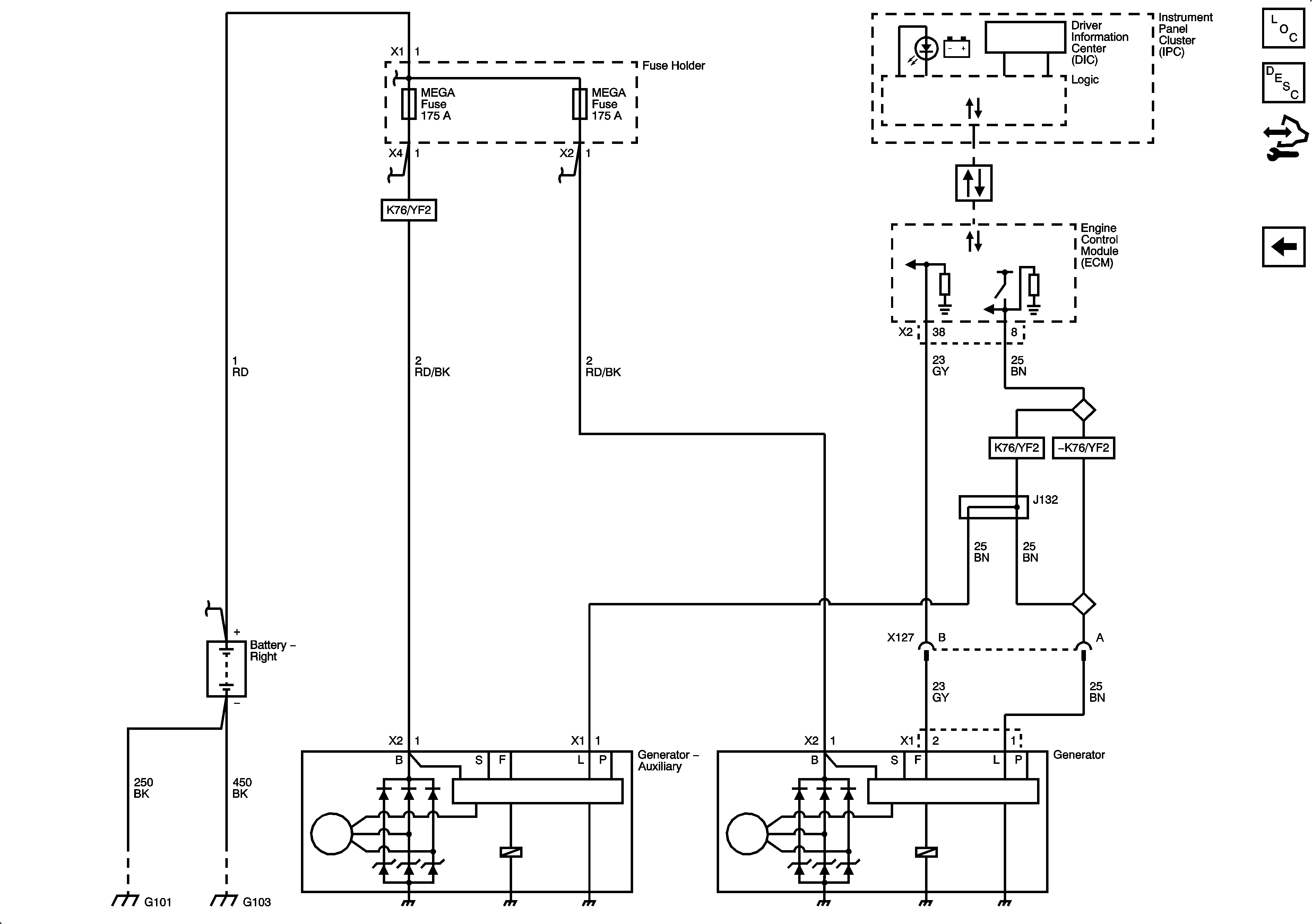
Figure 2:

Charging (Gas)


Object Number: 2064889  Size: FS
Figure 3:

Charging (Diesel)


Object Number: 2064891  Size: FS