| Figure 1: |
Battery Supply
|
| Figure 2: |
B+ Bus - 1 of 3
|
| Figure 3: |
B+ Bus - 2 of 3
|
| Figure 4: |
B+ Bus - 3 of 3
|
| Figure 5: |
AUX PWR, AUX PWR 2, LBEC 2, PDM and REAR WPR Fuses
|
| Figure 6: |
IS LPS, LT STOP TRN, OBS DET, REAR SEAT and STOP LAMPS Fuses, LT DR Circuit Breaker
|
| Figure 7: |
LCK 1 and UNLCK 1 Fuses (Crew Cab with AN3) and INFO and REAR SEAT ENT Fuses
|
| Figure 8: |
DVR UNLCK, LCK 1, LCK 2, UNLCK 1 and UNLCK 2 Fuses (AU3 without AN3/DL3)
|
| Figure 9: |
BCM, COOLED SEATS, CTSY, DDM, DIM, DSM, LBEC 1, PWR MIR, REAR HVAC and RT STOP TRN Fuses
|
| Figure 10: |
MBEC1 Fuse, DRIVER SEAT 2, PASS SEAT 1, PWR REAR WNDW and RT DOORS Circuit Breakers
|
| Figure 11: |
ECM-BATT, HDLP WASH, HVAC BATT, IPC, LTR, S/ROOF and TCM-BATT Fuses
|
| Figure 12: |
AMP, ELEC RUN BOARD, ESC/ALC EXH, EXP/PTO, INFOTMNT, and TREC Fuses
|
| Figure 13: |
FSCM, ITBC and RDO Fuses
|
| Figure 14: |
ABS-1, ABS-2, HEAVY DUTY ABS, HVAC BLWR, STUD 1, STUD 2 and WSW/HTR Fuses
|
| Figure 15: |
AIRBAG BATT, ALC COMP, EAP, LGM, SEO B1 and SEO B2 Fuses
|
| Figure 16: |
DLIS Fuse and Ignition Switch
|
| Figure 17: |
PWR/TRN BUS - ECM/THROT CONT and ENG Fuses
|
| Figure 18: |
PWR/TRN BUS - DSL ECM, FUEL HTR, O2-A SNSR and O2-B SNSR Fuses
|
| Figure 19: |
PWR/TRN BUS - INJ-A and INJ-B Fuses
|
| Figure 20: |
RUN/CRANK BUS - AIRBAG IGN, MISC IGN and SEO/ALC Fuses
|
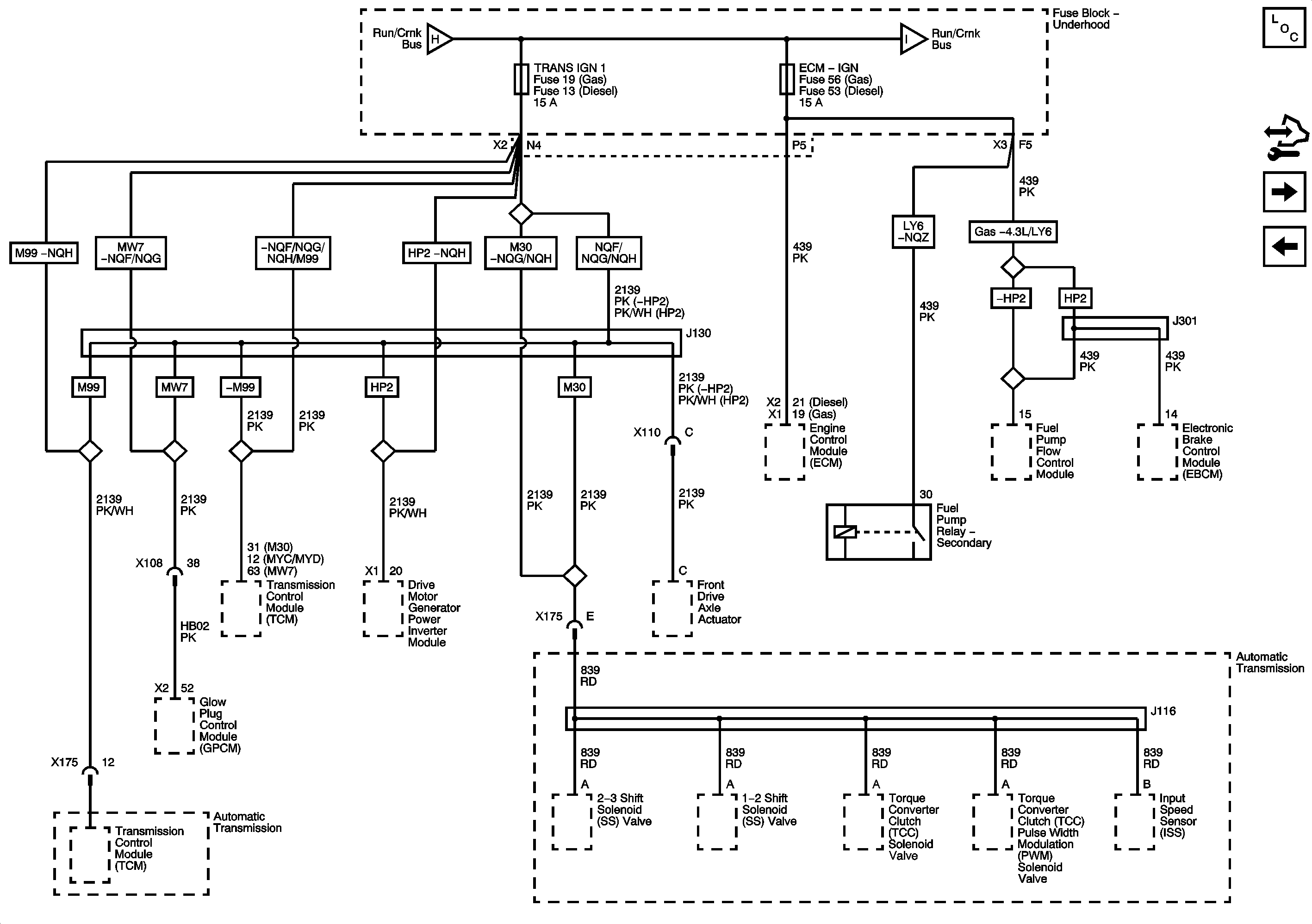
| Figure 21: |
RUN/CRANK BUS - ECM-IGN and TRANS IGN 1 Fuses
|
| Figure 22: |
RUN/CRANK BUS - AUX HVAC-IGN and HVAC-IGN Fuses
|
| Figure 23: |
CHMSL, TRLR BCK/UP, TRLR STOP LT, TRLR STOP RT and VEH BCK/UP Fuses
|
| Figure 24: |
DRL, DRL 2, FOG LAMP, LO HDLP-LT, LO HDLP-RT, HI HDLP-LT and HI HDLP-RT Fuses
|
| Figure 25: |
LT PRK Fuse
|
| Figure 26: |
RT PRK and TRLR PRK Fuses
|
| Figure 27: |
A/C CMPRSR, FRT WASH, FUEL PUMP, HORN, HTD MIR, REAR DEFOG and STRTR Fuses
|
| Figure 28: |
Fuse Block - Auxiliary B+ Bus (HP2)
|
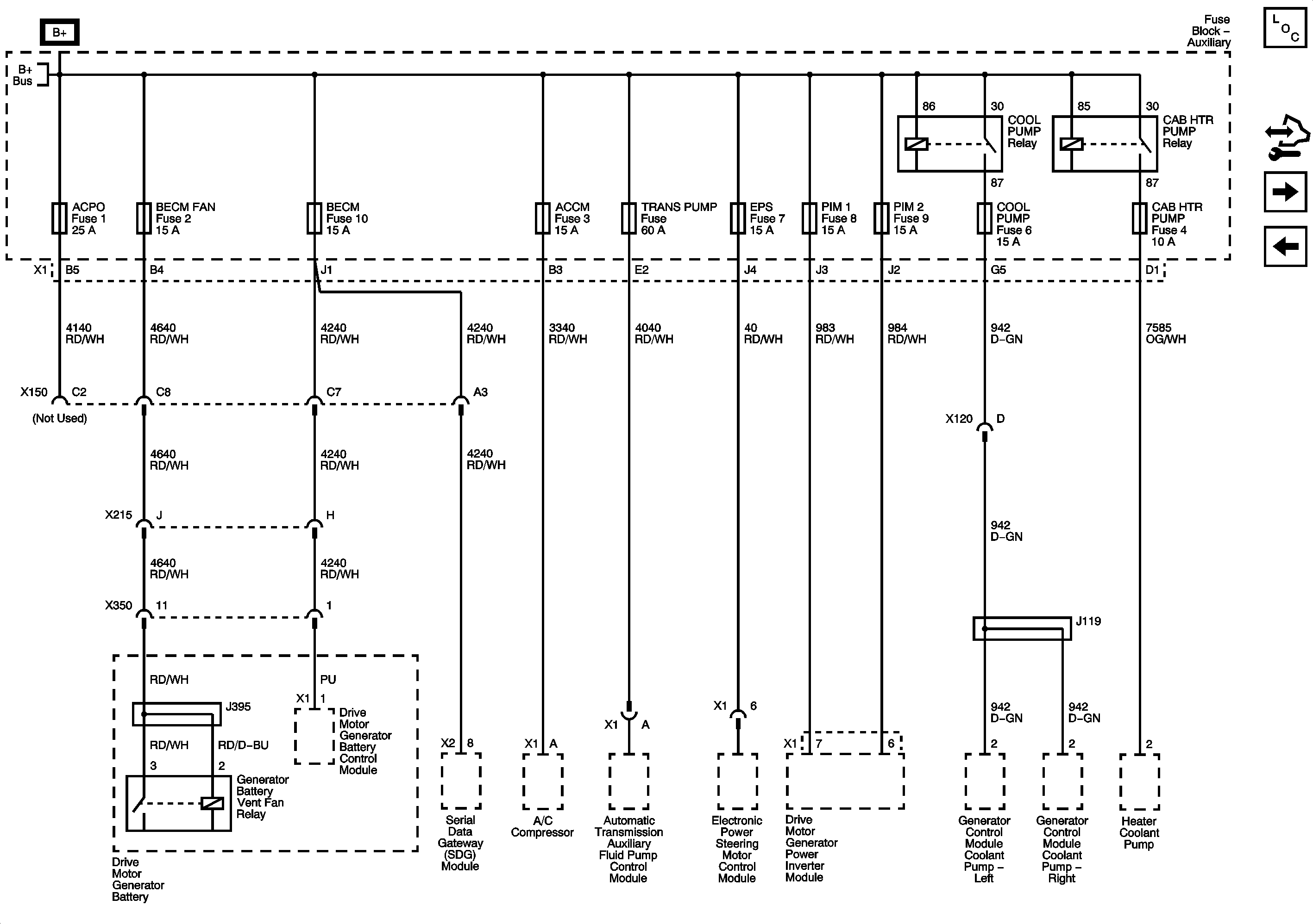
| Figure 29: |
ACCM, ACPO, BECM, BECM FAN, CAB HTR PUMP, COOL PUMP, EPS, PIM 1 and PIM 2 Fuses (HP2)
|
| Figure 30: |
FAN 1 and FAN 2 Fuses (HP2)
|