GM Service Manual Online
For 1990-2009 cars only
Makes
🢒
GMC_Truck
🢒
2009
🢒
Sierra - 2WD
🢒
Diagnostic Navigation
🢒
Vehicle Diagnostic Information
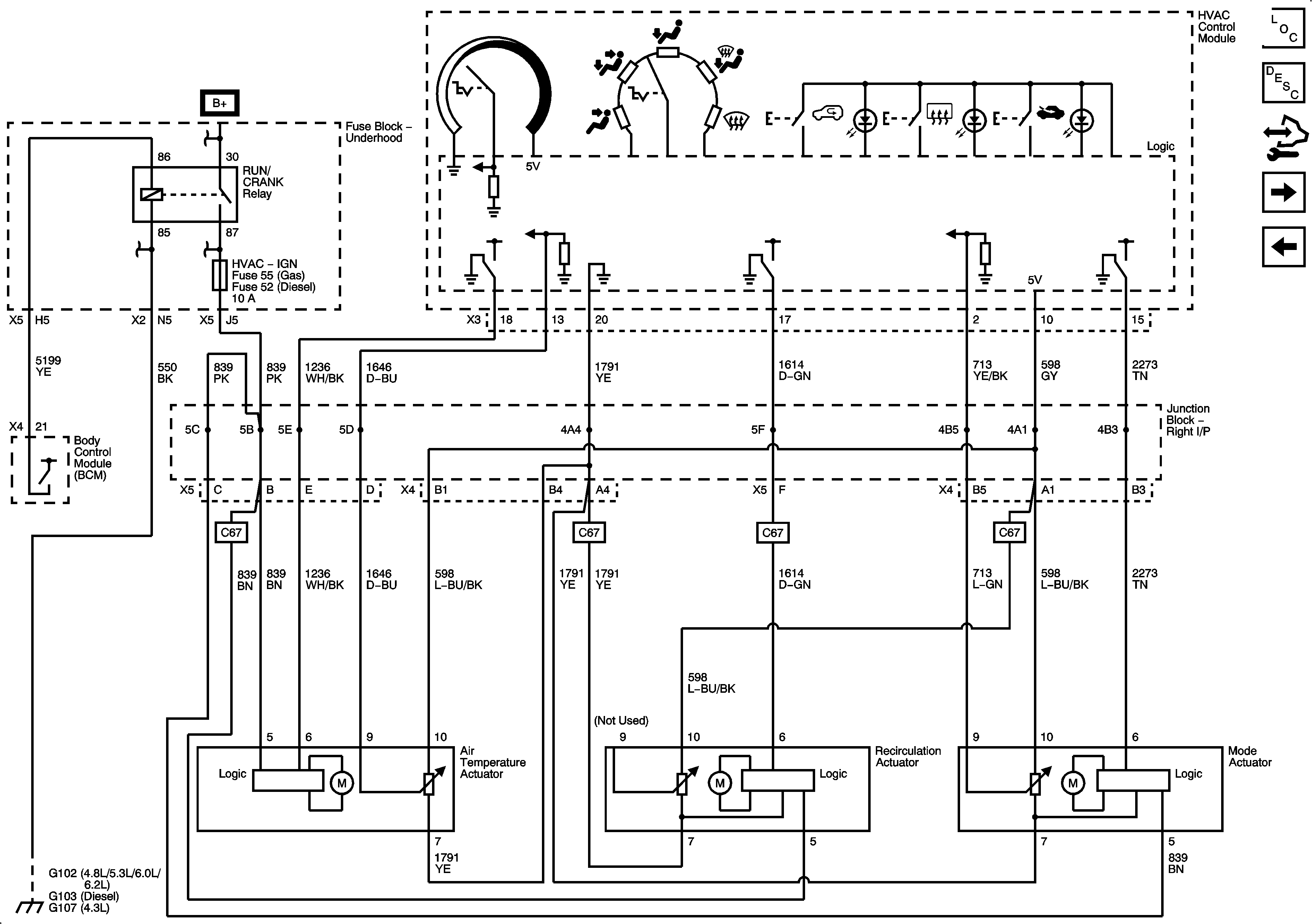
🢒 HVAC Schematics
Figure
1:
Module Power, Ground, Serial Data and Blower Controls
Figure
2:
Mode and Temperature Controls
Figure
3:
A/C Compressor Controls (C67)