GM Service Manual Online
For 1990-2009 cars only
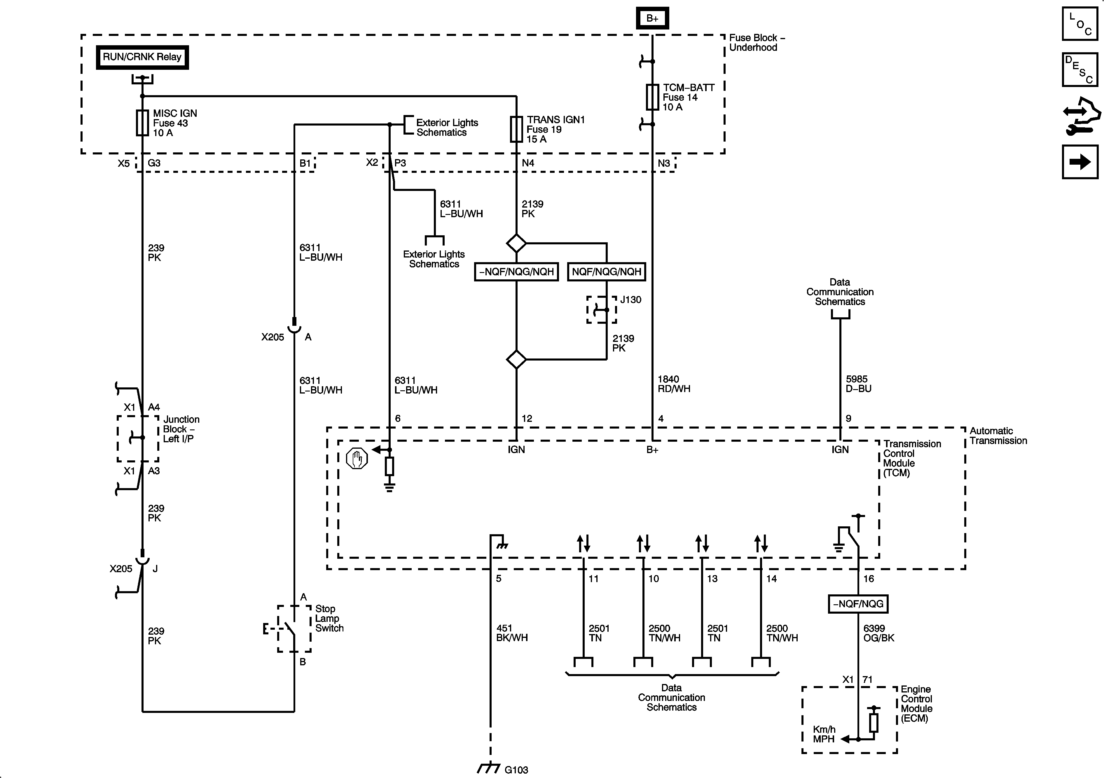
Figure 1:

Module Power, Ground, Serial Data and Stop Lamp Signal


Object Number: 2065250  Size: FS
Figure 2:

Pressure Controls - 1 of 2 and Shift Controls


Object Number: 2065252  Size: FS
Figure 3:

Pressure Controls - 2 of 2 and Speed Sensors


Object Number: 2065255  Size: FS
Figure 4:

Transmission Range Signals and Driver Shift Request


Object Number: 2065257  Size: FS