GM Service Manual Online
For 1990-2009 cars only
Table 1: Shift Detent Plunger Assembly, Shift Detent Lever, Input Shaft, and Planetary Assembly Installation
Table 2: Rear Output Shaft Assembly Installation
Table 3: Shift Forks Installation
Table 4: Front Output Shaft Assembly, Drive Chain, and Oil Pump Suction Pipe Installation
Table 5: Transfer Case Rear Case Half Installation
Table 6: Rear Output Shaft Seal and Bushing Installation
Table 7: Access Hole Plugs, Fill and Drain Plug, Lever, Vent, Shift Control Switch, and Vehicle Speed Sensor Installation
Table 8: Input Shaft Seal and Front Output Shaft Seal Installation

Shift Detent Plunger Assembly, Shift Detent Lever, Input Shaft, and Planetary Assembly Installation


Object Number: 1843604  Size: MF

Shift Detent Plunger Assembly, Shift Detent Lever, Input Shaft, and Planetary Assembly Installation

Callout

Component Name

1

Transfer Case Input Shaft Bearing Assembly

2

Transfer Case Input Shaft Inner Retaining Ring

3

Transfer Case High/Low Planetary Carrier Assembly

4

Transfer Case Planetary Carrier Sun Gear Thrust Washer

5

Transfer Case Input Shaft

6

Transfer Case Planetary Carrier Sun Gear Thrust Washer

7

Transfer Case High/Low Locking Plate

8

Transfer Case High/Low Planetary Carrier Retaining Ring

9

Transfer Case Input Shaft/Planetary Assembly

10

Transfer Case Input Shaft Bearing Outer Retaining Ring

11

Transfer Case Shift Lever Seal

Tip

    • Lubricate the seal to ease installation.
    • Ensure the lip on the seal is facing inward.
    • Ensure the seal is installed squarely into the bore.
    • Press the seal in, until it contacts the sector bearing.

Special Tools

    • DT-48215 Shift Detent Lever Bearing Installer
    • J 7079-2 Universal Driver Handle - Non-Threaded

For equivalent regional tools, refer to Special Tools.

12

Transfer Case Shift Detent Lever Assembly

13

Transfer Case Shift Detent Plunger

14

Transfer Case Shift Detent Spring

15

Transfer Case Shift Detent Plunger Plug Seal

Tip
Lightly lubricate the O-ring with clean DEXRON®VI.

16

Transfer Case Shift Detent Plunger Plug

Caution: Refer to Component Fastener Tightening Caution in the Preface section.

Tighten
20 N·m (15 lb ft)

Rear Output Shaft Assembly Installation


Object Number: 1843605  Size: MF

Rear Output Shaft Assembly Installation

Callout

Component Name

1

Transfer Case Rear Output Shaft

2

Transfer Case Two/Four Wheel Drive Synchronizer Hub

3

Transfer Case Two/Four Wheel Drive Synchronizer Insert (Qty: 3)

Tip
Ensure that the inserts are installed in the correct orientation in the synchronizer hub. The inserts should be able to move when correctly installed.

4

Transfer Case Two/Four Wheel Drive Synchronizer Sleeve

5

Transfer Case Two/Four Wheel Drive Synchronizer Assembly

6

Transfer Case Two/Four Wheel Drive Synchronizer Blocking - Outer - Ring

7

Transfer Case Two/Four Wheel Drive Synchronizer Blocking - Inner - Ring

8

Transfer Case Front Output Shaft Drive Sprocket

9

Transfer Case Front Output Shaft Drive Sprocket Spacer - Rear

10

Transfer Case Front Output Shaft Drive Sprocket Retaining Ring

11

Transfer Case Oil Pump Assembly

12

Transfer Case Rear Output Shaft Speed Reluctor Wheel

13

Transfer Case Rear Output Shaft Rear Bearing Retaining Ring

14

Transfer Case Rear Output Shaft Rear Bearing Assembly

Tip

    • Use an arbor press or a suitable installer to install the bearing to the rear output shaft.
    • Ensure the retaining ring groove in the outer race is positioned toward the rear.

15

Transfer Case Rear Output Shaft Rear Bearing Retaining Ring

16

Transfer Case High/Low Clutch

17

Transfer Case Rear Output Shaft Assembly

Shift Forks Installation


Object Number: 1843606  Size: MF

Shift Forks Installation

Callout

Component Name

1

Transfer Case High/Low Shift Fork

2

Transfer Case Two/Four Wheel Drive Shift Fork Assembly

3

Transfer Case Control Actuator Shaft

4

Transfer Case Shift Fork Spring

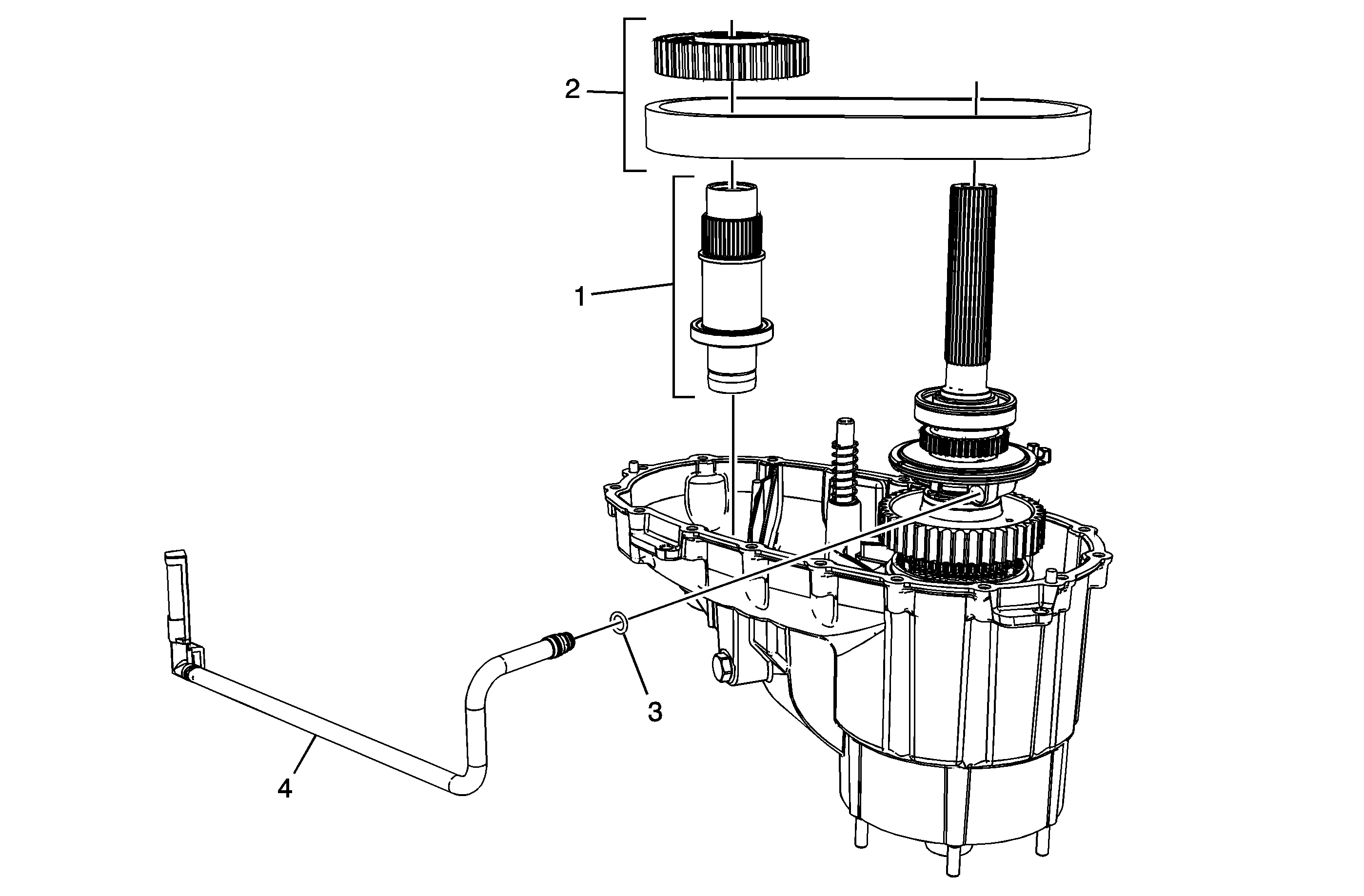
Front Output Shaft Assembly, Drive Chain, and Oil Pump Suction Pipe Installation


Object Number: 1843607  Size: MF

Front Output Shaft Assembly, Drive Chain, and Oil Pump Suction Pipe Installation

Callout

Component Name

1

Transfer Case Front Output Shaft Assembly

2

Transfer Case Front Output Shaft Drive Chain Assembly, Transfer Case Front Output Shaft Driven Sprocket

Tip

    • Install the chain with the darkened links facing up.
    • Engage the driven sprocket to the chain.
    • Install the driven sprocket over the front output shaft assembly while engaging the chain with the drive sprocket.

3

Transfer Case Oil Pump Suction Pipe Seal

Tip

    • Use a NEW seal.
    • Lubricate the seal to ease installation.
    • Install the seal to the pipe prior to inserting the pipe into the pump.

4

Transfer Case Oil Pump Suction Pipe

Transfer Case Rear Case Half Installation


Object Number: 1843608  Size: MF

Transfer Case Rear Case Half Installation

Callout

Component Name

1

Transfer Case Front Output Shaft Driven Sprocket Spacer

2

Transfer Case Front Output Shaft Driven Sprocket Spacer Spring

Tip
Ensure the spacer spring is properly positioned into the spacer groove.

3

Sealer GM P/N 12345739 (Canadian P/N 10953541) or Equivalent

Caution: Apply the proper amount of sealant to the flange when assembling the transfer case. Excessive amounts of sealant can plug the oil pump screen, resulting in internal component failure.

Tip

    • Ensure both sealing surfaces of the front and rear case halves are free of dirt, oil, and cleaning solvent.
    • Apply a 2 mm (0.078 in) bead of sealant to the front case half.

4

Transfer Case Rear Case Half

Tip

    • Ensure the transfer case rear output shaft outer retaining ring is in place and aligned prior to mating case halves.
    • Use snap ring pliers to open the transfer case rear output shaft outer retaining ring for the transfer case rear output shaft rear bearing assembly.
    • Insert a rubber coated screwdriver into the speed sensor hole and lift up on the reluctor wheel to engage the retaining ring with the rear bearing assembly.

5

Transfer Case Bracket

6

Transfer Case Bolts (Qty: 17)

Caution: Refer to Fastener Caution in the Preface section.

Tip
Tighten the bolts by hand. Do not use an air gun.

Tighten
25 N·m (18 lb ft)

Rear Output Shaft Seal and Bushing Installation


Object Number: 1843609  Size: MF

Rear Output Shaft Seal and Bushing Installation

Callout

Component Name

Preliminary Procedures

The following procedure is for the light duty application, for the heavy duty and super heavy duty applications. Refer to Rear Output Shaft Bushing Replacement.

1

Transfer Case Rear Output Shaft Bushing (Light Duty)

Tip

    • If the bushing was removed, a new bushing must be installed.
    • Ensure the bushing is installed squarely into the bushing bore.
    • Follow the steps above in the Preliminary Procedures for use of the J 45380 Remover/Installer .
  1. Install the bushing on the finger section of the J 45380 .
  2. Install the finger section to the main body of the J 45380 .
  3. Position the bushing and tool to the rear case half.
  4. Press the bushing until the tool bottoms on the rear case half.

Special Tools

J 45380 Transfer Case Rear Bushing Remover and Installer

2

Transfer Case Rear Output Shaft Seal (Light Duty)

Tip
Align the notch on the seal between the rear output bearing retaining ring access holes. This will position the weep hole down.

Special Tools

    • DT-48210 Seal Installer
    • J 8092 Driver Handle

3

Transfer Case Rear Output Shaft Seal (Heavy Duty and Super Heavy Duty)

Tip
Align the notch on the seal between the rear output bearing retaining ring access holes. This will position the weep hole down.

Special Tools

    • DT-48021 Seal Installer
    • J 8092 Driver Handle

Access Hole Plugs, Fill and Drain Plug, Lever, Vent, Shift Control Switch, and Vehicle Speed Sensor Installation


Object Number: 1843610  Size: MF

Access Hole Plugs, Fill and Drain Plug, Lever, Vent, Shift Control Switch, and Vehicle Speed Sensor Installation

Callout

Component Name

1

Transfer Case Access Hole Plugs (Qty: 2)

2

Transfer Case Oil Fill Plug

Caution: Refer to Component Fastener Tightening Caution in the Preface section.

Tip
Apply pipe sealant GM P/N 12346004 (Canadian P/N 10953480) to the oil fill plug before installation.

Tighten
18 N·m (13 lb ft)

3

Transfer Case Oil Drain Plug

Tip
Apply pipe sealant GM P/N 12346004 (Canadian P/N 10953480) to the oil drain plug before installation.

Tighten
18 N·m (13 lb ft)

4

Transfer Case Lever

5

Transfer Case Control Lever Bolt/Screw

Caution: Refer to Fastener Caution in the Preface section.

Tip
Apply threadlocker GM P/N 12345382 (Canadian P/N 10953489) to the control lever bolt before installation.

Tighten
27 N·m (20 lb ft)

6

Transfer Case Shift Lever Washer

7

Transfer Case Vent

Tip
Apply retaining compound GM P/N 12377901 (Canadian P/N 10953504) to the vent pipe before installation, if removed during disassembly.

8

Transfer Case Selector Switch - O-Ring - Seal

Tip
Lightly lubricate the O-ring with clean DEXRON®VI.

9

Transfer Case Shift Control Switch Assembly

Tighten
27 N·m (20 lb ft)

10

Vehicle Speed Sensor O-Ring Seal

Tip
Lightly lubricate the O-ring with clean DEXRON®VI.

11

Vehicle Speed Sensor Assembly

Tighten
17 N·m (13 lb ft)

Input Shaft Seal and Front Output Shaft Seal Installation


Object Number: 1843611  Size: MF

Input Shaft Seal and Front Output Shaft Seal Installation

Callout

Component Name

1

Transfer Case Input Shaft Seal

Tip
Ensure the bore of the front case half is free of dirt, oil, and cleaning solvent.

Special Tools

J 42738 Seal Installer

2

Transfer Case Front Output Shaft Seal

Special Tools

    • J 8092 Driver Handle
    • J 43484 Front Output Shaft Seal Installer

3

Transfer Case Assembly

Tip
Remove from J 3289-20 Holding Fixture and remove the J 45759 Assembly Fixture from the transfer case.

Special Tools

    • J 3289-20 Holding Fixture
    • J 45759 Assembly Fixture