GM Service Manual Online
For 1990-2009 cars only
Figure 1:

Front of Vehicle Components (10 Series)


Object Number: 2160986  Size: LF
(1)Engine Cooling Fan - Left
(2)Engine Cooling Fan - Resistor Left (HP2)
(3)Horn - Right (7Z1/YE9/HP2)
(4)Generator Control Module Temperature Sensor (HP2)
(5)A/C Low Pressure Sensor (HP2)
(6)Ambient Air Temperature Sensor (CJ2/C67))
(7)Hood Ajar Switch (AP3/AP8)
(8)Horn - Left
(9)Inflatable Restraint Front End Sensor - Left
(10)High Voltage Circuit Impact Detection Sensor (HP2)
(11)Inflatable Restraint Front End Sensor - Right
(12)Engine Cooling Fan Resistor - Right (HP2)
(13)Engine Cooling Fan - Right
(14)Generator Control Module Coolant Pump - Right (HP2)
(15)Generator Control Module Coolant Pump - Left (HP2)
Figure 2:

Front of the Vehicle Components (except 10 Series)


Object Number: 1922981  Size: LF
(1)Lower Radiator Support
(2)Inflatable Restraint Front End Sensor
Figure 3:

Front of the Vehicle Components (X88)


Object Number: 1854075  Size: LF
(1)Park/Turn Signal Lamp - Upper Right
(2)Headlamp - Right Low Beam
(3)Headlamp - Left Low Beam
(4)Park/Turn Signal Lamp - Upper Left
(5)Park/Turn Signal Lamp - Lower Left
(6)Headlamp - Left High Beam
(7)Fog Lamp - Left Front (T96)
(8)Fog Lamp - Right Front (T96)
(9)Headlamp - Right High Beam
(10)Park/Turn Signal Lamp - Lower Right
Figure 4:

Front of the Vehicle Components (Z88)


Object Number: 1854076  Size: LF
(1)Headlamp - Right Low Beam
(2)Park/Turn Signal Lamp - Upper Right
(3)Park/Turn Signal Lamp - Upper Left
(4)Headlamp - Left Low Beam
(5)Marker Lamp - Left Front
(6)Headlamp - Left High Beam
(7)Park/Turn Signal Lamp - Lower Left
(8)Fog Lamp - Left Front (T96)
(9)Fog Lamp - Right Front (T96)
(10)Park/Turn Signal Lamp - Lower Right
(11)Headlamp - Right High Beam
(12)Marker Lamp - Right Front
Figure 5:

Behind the Grill Components - 1 of 2


Object Number: 1858048  Size: LF
(1)Upper Tie Bar
(2)Hood Ajar Switch (AP3/AP8)
(3)Ambient Air Temperature Sensor (CJ2/C67)
Figure 6:

Behind the Grill Components - 2 of 2


Object Number: 1750395  Size: LF
(1)Horn - Right (7Z1/YE9)
(2)Radiator Core Support
(3)Horn - Left
Figure 7:

Front of the Engine Compartment Components (Gas except LY6)


Object Number: 1539137  Size: MF
(1)Engine Cooling Fan - Left
(2)Engine Cooling Fan - Right
(3)Forward Lamp Harness
Figure 8:

Front of the Engine Compartment Components (Diesel)


Object Number: 1870635  Size: LF
(1)Engine
(2)Front Fascia
(3)A/C Low Pressure Switch (C67/CJ2)
(4)Surge Tank
(5)Engine Coolant Level Switch
Figure 9:

Left Rear of the Engine Compartment Components


Object Number: 1714226  Size: LF
(1)Windshield Wiper Motor
(2)Power Brake Booster (JL4)
(3)Windshield Washer Solvent Heater (XA7)
(4)Fuse Block - Underhood
(5)Engine Control Module (ECM)
(6)Transmission Control Module (TCM) (M30/M70/MW7)
(7)Brake Booster Vacuum Sensor (JL4)/Brake Master Cylinder Pressure Sensor (JL1)
(8)Brake Fluid Level Switch
Figure 10:

Left Rear of the Engine Compartment Components (Except HP2)


Object Number: 2152875  Size: LF
(1)Windshield Wiper Motor
(2)Windshield Washer Solvent Heater (XA7)
(3)Fuse Block - Underhood
(4)Engine Control Module (ECM)
(5)Transmission Control Module (TCM) (M30/MW7)
(6)Brake Booster Vacuum Sensor (JL4 with 10 Series)/Brake Master Cylinder Pressure Sensor (JL1)
(7)Brake Fluid Level Switch
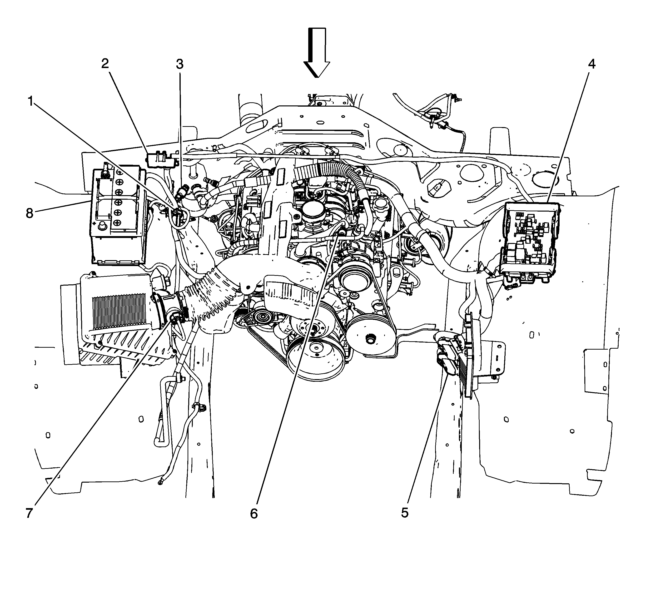
Figure 11:

Left Rear of the Engine Compartment Components (HP2)


Object Number: 2161008  Size: LF
(1)Brake Master Cylinder Piston Position Sensor
(2)Brake Fluid Level Switch
(3)Fuse Block - Underhood
(4)Battery
(5)Engine Control Module (ECM)
(6)Fuse Block - Auxiliary
(7)Battery Current Sensor
(8)Windshield Wiper Motor
Figure 12:

Right Rear of the Engine Compartment Components (4.8L/5.3L/6.0L/6.2L except HP2)


Object Number: 1714221  Size: LF
(1)Battery - Right
(2)A/C Low Pressure Switch (C67/CJ2)
(3)A/C Compressor Clutch (C67/CJ2)
(4)A/C Refrigerant Pressure Sensor (C67/CJ2)
(5)Mass Air Flow (MAF)/Intake Air Temperature (IAT) Sensor
Figure 13:

Right Rear of the Engine Compartment Components (HP2)


Object Number: 2160976  Size: LF
(1)Accessory DC Power Control Module
(2)Drive Motor Generator Power Inverter Module
(3)Drive Motor Generator Power Inverter Module Cover
(4)Electronic Power Steering Motor Control Module
(5)A/C Refrigerrant Pressure Sensor
(6)Mass Air Flow (MAF)/Intake Air Temperature (IAT) Sensor
Figure 14:

Rear of the Engine Compartment Components


Object Number: 1858046  Size: LF
(1)Battery - Right
(2)Windshield Wiper Motor
(3)Windshield Washer Solvent Heater (XA7)
(4)Fuse Block - Underhood
(5)Battery - Left (Diesel/6A6/T92)
(6)Windshield Washer Fluid Level Switch
(7)Windshield Washer Fluid Pump
(8)Air Cleaner Box
Figure 15:

Rear of the Engine Compartment Components (4.3L)


Object Number: 1888657  Size: LF
(1)Battery Current Sensor (except MEX)
(2)Mega Fuse
(3)A/C Low Pressure Switch (C67/CJ2)
(4)Fuse Block - Underhood
(5)Engine Control Module (ECM)
(6)A/C Refrigerant Pressure Sensor (C67/CJ2)
(7)Mass Airflow (MAF)/Intake Air Temperature (IAT) Sensor
(8)Battery - Right
Figure 16:

Rear of the Engine Compartment Components (Diesel)


Object Number: 1870628  Size: LF
(1)Battery - Right
(2)Fuse Holder
(3)X127
(4)X108
(5)X107
(6)X123 (PTO)
(7)Fuse Block - Underhood
(8)X109
(9)Battery - Left
(10)Engine Control Module (ECM)
(11)Transmission Control Module (TCM) (MX7)
Figure 17:

Rear of the Engine Compartment Components (TP2)


Object Number: 1934393  Size: LF
(1)Fuse Holder
(2)Auxiliary Battery Run Relay
(3)Auxiliary Battery Harness
(4)Auxiliary Battery Relay
(5)X122