GM Service Manual Online
For 1990-2009 cars only
Figure 1:

Park Lamps


Object Number: 1956528  Size: FS
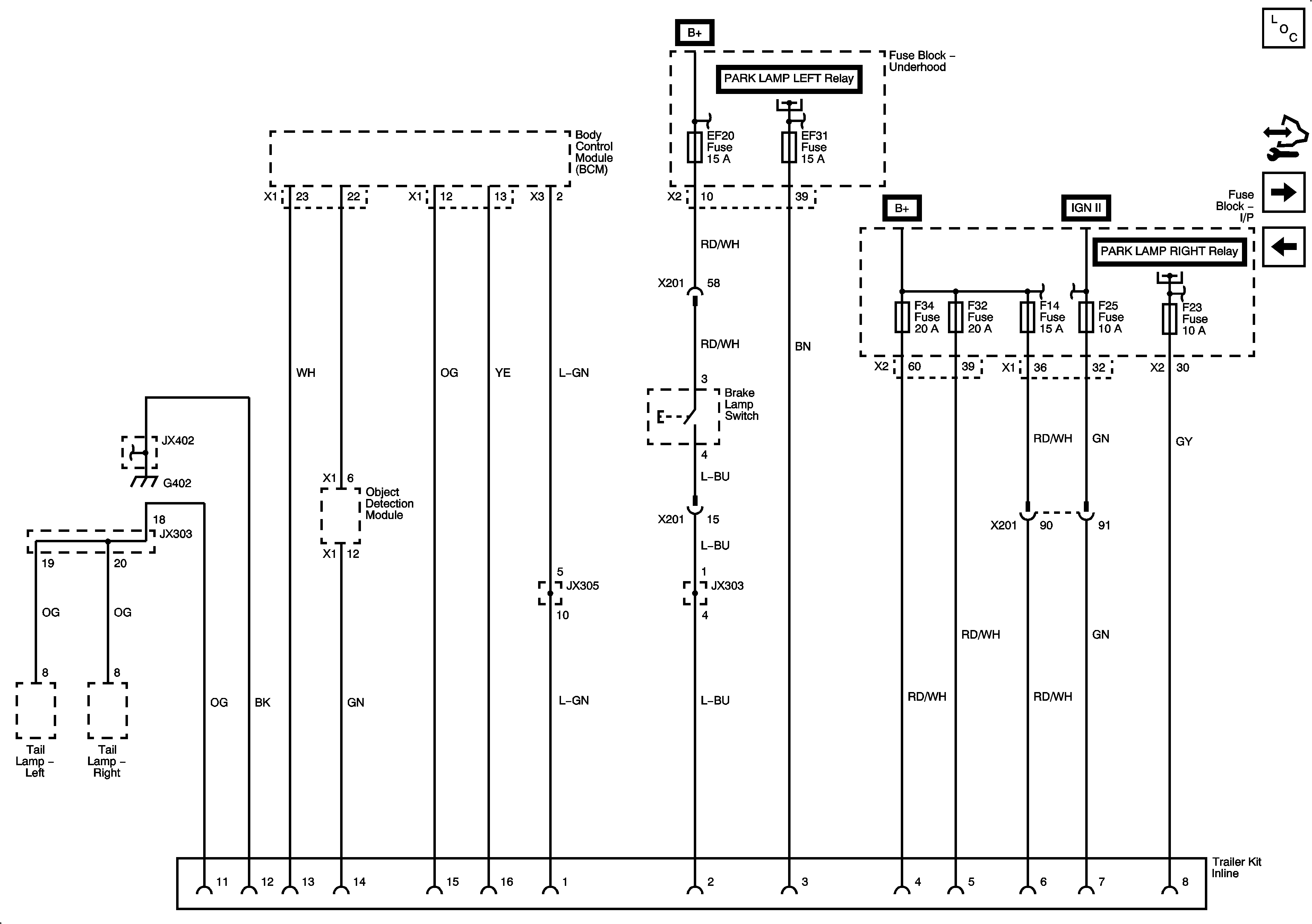
Master Electrical Component List
Control Module References
Park Lamps - C105/Short Body
EF30, EF31, F4, F21, F22, F23 Fuses
G401 (2 of 2)
G101, G103, G105
G402
Figure 2:

Park Lamps - C105/Short Body


Object Number: 1956529  Size: FS
Master Electrical Component List
Control Module References
Stop and Backup Lamps
Park Lamps
EF30, EF31, F4, F21, F22, F23 Fuses
EF30, EF31, F4, F21, F22, F23 Fuses
EF30, EF31, F4, F21, F22, F23 Fuses
G101, G103, G105
G401 (2 of 2)
G402
G301 (2 of 3)
Figure 3:

Stop and Back Up Lamps


Object Number: 1956530  Size: FS
Master Electrical Component List
Control Module References
Turn Signal Lamps
Park Lamps - C105/Short Body
EF1, 4, 16, 18, 19, 20, 23 Fuses
EF7, F6, 8, 9, 13, 17, 20, 25, 27, 29 Fuses, Run/Crank, Rear Fog Lamps, Outside Rearview Mirror, liftgate Glass Relays
Trailer Lighting - V92
G401 (2 of 2)
G402
G401 (2 of 2)
Figure 4:

Turn Signal Lamps


Object Number: 1956531  Size: FS
Master Electrical Component List
Control Module References
Trailer Lighting - V92
Stop and Backup Lamps
G201 (1 of 2)
G401 (2 of 2)
G402
G101, G103, G105
G301 (1 of 3)
Figure 5:

Trailer Connector Provisions - V92


Object Number: 1956610  Size: FS
Master Electrical Component List
Control Module References
Trailer Lighting - V92 (C105/Short Body)
Turn Signal Lamps
EF30, EF31, F4, F21, F22, F23 Fuses
EF30, EF31, F4, F21, F22, F23 Fuses
EF30, EF31, F4, F21, F22, F23 Fuses
F3, 5, 28, 32, 34 Fuses
F3, 5, 28, 32, 34 Fuses
F3, 5, 28, 32, 34 Fuses
EF2, F11, 12, 14, 16, 19, 24, 26, 31 35 Fuses
EF7, F6, 8, 9, 13, 17, 20, 25, 27, 29 Fuses, Run/Crank, Rear Fog Lamps, Outside Rearview Mirror, liftgate Glass Relays
Data Link Connector (DLC)
Fog Light Schematics
Stop and Backup Lamps
G402
G201 (1 of 2)
Figure 6:

Trailer Connector Provisions - V92 (C105/Short Body)


Object Number: 1956612  Size: FS
Master Electrical Component List
Control Module References
Trailer Lighting - V2S
Trailer Lighting - V92
EF30, EF31, F4, F21, F22, F23 Fuses
EF30, EF31, F4, F21, F22, F23 Fuses
EF30, EF31, F4, F21, F22, F23 Fuses
EF30, EF31, F4, F21, F22, F23 Fuses
F3, 5, 28, 32, 34 Fuses
EF2, F11, 12, 14, 16, 19, 24, 26, 31 35 Fuses
EF7, F6, 8, 9, 13, 17, 20, 25, 27, 29 Fuses, Run/Crank, Rear Fog Lamps, Outside Rearview Mirror, liftgate Glass Relays
Data Link Connector (DLC)
G402
G201 (1 of 2)
Figure 7:

Trailer Connector Provisions - V2S


Object Number: 1956617  Size: FS
Master Electrical Component List
Control Module References
Trailer Lighting - V2S (UK)
Trailer Lighting - V92 (C105/Short Body)
EF1, 4, 16, 18, 19, 20, 23 Fuses
EF5, 13, 16, 24, 31, 32 Fuses, Starter, Park Lamps, Fuel Pump Relays
F3, 5, 28, 32, 34 Fuses
EF7, F6, 8, 9, 13, 17, 20, 25, 27, 29 Fuses, Run/Crank, Rear Fog Lamps, Outside Rearview Mirror, liftgate Glass Relays
EF30, EF31, F4, F21, F22, F23 Fuses
G402
Figure 8:

Trailer Connector Provisions - V2S (U.K.)


Object Number: 1956618  Size: FS
Master Electrical Component List
Control Module References
Trailer Lighting V2S (C100/Long Body)
Trailer Lighting - V2S
EF1, 4, 16, 18, 19, 20, 23 Fuses
EF5, 13, 16, 24, 31, 32 Fuses, Starter, Park Lamps, Fuel Pump Relays
F3, 5, 28, 32, 34 Fuses
EF30, EF31, F4, F21, F22, F23 Fuses
G402
Figure 9:

Trailer Connector Provisions V2S (C100/Long Body)


Object Number: 1998955  Size: FS
Master Electrical Component List
Control Module References
Trailer Lighting V2S w/UA8 (C100/Long Body)
Trailer Lighting - V2S (UK)
EF1, 4, 16, 18, 19, 20, 23 Fuses
EF30, EF31, F4, F21, F22, F23 Fuses
F3, 5, 28, 32, 34 Fuses
EF7, F6, 8, 9, 13, 17, 20, 25, 27, 29 Fuses, Run/Crank, Rear Fog Lamps, Outside Rearview Mirror, liftgate Glass Relays
G402
Figure 10:

Trailer Connector Provisions V2S w/UA8 (C100/Long Body)


Object Number: 1998958  Size: FS
Master Electrical Component List
Control Module References
Trailer Lighting V2S w/o UA8 (C100/Long Body)
Trailer Lighting V2S (C100/Long Body)
EF1, 4, 16, 18, 19, 20, 23 Fuses
EF5, 13, 16, 24, 31, 32 Fuses, Starter, Park Lamps, Fuel Pump Relays
F3, 5, 28, 32, 34 Fuses
Fog Light Schematics
G402
Figure 11:

Trailer Connector Provisions V2S without UA8 (C100/Long Body)


Object Number: 1998959  Size: FS
Master Electrical Component List
Control Module References
Trailer Lighting V2S w/UA8 (C100/Long Body)
EF1, 4, 16, 18, 19, 20, 23 Fuses
EF5, 13, 16, 24, 31, 32 Fuses, Starter, Park Lamps, Fuel Pump Relays
F3, 5, 28, 32, 34 Fuses
EF7, F6, 8, 9, 13, 17, 20, 25, 27, 29 Fuses, Run/Crank, Rear Fog Lamps, Outside Rearview Mirror, liftgate Glass Relays
G402