GM Service Manual Online
For 1990-2009 cars only
Makes
🢒
GMC_Truck
🢒
2007
🢒
TopKick C-Series (Conventional) C4/C5
🢒
Body Systems
🢒
Mirrors
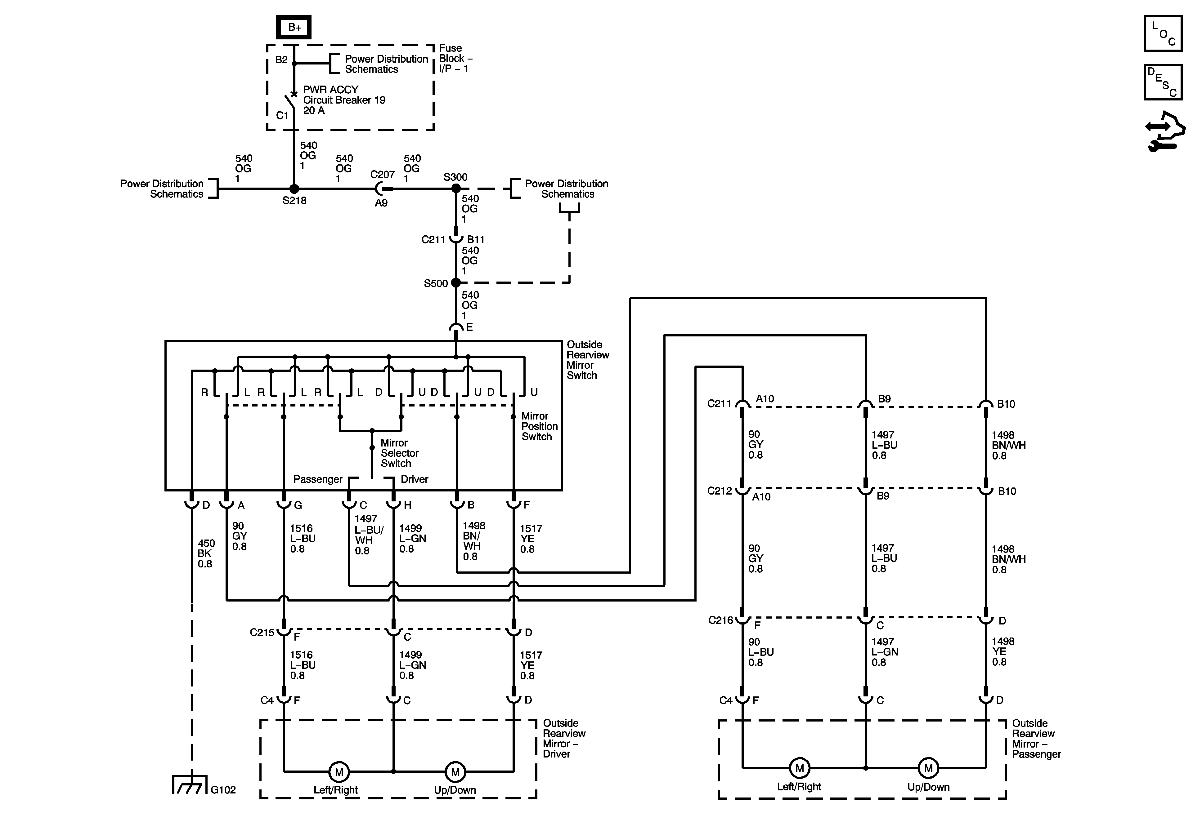
🢒 Outside Rearview Mirror Schematics
Outside Rearview Mirror Schematics w/DB6
Master Electrical Component List
Outside Mirror Description and Operation (Power Mirrors)
Control Module References
BAT/HAZ, HAZRD, PWR/ACCY, STOP, and TRLR Fuses/Circuit Breakers
G102 - 1 of 2
BAT/HAZ, HAZRD, PWR/ACCY, STOP, and TRLR Fuses/Circuit Breakers
BAT/HAZ, HAZRD, PWR/ACCY, STOP, and TRLR Fuses/Circuit Breakers
Outside Rearview Mirror Schematics w/DB8
Master Electrical Component List
Outside Mirror Description and Operation (Heated Mirrors)
Control Module References
AUX WIRE and IGN 4 - Fuses/Circuit Breakers
G103 - 1 of 2, G105, and G106
G101 - 2 of 2
G102 - 1 of 2
G102 - 1 of 2