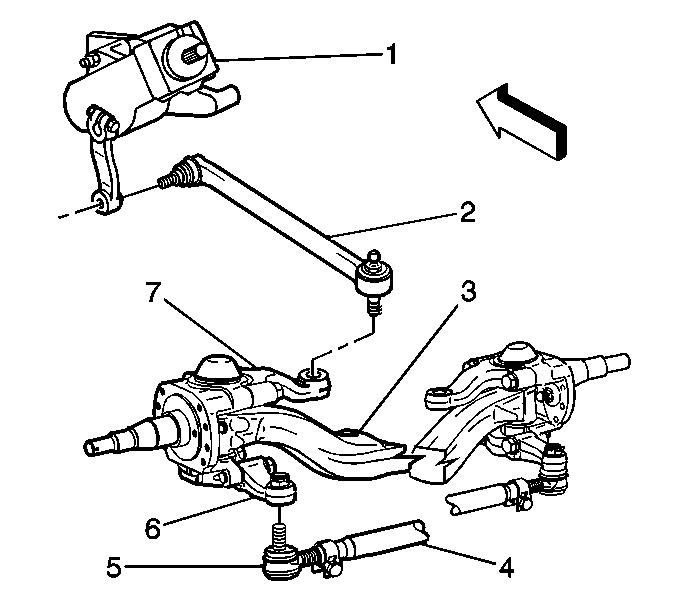
The steering linkage consists
of the following components:
The turning motion of the steering wheel is transmitted
through the steering gear (1) and the pitman arm to the relay rod.
The relay rod (2) incorporates a ball joint at each end. The relay rod
is connected to the forward steering arm (7) on the left side. The tie rod
tube (4) extends the length of the axle, which controls the right wheel.
The tie rod tube connects the right and left tie rod ends (5) to the
tie rod arms (6).
The overall condition of the steering linkage affects the steering performance.
Inspect the steering linkage components for the following conditions:
The above conditions may cause improper and possibly dangerous steering
action.
Inspect the steering geometry and the front end alignment whenever any
steering linkage components are repaired or replaced. Refer to
Front Caster Adjustment
or
Front Camber Adjustment
or
Front Toe Adjustment
.