GM Service Manual Online
For 1990-2009 cars only
Makes
🢒
GMC_Truck
🢒
2007
🢒
TopKick C-Series (Conventional) C6/C7/C8
🢒 w/o LG52 of 2
w/o LG52 of 2
w/o LG5 2 of 2
Master Electrical Component List
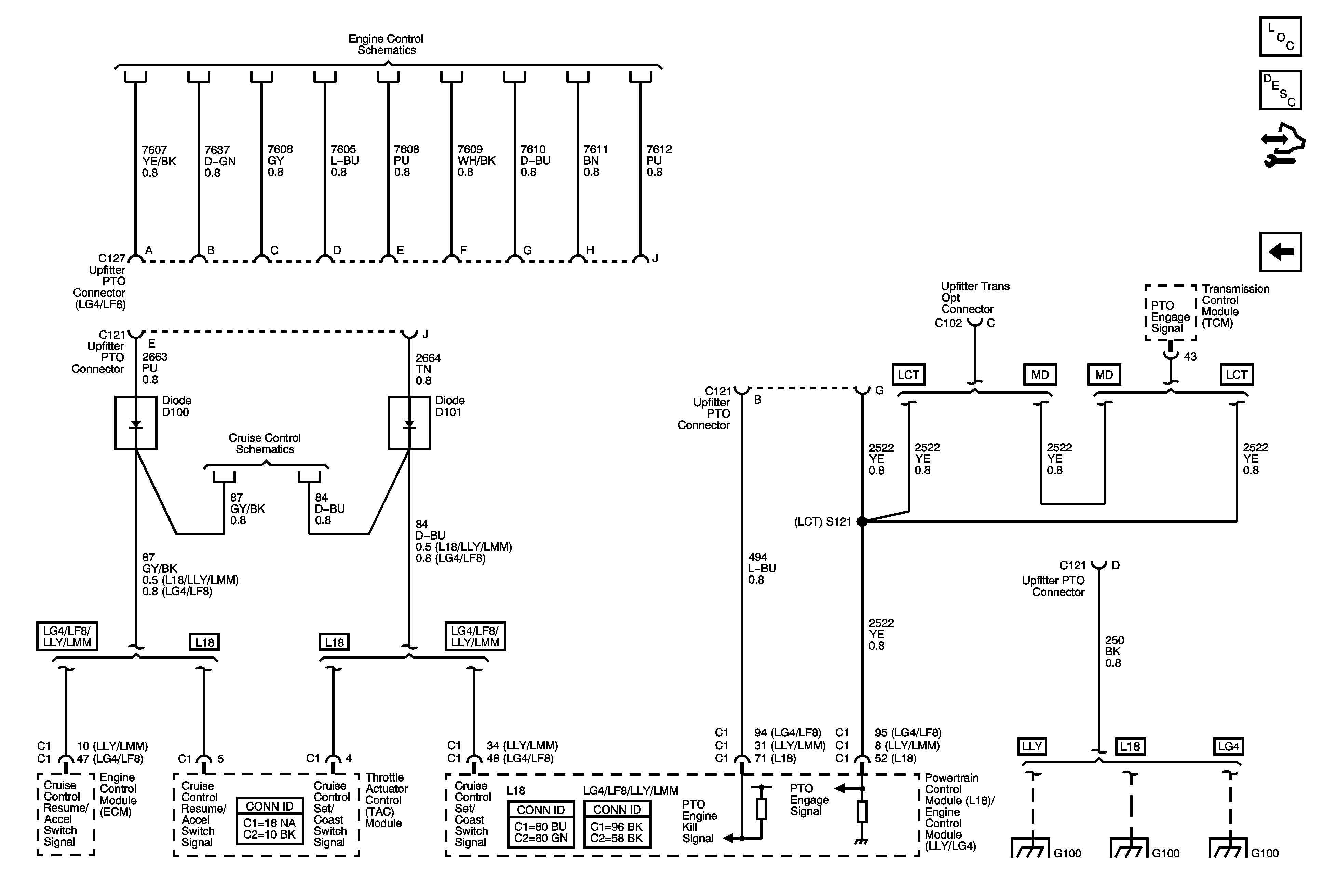
Power Take-Off (PTO) Description and Operation
Control Module References
w/o LG5 1 of 2
Cruise Control Schematics - L18
G100 - LLY
G100 - L18
G100 - LG4