GM Service Manual Online
For 1990-2009 cars only

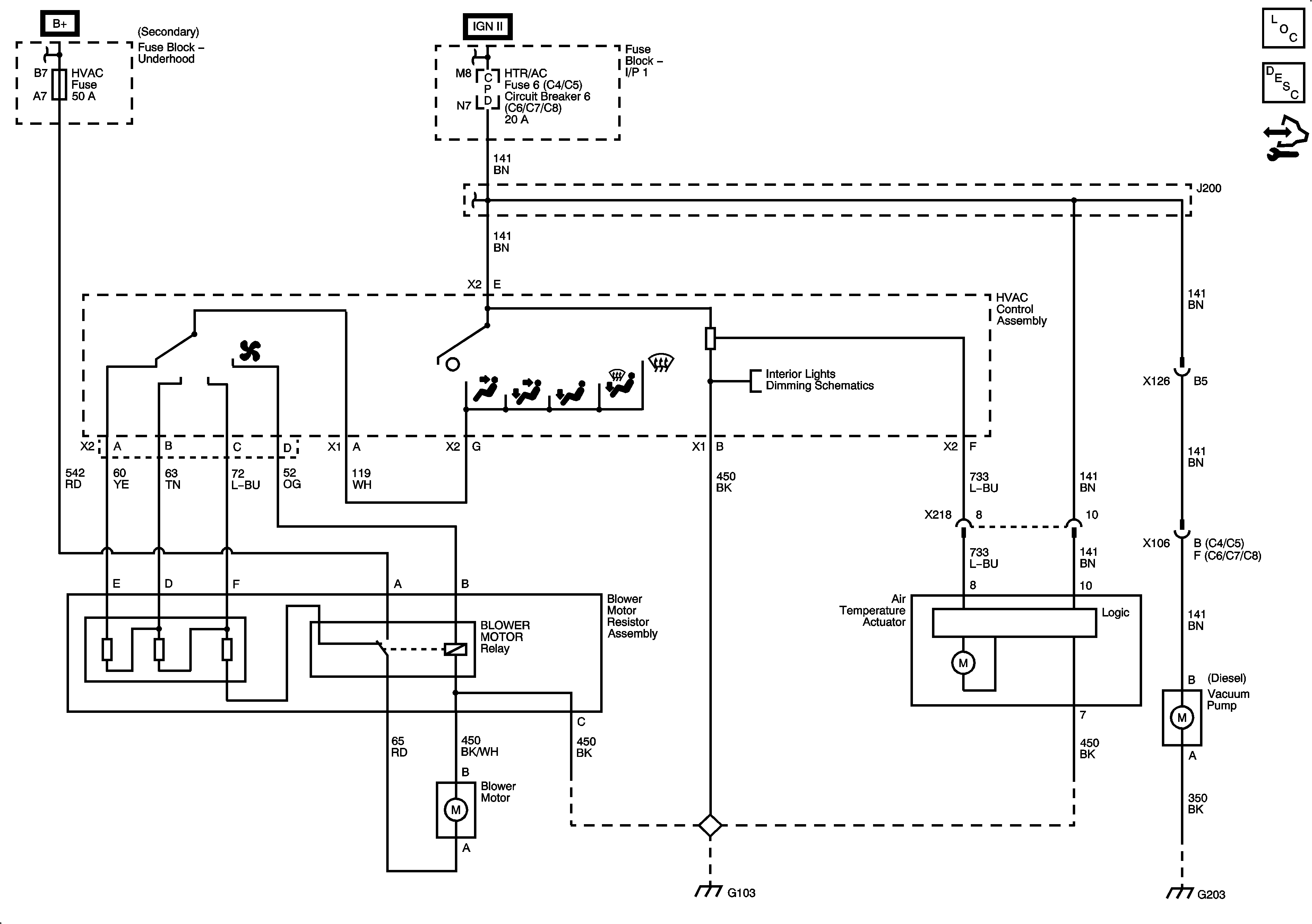
HVAC Schematics C40


Object Number: 1908509  Size: FS
Master Electrical Component List
Air Delivery Description and Operation
Control Module References
IGN-4, ELEC BRK/BRKLP, HDLP, MKR LTS, PWR WNDW, DRL, and RADIO Fuses/Circuit Breakers
AXL/4WD, BRK, HYD/AIR BRK, and HTR/AC Fuses/Circuit Breakers
AXL/4WD, BRK, HYD/AIR BRK, and HTR/AC Fuses/Circuit Breakers
G103 - 1 of 2, G105, and G106
Interior Lights Dimming Schematics
G112, G113, G203 - 4 of 4, G204, G205, and G400

HVAC Schematics C60

Figure 1:

Blower Controls


Object Number: 1908513  Size: FS
Master Electrical Component List
Air Delivery Description and Operation
Control Module References
A/C Compressor Controls - L18/LMM
IGN-4, ELEC BRK/BRKLP, HDLP, MKR LTS, PWR WNDW, DRL, and RADIO Fuses/Circuit Breakers
A/C Compressor Controls - L18/LMM
08 MD-560C HVAC Schematics (C60) - A/C Compressor Controls - LF6/LF8
AXL/4WD, BRK, HYD/AIR BRK, and HTR/AC Fuses/Circuit Breakers
AXL/4WD, BRK, HYD/AIR BRK, and HTR/AC Fuses/Circuit Breakers
G103 - 1 of 2, G105, and G106
G112, G113, G203 - 4 of 4, G204, G205, and G400
Figure 2:

A/C Compressor Controls - L18/LMM


Object Number: 1908517  Size: FS
Master Electrical Component List
Air Delivery Description and Operation
Control Module References
08 MD-560C HVAC Schematics (C60) - A/C Compressor Controls - LF6/LF8
Blower Controls
Blower Controls
AXL/4WD, BRK, HYD/AIR BRK, and HTR/AC Fuses/Circuit Breakers
AXL/4WD, BRK, HYD/AIR BRK, and HTR/AC Fuses/Circuit Breakers
FUEL Fuse/Circuit Breaker - L18/LMM, PCV Circuit Breaker - LF8, and ECM-B Circuit Breaker - LF6
G100 - LMM
G100 - L18
Figure 3:

A/C Compressor Controls - LF6/LF8


Object Number: 1908520  Size: FS
Master Electrical Component List
Air Delivery Description and Operation
Control Module References
A/C Compressor Controls - L18/LMM
Blower Controls
FUEL Fuse/Circuit Breaker - L18/LMM, PCV Circuit Breaker - LF8, and ECM-B Circuit Breaker - LF6
G100 - LF8
G100 - LF6

HVAC Schematics C36


Object Number: 1908524  Size: FS
Master Electrical Component List
Air Delivery Description and Operation
Control Module References
AXL/4WD, BRK, HYD/AIR BRK, and HTR/AC Fuses/Circuit Breakers
AXL/4WD, BRK, HYD/AIR BRK, and HTR/AC Fuses/Circuit Breakers
BAT/HAZ, HAZRD, PWR/ACCY, STOP, and TRLR Fuses/Circuit Breakers
BAT/HAZ, HAZRD, PWR/ACCY, STOP, and TRLR Fuses/Circuit Breakers
G102 - 2 of 2