GM Service Manual Online
For 1990-2009 cars only

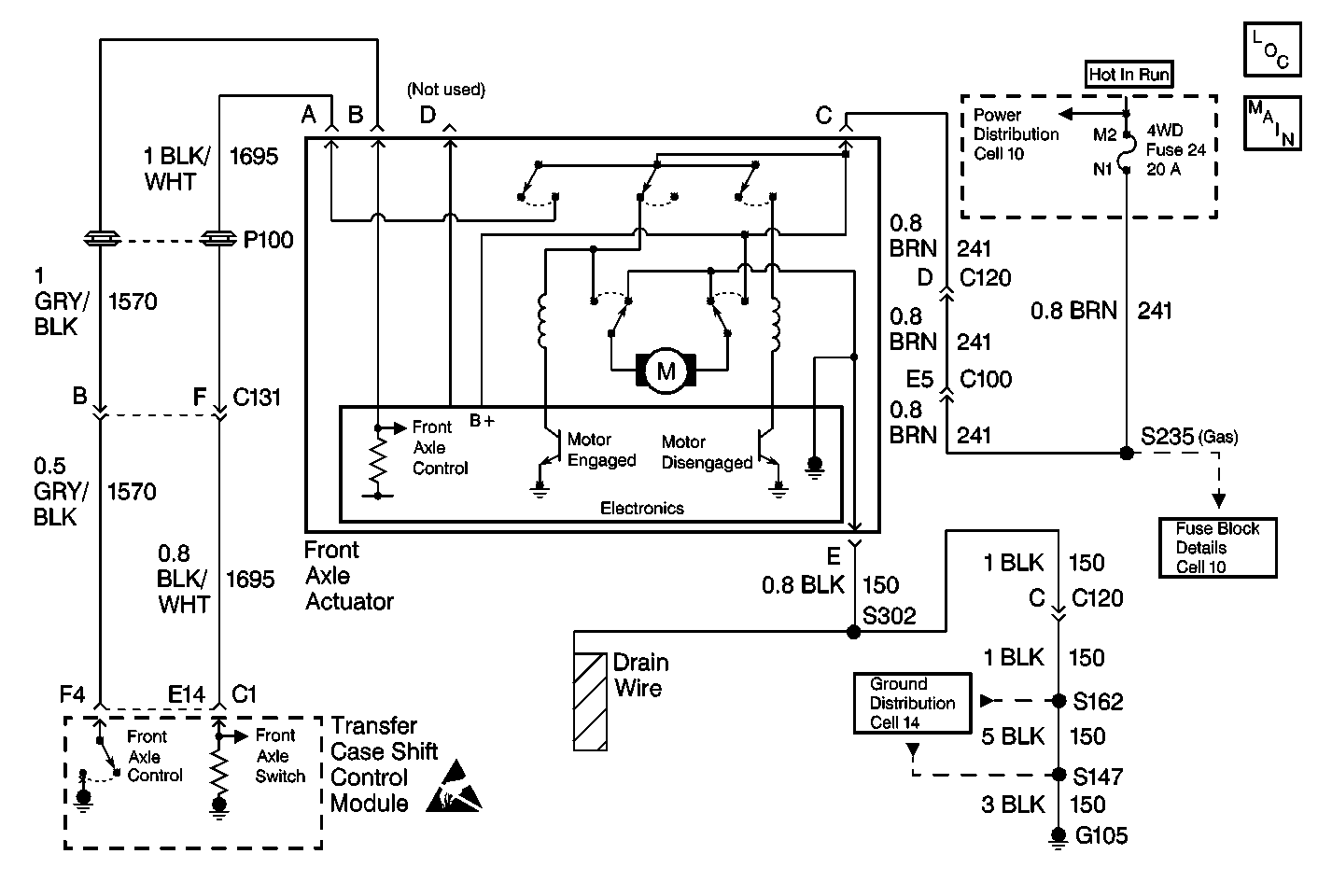
Object Number: 376373  Size: MF
Transfer Case Control Components
Transfer Case Control Schematics

Circuit Description

The transfer case shift control module controls the engagement and disengagement of the front axle by grounding (engaging) CKT 1570. The front axle will be disengaged in 2H and neutral only, it should be engaged in the all other modes. This DTC detects a shorted actuator, a short to 12 V on CKT 1570.

Conditions for Setting the DTC

    • The system will try to engage the front axle. If it can not engage the front axle, the system will not attempt it again during that ignition cycle.
    •  The transfer case shift control module reads back the front axle output as a high voltage when a low voltage is expected.

Action Taken When the DTC Sets

    • All shifting for 4WD and AUTO (Adapt) mode will be disabled.
    • The SERVICE indicator (AWD/4WD) lamp will be latched on for the remainder of the current ignition cycle.

Conditions for Clearing the DTC

    • The transfer case shift control module will clear the DTC if the condition for setting the DTC no longer exists.
    • A history DTC will clear after 100 consecutive ignition cycle without a fault present.
    • History DTCs can be cleared using a scan tool.

Test Description

The number(s) below refer to the step number(s) on the diagnostic table.

  1. This test will determine if CKT 1570 is shorted to voltage.

  2. This test will determine if whether the short to voltage in CKT 1570 is the result of an internal short to power within the transfer case shift control module.

Step

Action

Value(s)

Yes

No

1

Was the Transfer Case Diagnostic System Check performed?

--

Go to Step 2

Go to Transfer Case Diagnostic System Check

2

  1. Turn the ignition OFF.
  2. Disconnect front axle switch/actuator connector.
  3. Connect a J 39200 Digital Multimeter DMM from the front axle actuator harness connector terminal B to ground.
  4. Turn the ignition to RUN, engine OFF.

Is the voltage reading greater than the specified values?

0-0.5 V

Go to Step 4

Go to Step 3

3

Replace the front axle switch/actuator. Refer to Electric Motor Actuator Replacement .

Is the repair complete?

--

Go to Step 7

--

4

  1. Turn the ignition OFF.
  2. Disconnect both transfer case shift control module harness connectors.
  3. Connect a J 39200 DMM between the front axle actuator harness connector terminal B to ground.

Is the voltage reading greater than the specified values?

0-0.5 V

Go to Step 5

Go to Step 6

5

Repair short to voltage in CKT 1570. Refer to Wiring Repairs in Wiring Systems.

Is the repair complete?

--

Go to Step 7

--

6

Replace the transfer case shift control module. Refer to Transfer Case Shift Control Module Replacement

Is the action complete?

--

Go to Step 7

--

7

  1. Ensure the ignition is OFF.
  2. Properly mount and reconnect all previously disconnected ATC components.

Have all the ATC components been reconnected and properly mounted?

--

Go to Step 8

--

8

Clear all ATC DTCs.

Have all the ATC DTCs been cleared?

--

Go to Transfer Case Diagnostic System Check

--