GM Service Manual Online
For 1990-2009 cars only
Makes
🢒
GMC_Truck
🢒
2008
🢒
Yukon - 4WD
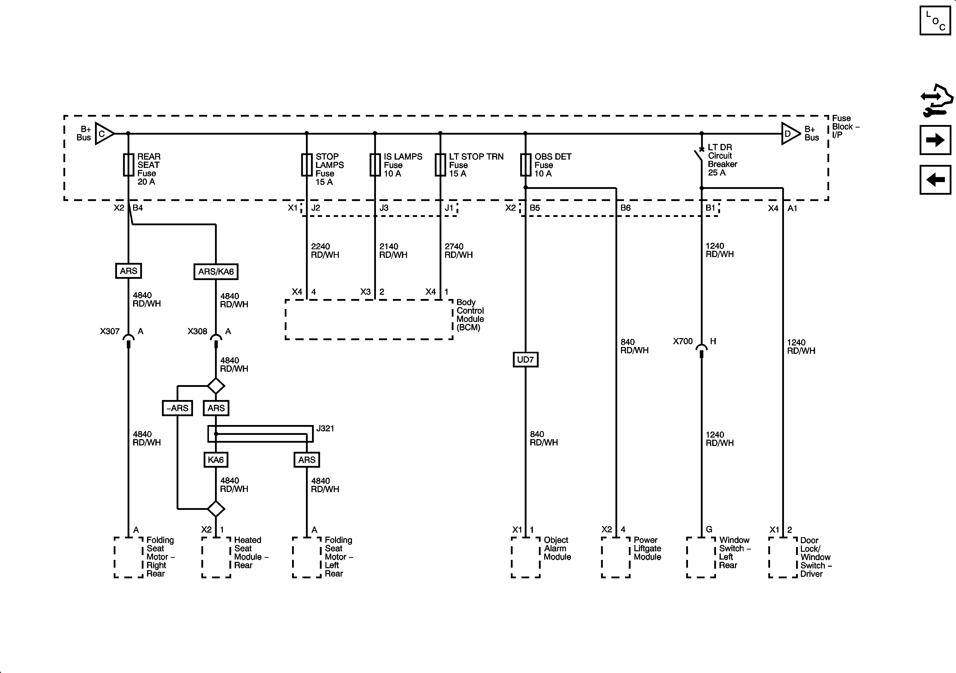
🢒 IS LAMPS, LT STOP TRN, OBS DET, REAR SEAT, and STOP LAMPS Fuses and LT DR Circuit Breaker
IS LAMPS, LT STOP TRN, OBS DET, REAR SEAT, and STOP LAMPS Fuses and LT DR Circuit Breaker
IS LAMPS, LT STOP TRN, OBS DET, REAR SEAT, and STOP LAMPS Fuses and LT DR Circuit Breaker
Master Electrical Component List
Control Module References
LCK 1, LCK 2, UNLCK 1, UNLCK 2, INFO, and REAR SEAT ENT Fuses
AUX PWR, AUX PWR 2, LBEC 2, PDM, and REAR WPR Fuses
AUX PWR, AUX PWR 2, LBEC 2, PDM, and REAR WPR Fuses
LCK 1, LCK 2, UNLCK 1, UNLCK 2, INFO, and REAR SEAT ENT Fuses