GM Service Manual Online
For 1990-2009 cars only
Makes
🢒
GMC_Truck
🢒
2008
🢒
Yukon - 4WD
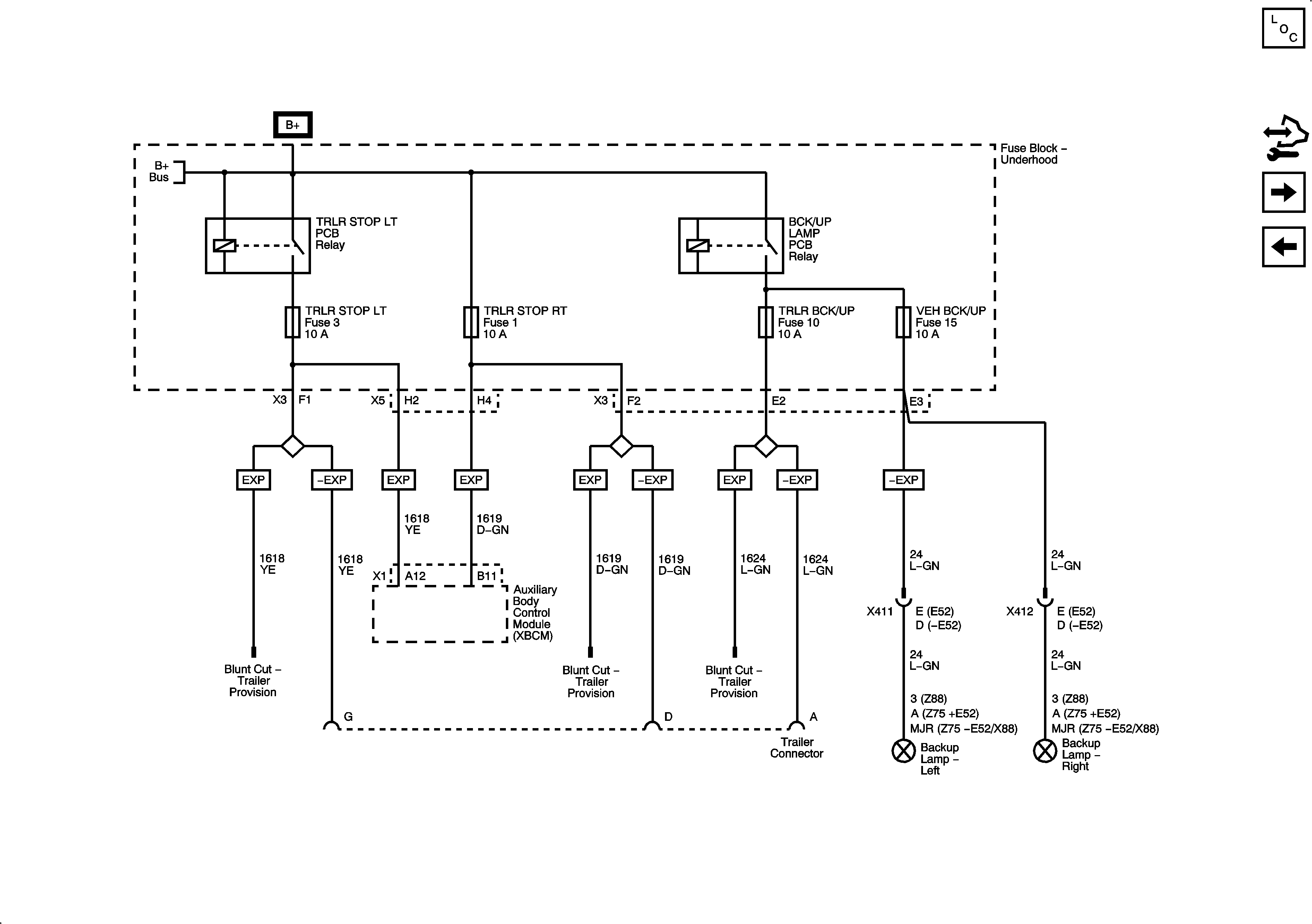
🢒 TRLR BCK/UP, TRLR STOP LT, TRLR STOP RT, and VEH BCK/UP Fuses
TRLR BCK/UP, TRLR STOP LT, TRLR STOP RT, and VEH BCK/UP Fuses
TRLR BCK/UP, TRLR STOP LT, TRAILER STOP RT, and VEH BCK/UP Fuses
Master Electrical Component List
Control Module References
DLIS Fuse and Ignition Switch
AIRBAG, SEO B1, and SEO B2 Fuses