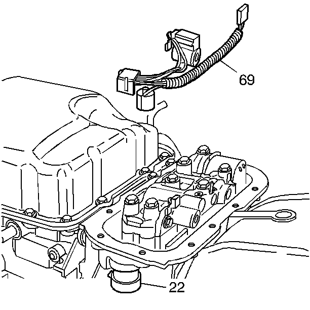
- Disconnect the adapter
case wiring harness from the electrical components.
Notice: Excessive force on the case pass through connector may damage the connector.
- Remove the adapter case wiring harness (69).
- If the wire harness assembly does not need servicing, it is not
necessary to remove it from the case. Remove the adapter case electrical
connector (22) from the case.