GM Service Manual Online
For 1990-2009 cars only
Makes
🢒
Generic
🢒
2003
🢒
Unit Repair
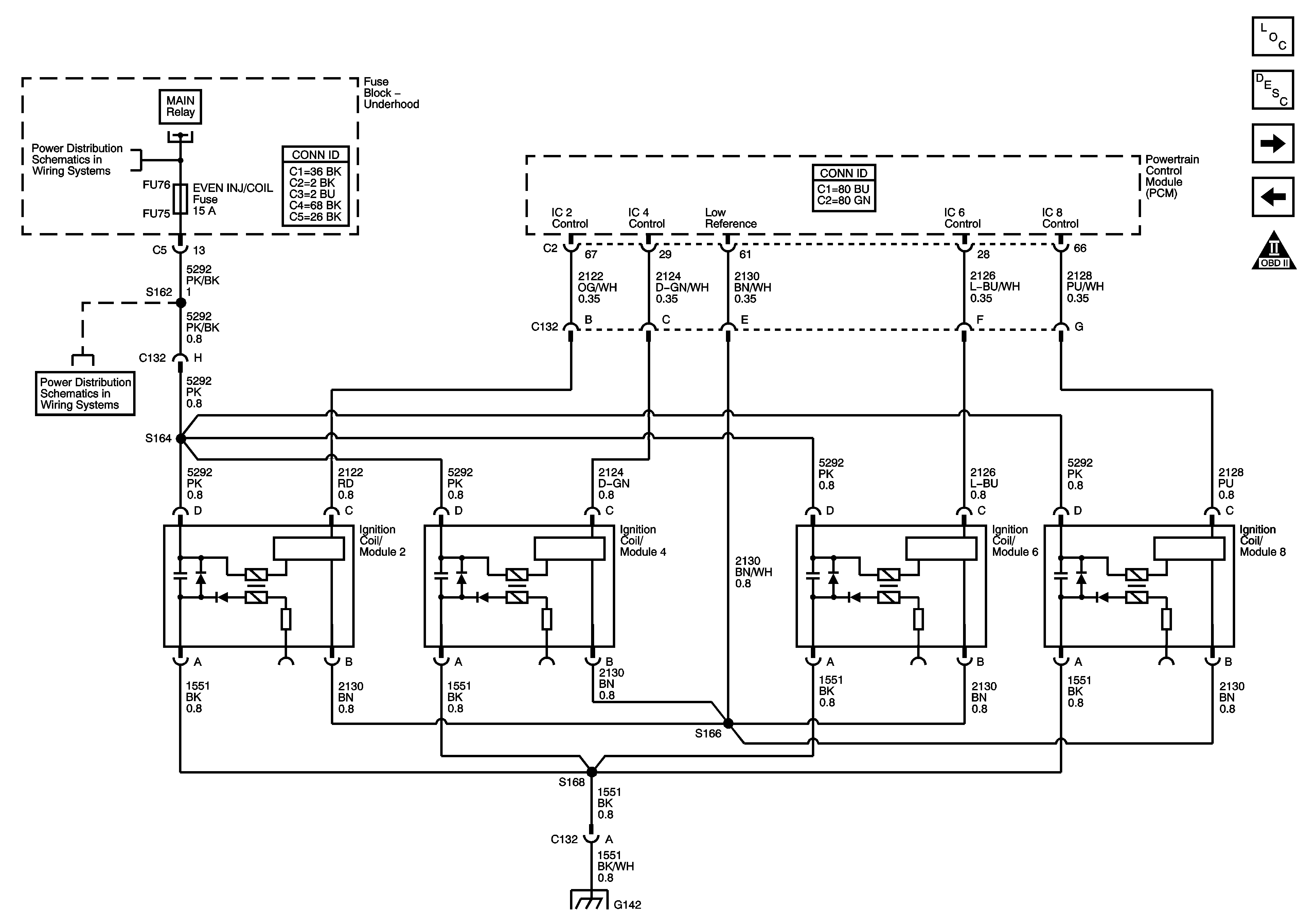
🢒 Ignition Controls - Even Ignition Coils
Ignition Controls - Even Ignition Coils
Ignition Controls - Even Ignition Coils
Master Electrical Component List
Electronic Ignition (EI) System Description
Ignition Controls - Knock, CKP and CMP Sensors
Ignition Controls - Odd Ignition Coils
OBD II Symbol Description Notice
Power, Ground, Serial Data, DIC and Indicator (LS6)
Underhood Fuse Block B+ Bus - 2 of 2
Underhood Fuse BLock EVEN INJ/COIL Fuse
G140, G141 and G142 - 5.7L (LS6)