GM Service Manual Online
For 1990-2009 cars only
Makes
🢒
Generic
🢒
2003
🢒
Unit Repair
🢒 Starting
Starting
Starting
Master Electrical Component List
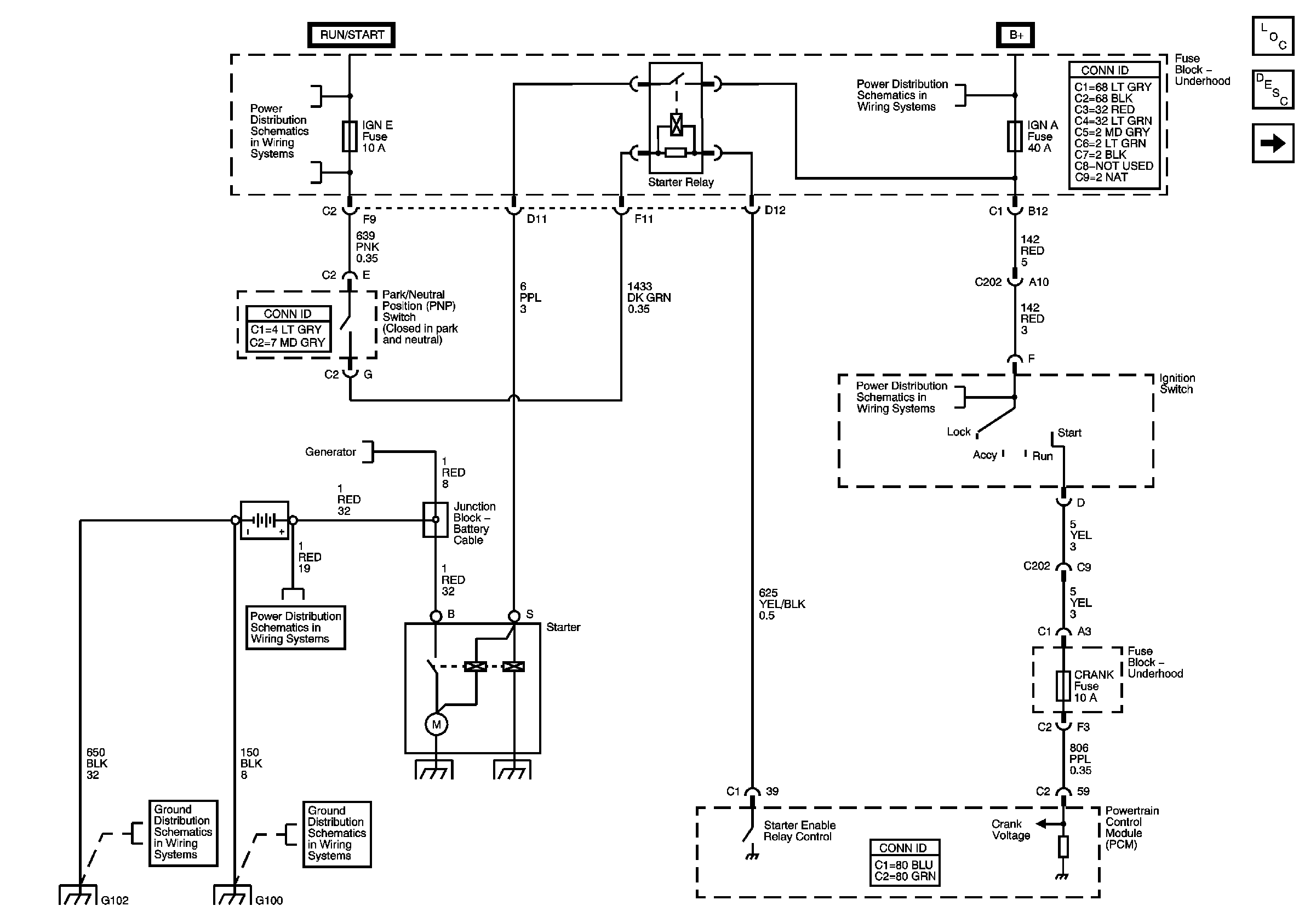
Starting System Description and Operation
Charging
ACCY/RUN/ and RUN/START Bus Bars
B+ Bus
ACCY/RUN/START, RUN, and START Bus Bars, CRANK Fuse
Charging
B+ Bus
G105 and G100
G102 and G103