GM Service Manual Online
For 1990-2009 cars only
Makes
🢒
Generic
🢒
2003
🢒
Unit Repair
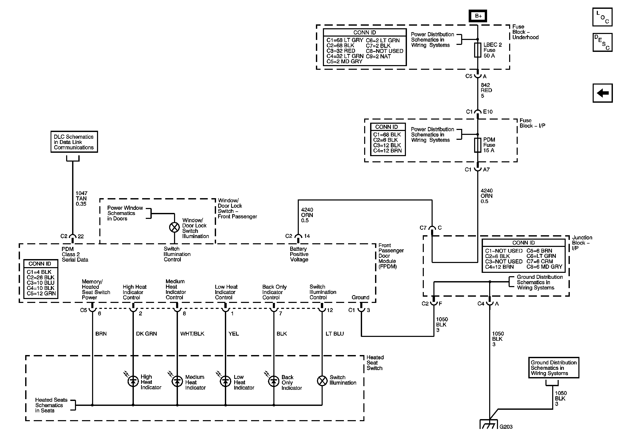
🢒 2003 N Truck Int. Lts. Dimming (Front Passenger Window, Door, and Seat Switches)
2003 N Truck Int. Lts. Dimming (Front Passenger Window, Door, and Seat Switches)
Front Passenger Window, Door, and Seat Switches
Master Electrical Component List
Interior Lighting Systems Description and Operation
Driver Window, Door, and Seat Switches
Power, Ground, DLC, and Splice Pack SP205
Front Door Windows
B+ Bus
LBEC 1, LBEC 2, INFO, PDM, AUX PWR, DDM, LOCKS, TBC 2A, 2B, and 2C Fuses, and LT DOOR Circuit Breaker
CKT 1050, S203, S215, S302, S303, and S351
CKT 1050, S203, S215, S302, S303, and S351
Front Passenger Heated Seat