GM Service Manual Online
For 1990-2009 cars only

Checks

Action

DEFINITION: The engine power output varies under a steady throttle or cruise. The vehicle seems to speed up and slow down with no change in the accelerator pedal position.

Preliminary Checks

    • Refer to Symptoms .
    • Educate the driver about normal A/C compressor operation.
    • Use a scan tool in order to verify that the reading of VSS matches the reading of the vehicle speedometer.

Sensor Check

    • Check the performance of the MAP sensor. Refer to DTC P0106 Manifold Absolute Pressure (MAP) System Performance Diagnostic Aids.
    • Check the performance of the heated oxygen sensor (HO2S) sensor 1 and the HO2S 2. Refer to Diagnostic Aids in DTC P0131 through DTC P0141.

Fuel System Checks

    • Determine whether a rich or lean fueling condition can cause the concern. Drive the vehicle at the speed of the concern. Monitor the Fuel Trim parameters on a scan tool in order to identify the fuel system status.
       - Lean -- The Long Term Fuel Trim value will be greater than 20%. Refer to DTC P0171 Fuel Trim System LeanDiagnostic Aids.
       - Rich -- The Long Term Fuel Trim value will be greater than -20%. Refer to DTC P0172 Fuel Trim System Rich Diagnostic Aids.
    • Check the fuel pressure when the condition occurs. Refer to Fuel System Diagnosis .
    • Check the fuel injector for a conical spray pattern and even flow.
    • Check that the fuel injector electrical resistance is 0.5-1.5 ohms at 20°C (68°F).
    • Check for contaminated fuel or inferior quality fuel. Refer to Alcohol/Contaminants-in-Fuel Diagnosis .

Ignition System Checks

    • Check for the proper secondary voltage output with a J 26792 spark tester or an equivalent.
    • Check the spark plugs for any of the following conditions:
       - Wet (fuel fouled) plugs.
       - A terminal screw that is bent or loose (rotate and pull).
       - A ceramic insulator that has cracks, carbon tracking or deposits (red or black dust)
       - A tip insulator that has cracks, carbon tracking, deposits (oil, carbon, glazing, fuel additive), or is loose (rattles).
       - A center electrode that is loose (wiggles side to side)
       - An incorrect spark plug gap that is too wide or too narrow.
       - Platinum pads that are missing.

Additional Checks

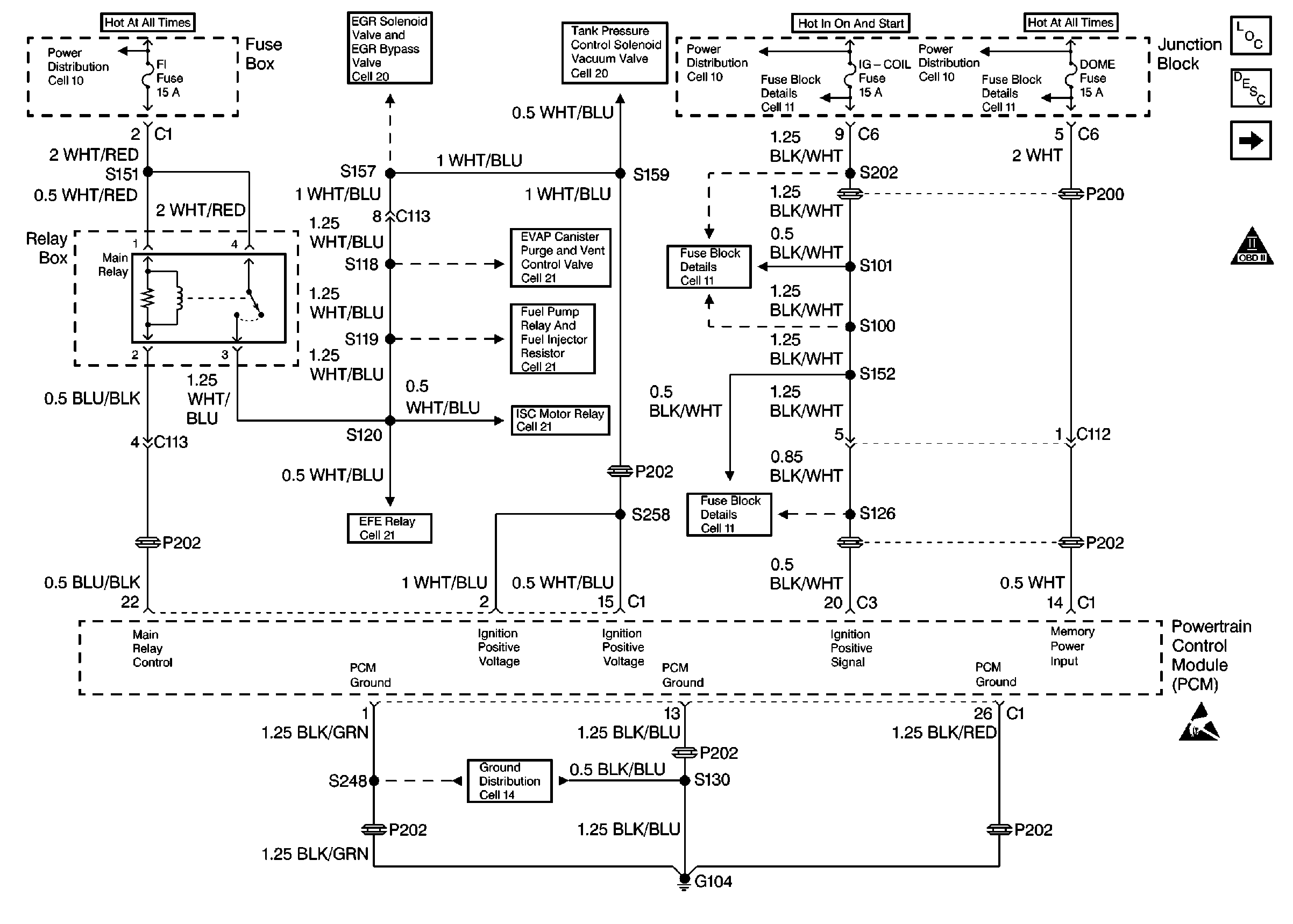
    • Check the PCM grounds for being clean, tight, and in the proper location. Refer to

PCM Power and Ground


Object Number: 61903  Size: FS
.
    • Check the generator output voltage.
    • Check the vacuum lines and hoses for leaks or restrictions. Refer to the Vehicle Emission Control Information label for the correct routing of vacuum lines.
    • Check for an intermittent EGR problem. Refer to Exhaust Gas Recirculation (EGR) System Diagnosis .