GM Service Manual Online
For 1990-2009 cars only
Figure 1:

PCM Power and Grounds


Object Number: 1578680  Size: FS
Figure 2:

PCM Data Link Connector (DLC)


Object Number: 1578684  Size: FS
Figure 3:

PCM Ignition System


Object Number: 1580919  Size: FS
Figure 4:

PCM Starter Signal


Object Number: 1580917  Size: FS
Figure 5:

PCM Fuel Supply System


Object Number: 1578689  Size: FS
Figure 6:

PCM Fuel Injection System


Object Number: 1578691  Size: FS
Figure 7:

PCM Engine Data Sensors


Object Number: 1578693  Size: FS
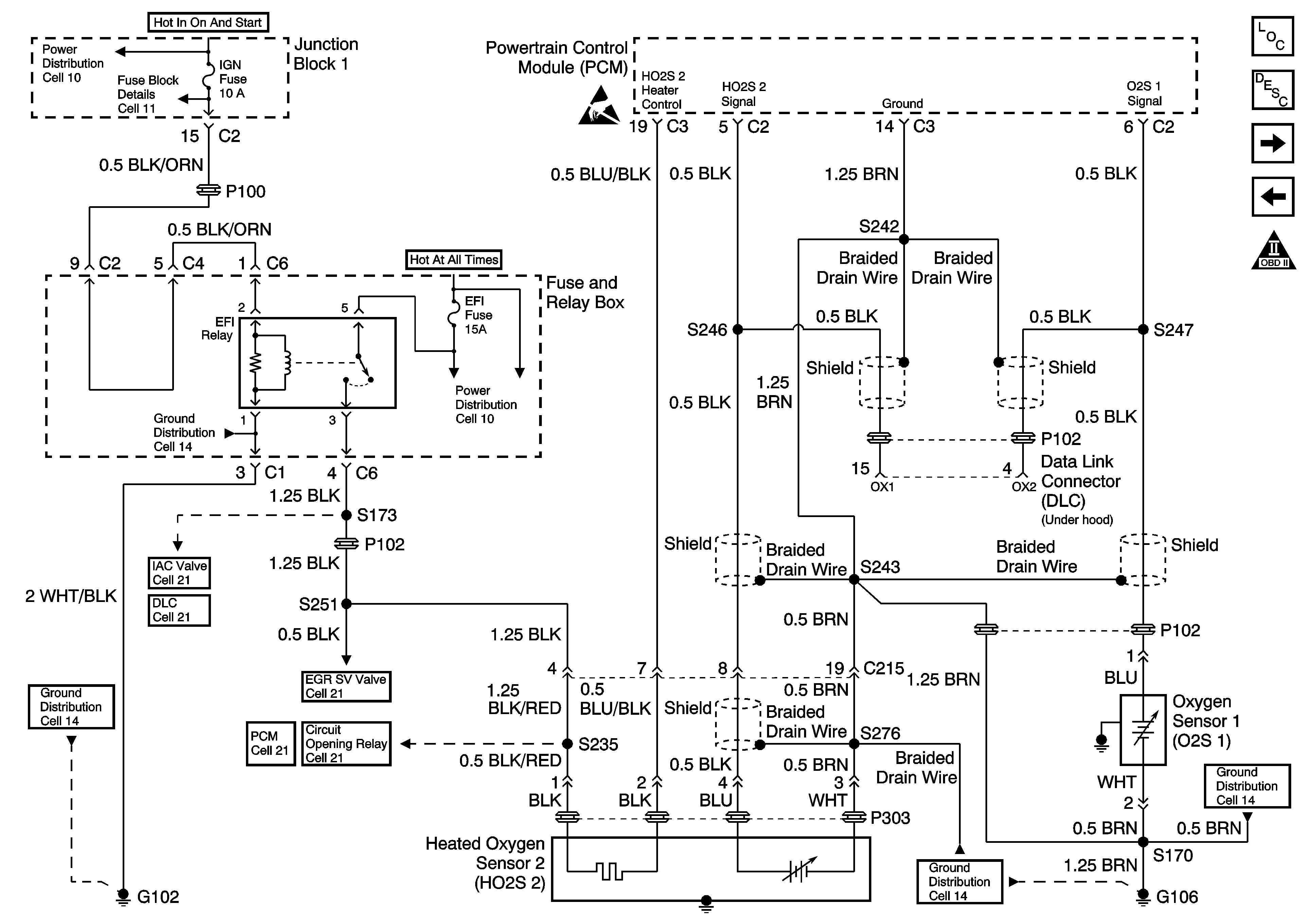
Figure 8:

PCM Oxygen Sensors (O2S)


Object Number: 1578695  Size: FS
Figure 9:

PCM Vehicle Speed Sensors


Object Number: 1578697  Size: FS
Figure 10:

PCM Output Controls


Object Number: 1578698  Size: FS
Figure 11:

PCM Idle Up Signals


Object Number: 1578699  Size: FS