VEHICLES
AFFECTED: 1991 "E/J" TRUCK
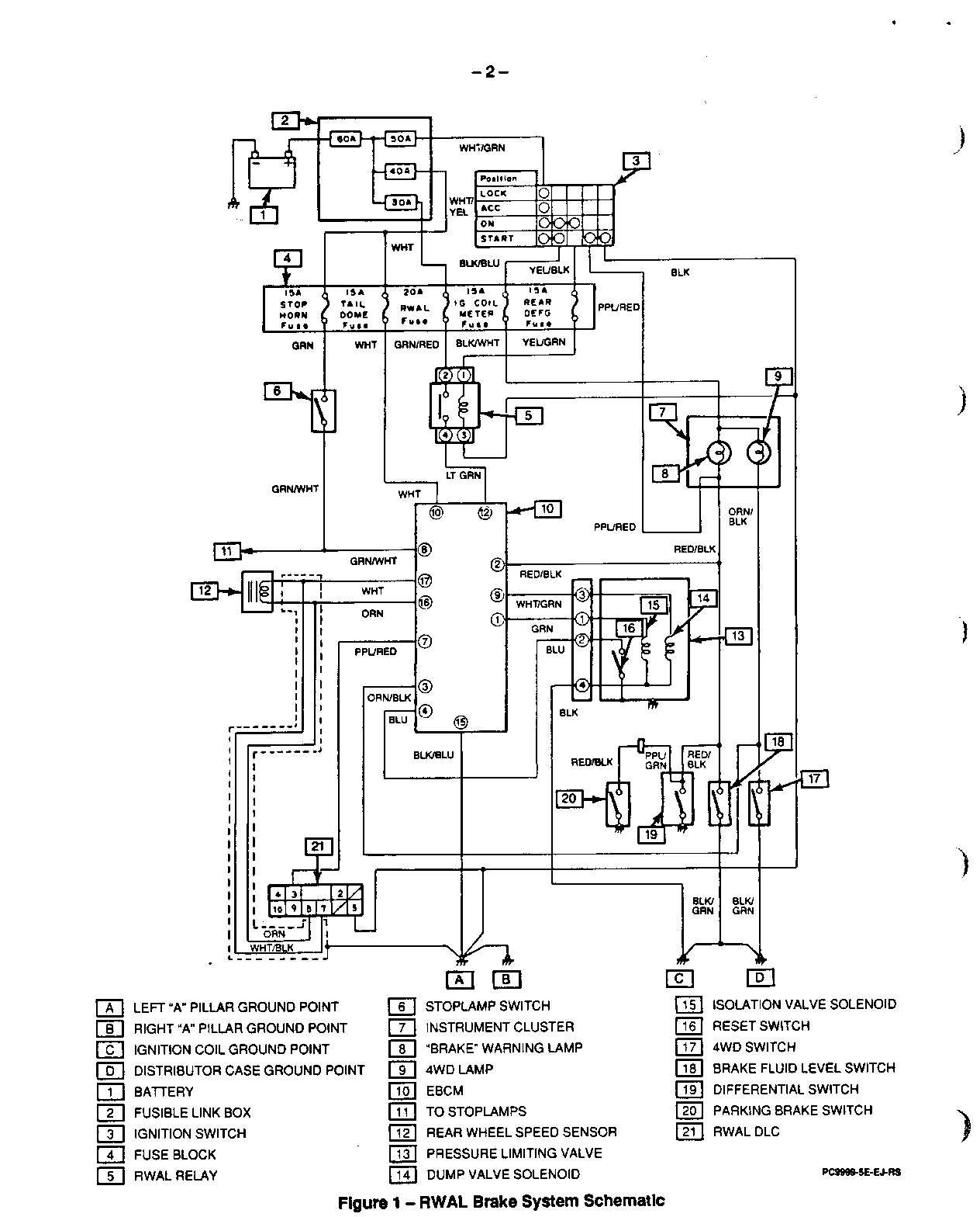
The following schematic and diagnostics replace those found in the 1991 Tracker Service Manual (ST377-91) Section 5El. Use the following schematic and charts when diagnosing the 1991 Tracker Rear Wheel Antilock (RWAL) Brake System.
Figure 1 RWAL Brake System Schematic Figure 2 Diagnostic Circuit Check - 1 of 3 Figure 3 Diagnostic Circuit Check - 2 of 3 Figure 4 Diagnostic Circuit Check - 3 of 3 Figure 5 RWAL Diagnostic Trouble Code (DTC) and Condition Table Figure 6 Diagnostic Trouble Code (DTC)2 Figure 7 Diagnostic Trouble Code (DTC)3 Figure 8 Diagnostic Trouble Code (DTC)4 - 1 of 2 Figure 9 Diagnostic Trouble Code (DTC)4 - 2 of 2 Figure 10 Diagnostic Trouble Code (DTC)5 Figure 11 Diagnostic Trouble Code (DTC)6 - 1 of 2 Figure 12 Diagnostic Trouble Code (DTC)6 - 2 of 2 Figure 13 Diagnostic Trouble Code (DTC)7 Figure 14 Diagnostic Trouble Code (DTC)8 Figure 15 Diagnostic Trouble Code (DTC)9 Figure 16 Diagnostic Trouble Code (DTC)10 Figure 17 Diagnostic Trouble Code (DTC)11 Figure 18 Diagnostic Trouble Code (DTC)13 Figure 19 RWAL Brake System Voltage Chart
General Motors bulletins are intended for use by professional technicians, not a "do-it-yourselfer". They are written to inform those technicians of conditions that may occur on some vehicles, or to provide information that could assist in the proper service of a vehicle. Properly trained technicians have the equipment, tools, safety instructions and know-how to do a job properly and safely. If a condition is described, do not assume that the bulletin applies to your vehicle, or that your vehicle will have that condition. See a General Motors dealer servicing your brand of General Motors vehicle for information on whether your vehicle may benefit from the information.