GM Service Manual Online
For 1990-2009 cars only
Figure 1:

B+ Bus


Object Number: 1195796  Size: FS
Master Electrical Component List
ACCY/RUN/START, RUN, and START Bus Bars, and CRANK Fuse
Figure 2:

ACCY/RUN/START, RUN, and START Bus Bars, and CRANK Fuse


Object Number: 1195799  Size: FS
Master Electrical Component List
ACCY/RUN and RUN/START Bus Bars
B+Bus
B+Bus
Figure 3:

ACCY/RUN and RUN/START Bus Bars


Object Number: 1195801  Size: FS
Master Electrical Component List
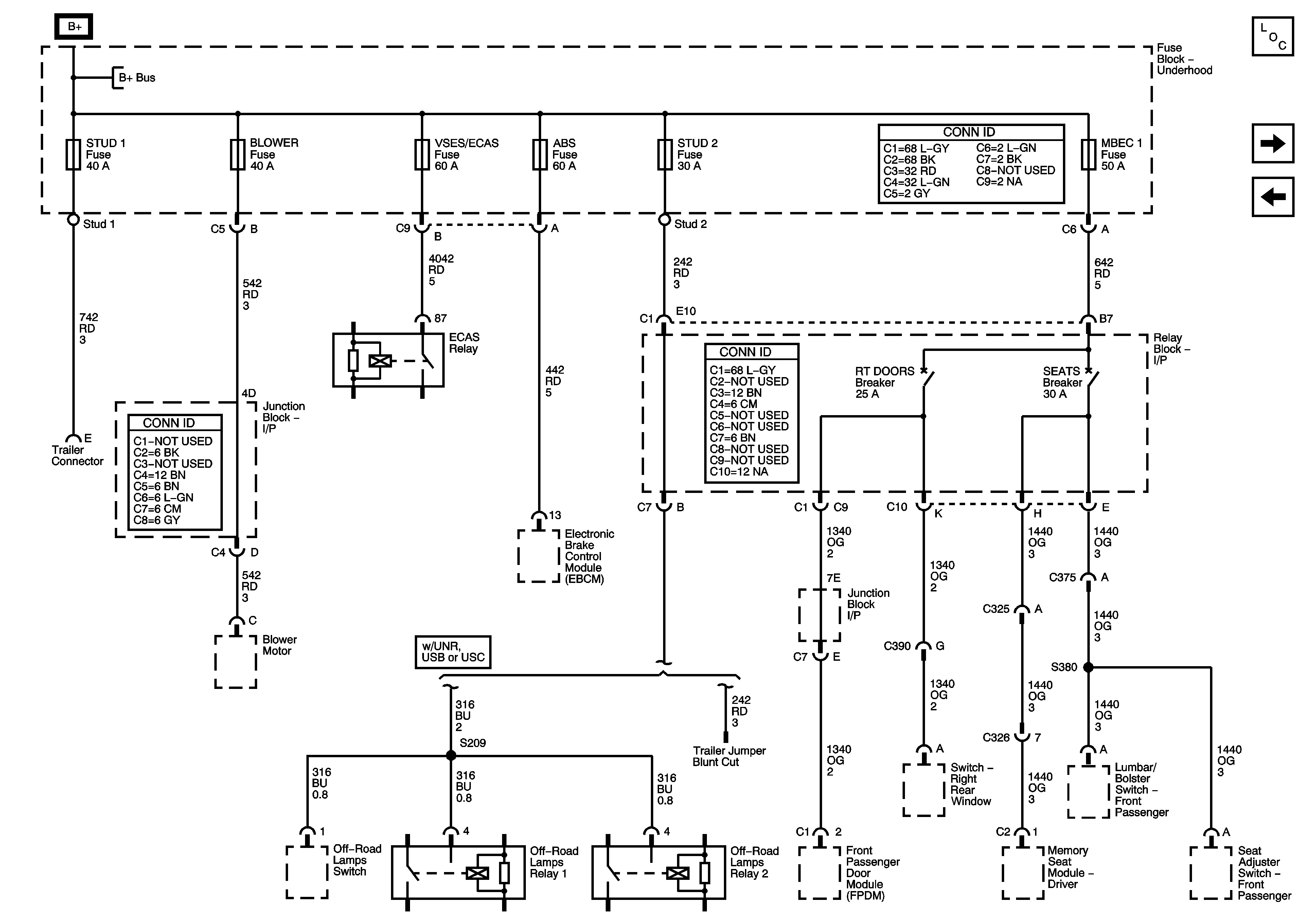
STUD 1, STUD 2, VSES/ECAS, BLOWER, ABS, MBEC 1 Fuses, RT DOORS and SEATS Circuit Breakers
ACCY/RUN/START, RUN, and START Bus Bars, and CRANK Fuse
B+Bus
Figure 4:

STUD 1, STUD 2, VSES/ECAS, BLOWER, ABS, and MBEC 1 Fuses, RT DOORS and SEATS Circuit Breakers


Object Number: 1195802  Size: FS
Master Electrical Component List
LBEC 1, LBEC 2, INFO, FPDM, AUX PWR, DDM, LOCKS, TBC 2A, 2B, and 2C, and LT DOORS Circuit Breaker
ACCY/RUN and RUN/START Bus Bars
B+Bus
Figure 5:

LBEC 1, LBEC 2, INFO, PDM, AUX PWR, DDM, LOCKS, TBC 2A, 2B, and 2C Fuses, and LT DOORS Circuit Breaker


Object Number: 1195805  Size: FS
Master Electrical Component List
FLASH, LT TRLR, RT TRLR, LT TURN, and RT TURN Fuses
STUD 1, STUD 2, VSES/ECAS, BLOWER, ABS, MBEC 1 Fuses, RT DOORS and SEATS Circuit Breakers
B+Bus
FLASH, LT TRLR, RT TRLR, LT TURN, and RT TURN Fuses
Figure 6:

FLASH, LT TRLR, RT TRLR, LT TURN, and RT TURN Fuses


Object Number: 1195809  Size: FS
Master Electrical Component List
RR DEFOG, RR WPR, 4WS, STOP LP, VEH STOP, and VEH CHMSL Fuses
LBEC 1, LBEC 2, INFO, FPDM, AUX PWR, DDM, LOCKS, TBC 2A, 2B, and 2C, and LT DOORS Circuit Breaker
LBEC 1, LBEC 2, INFO, FPDM, AUX PWR, DDM, LOCKS, TBC 2A, 2B, and 2C, and LT DOORS Circuit Breaker
Figure 7:

RR DEFOG, RR WPR, 4WS, STOP LP, VEH STOP, and VEH CHMSL Fuses


Object Number: 1195811  Size: FS
Master Electrical Component List
PCM B, TREC, IPC/DIC, TBC BATT, SEO B1, SEO B2, and HVAC/ECAS Fuses
FLASH, LT TRLR, RT TRLR, LT TURN, and RT TURN Fuses
B+Bus
Figure 8:

PCM B, TREC, IPC/DIC, TBC BATT, SEO B1, SEO B2, and HVAC/ECAS Fuses


Object Number: 1195813  Size: FS
Master Electrical Component List
CIG LTR, AUX PWR 1, SUNROOF, RADIO, RADIO AMP, and RR HVAC Fuses
RR DEFOG, RR WPR, 4WS, STOP LP, VEH STOP, and VEH CHMSL Fuses
B+Bus
Figure 9:

CIG LTR, AUX PWR 1, SUNROOF, RADIO, RADIO AMP, and RR HVAC Fuses


Object Number: 1195815  Size: FS
Master Electrical Component List
TRL PARK, LR PARK, RR PARK, and FRT PARK Fuses
PCM B, TREC, IPC/DIC, TBC BATT, SEO B1, SEO B2, and HVAC/ECAS Fuses
B+Bus
Figure 10:

TRL PARK, LR PARK, RR PARK, and FRT PARK Fuses


Object Number: 1195817  Size: FS
Master Electrical Component List
INT PARK Fuse
CIG LTR, AUX PWR 1, SUNROOF, RADIO, RADIO AMP, and RR HVAC Fuses
B+Bus
INT PARK Fuse
Figure 11:

INT PARK Fuse


Object Number: 1195818  Size: FS
Master Electrical Component List
HORN, LO HDLP LT, LO HDLP RT, HI HDLP RT, and HI HDLP LT Fuses
TRL PARK, LR PARK, RR PARK, and FRT PARK Fuses
TRL PARK, LR PARK, RR PARK, and FRT PARK Fuses
Figure 12:

HORN, LO HDLP LT, LO HDLP RT, HI HDLP RT, and HI HDLP LT Fuses


Object Number: 1195820  Size: FS
Master Electrical Component List
B/U LP, O2A, O2B, TBC IGN 1, TRL B/U, and BTSI Fuses
INT PARK Fuse
B+Bus
Figure 13:

B/U LP, O2A, O2B, TBC IGN1, TRL B/U, and BTSI Fuses


Object Number: 1195823  Size: FS
Master Electrical Component List
SEO IGN, SIR, and IGN E Fuses
HORN, LO HDLP LT, LO HDLP RT, HI HDLP RT, and HI HDLP LT Fuses
ACCY/RUN and RUN/START Bus Bars
Figure 14:

SEO IGN, SIR, and IGN E Fuses


Object Number: 1195826  Size: FS
Master Electrical Component List
ETC/ECM, PCM I, INJ 1, and INJ 2 Fuses
B/U LP, O2A, O2B, TBC IGN 1, TRL B/U, and BTSI Fuses
ACCY/RUN and RUN/START Bus Bars
SIR Caution for Zoning
SIR Caution for Zoning
Figure 15:

ECT/ECM, PCM 1, INJ 1, and INJ 2 Fuses


Object Number: 1195827  Size: FS
Master Electrical Component List
WS WPR, SEO ACCY, RR WPR, TBC ACCY, TBC IGN 0, and IGN 0 Fuses
SEO IGN, SIR, and IGN E Fuses
B+Bus
Figure 16:

WS WPR, SEO ACCY, RR WPR, TBC ACCY, TBC IGN 0, and IGN 0 Fuses


Object Number: 1195828  Size: FS
Master Electrical Component List
BRAKE, 4WD, CRUISE, HVAC 1, and IGN 3 Fuses
ETC/ECM, PCM I, INJ 1, and INJ 2 Fuses
Figure 17:

BRAKE, 4WD, CRUISE, HVAC 1, and IGN 3 Fuses


Object Number: 1195831  Size: FS
Master Electrical Component List
WS WPR, SEO ACCY, RR WPR, TBC ACCY, TBC IGN 0, and IGN 0 Fuses