GM Service Manual Online
For 1990-2009 cars only

Removal Procedure

Important: Make note of the routing in order to aid in reassembly.

  1. Raise and support the vehicle.

  2. Object Number: 796012  Size: SH
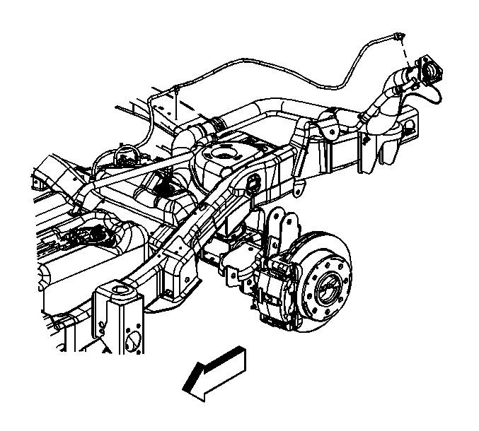
  3. Remove the vent hose (1) from the clip at the top of the rear axle (3).
  4. Remove the vent hose (1) from the vent tube (4).

  5. Object Number: 796011  Size: SH
  6. Remove the vent hose clip from the frame.

  7. Object Number: 796010  Size: SH
  8. Remove the vent hose clip (2) from the tab on the filler neck (1).
  9. Remove the vent hose from the vehicle.

Installation Procedure


    Object Number: 796010  Size: SH
  1. Install the vent hose to the vehicle.
  2. • Route the same way as when removed.
    • Ensure that the hose is free of kinks and is routed clear of sharp objects.
    • Ensure that the vent is not plugged.
  3. Install the vent hose clip (2) to the tab on the filler neck (1).

  4. Object Number: 796011  Size: SH
  5. Install the vent hose clip to the frame.

  6. Object Number: 796012  Size: SH
  7. Install the vent hose (1) to the vent tube (4).
  8. Install the vent hose (1) to the clip at the top of the rear axle (3).
  9. Remove the supports and lower the vehicle.