GM Service Manual Online
For 1990-2009 cars only
Makes
🢒
HUMMER
🢒
2004
🢒
H2
🢒
Driveline/Axle
🢒
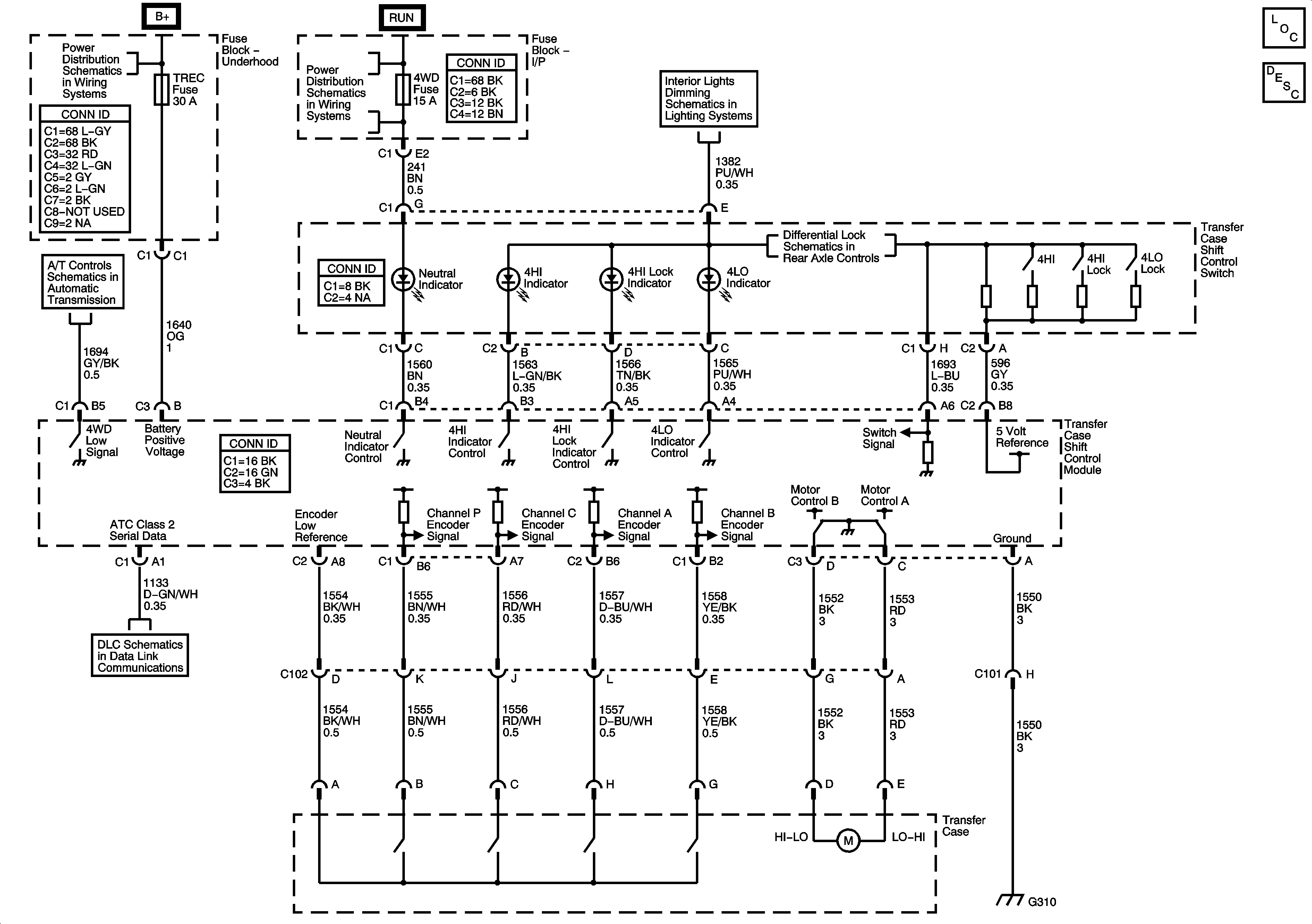
Transfer Case - BW 4484
🢒 Transfer Case Control Schematics
Master Electrical Component List
Transfer Case Description and Operation
B+Bus
Fluid Pressure Switch, TFT Sensor, PC Solenoid Valve, Transfer Case Control Module, and Vehicle Speed Sensor
BRAKE, 4WD, CRUISE, HVAC 1, and IGN 3 Fuses
Dimmer Controls, I/P Cluster Illumination, and Switch Indicators
Differential Lock Schematics
Power, Ground, DLC, and Splice Pack SP205