GM Service Manual Online
For 1990-2009 cars only
Makes
🢒
HUMMER
🢒
2004
🢒
H2
🢒
Accessories
🢒
Theft Deterrent
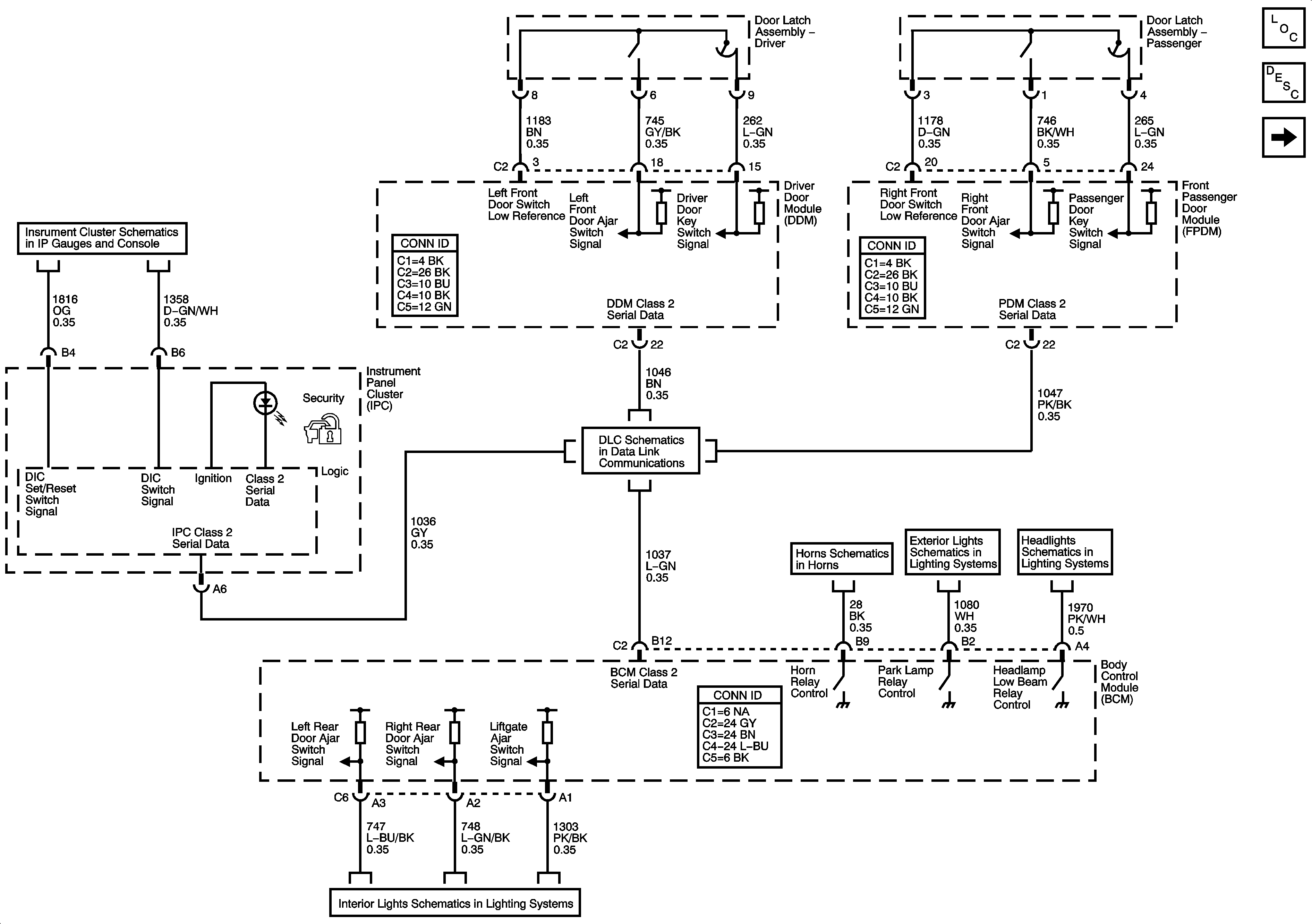
🢒 Theft Deterrent System Schematics
Figure
1:
Content Theft Deterrent
Master Electrical Component List
Content Theft Deterrent (CTD) Description and Operation
Vehicle Theft Deterrent
Displays and Personalization Controls
Power, Ground, DLC, and Splice Pack SP205
Headlamp Controls, Switches, and Ambient Light Sensor
Park Lamp Relay, Front Park and Marker Lamps
04 H2 Horns Schematics
Interior Lights Controls, BCM, Door Ajar Switches
Figure
2:
Vehicle Theft Deterrent
Master Electrical Component List
Vehicle Theft Deterrent (VTD) Description and Operation
Content Theft Deterrent
Power, Ground, DLC, and Splice Pack SP205
Fuel Injector Controls