GM Service Manual Online
For 1990-2009 cars only

Caution: Refer to Brake Fluid Irritant Caution in the Preface section.

Notice: Refer to Brake Fluid Effects on Paint and Electrical Components Notice in the Preface section.

Removal Procedure

Caution: For safety reasons, the Brake Pressure Modulator Valve (BPMV) must not be repaired; the complete unit must be replaced. With the exception of the EBCM/EBTCM, no screws may be loosened. If screws are loosened, it will not be possible to get the brake circuits leak-tight and personal injury may result.

  1. Turn the ignition switch to the OFF position.
  2. Raise the vehicle. Refer to Lifting and Jacking the Vehicle in General Information.
  3. Disconnect the EBCM harness connector.

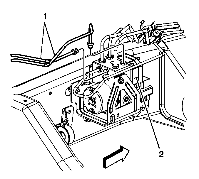
  4. Object Number: 793191  Size: SH

    Important: Note the locations of the brake pipes in order to aid in installation.

  5. Disconnect the right front brake pipe (1) from the BPMV (2).

  6. Object Number: 793189  Size: SH
  7. Disconnect the rear brake pipes (1) from the BPMV (2).

  8. Object Number: 794441  Size: SH
  9. Disconnect the left front and the master cylinder brake pipes (1) from the BPMV (2).
  10. Remove the 2 nuts that connect the BPMV to the BPMV bracket.
  11. Remove the BPMV (2) and EBCM as an assembly from the vehicle.
  12. Remove EBCM if replacing the BPMV only. Refer to Electronic Brake Control Module Replacement .

Installation Procedure


    Object Number: 794441  Size: SH
  1. Install EBCM if replacing the BPMV only. Refer to Electronic Brake Control Module Replacement .
  2. Install BPMV (2) and EBCM as an assembly into the BPMV bracket. Align the flats of the studs on the BPMV with the BPMV bracket.
  3. Notice: Use the correct fastener in the correct location. Replacement fasteners must be the correct part number for that application. Fasteners requiring replacement or fasteners requiring the use of thread locking compound or sealant are identified in the service procedure. Do not use paints, lubricants, or corrosion inhibitors on fasteners or fastener joint surfaces unless specified. These coatings affect fastener torque and joint clamping force and may damage the fastener. Use the correct tightening sequence and specifications when installing fasteners in order to avoid damage to parts and systems.

  4. Install the 2 BPMV to BPMV bracket nuts.
  5. Tighten
    Tighten the 2 BPMV to BPMV bracket nuts to 12 N·m (8 lb ft).

    Caution: Make sure brake pipes are correctly connected to brake pressure modulator valve. If brake pipes are switched by mistake, wheel lockup will occur and personal injury may result. The only two ways this condition can be detected are by using a Scan Tool or by doing an Antilock stop.

    Important: If a new BPMV is being installed, remove the shipping plugs from the valve openings in the compartment during the next step.

    Important: Use the locations noted during removal.

  6. Connect the left front and the master cylinder brake pipes (1) to the BPMV (2).

  7. Object Number: 793189  Size: SH
  8. Connect the rear brake pipes (1) to the BPMV (2).

  9. Object Number: 793191  Size: SH
  10. Connect the right front brake pipe (1) to the BPMV (2).
  11. Tighten
    Tighten all of the brake pipe fittings to 15 N·m (11 lb ft).

  12. Connect the EBCM harness connector.
  13. Lower the vehicle.
  14. Fill and bleed the brake hydraulic system. Refer to Hydraulic Brake System Bleeding in Hydraulic Brakes.
  15. Turn the ignition switch to the RUN position, engine off.
  16. Perform the Diagnostic System Check - ABS .