GM Service Manual Online
For 1990-2009 cars only

Removal Procedure


    Object Number: 826796  Size: SH
  1. Remove the I/P insulator panel. Refer to Instrument Panel Insulator Replacement .
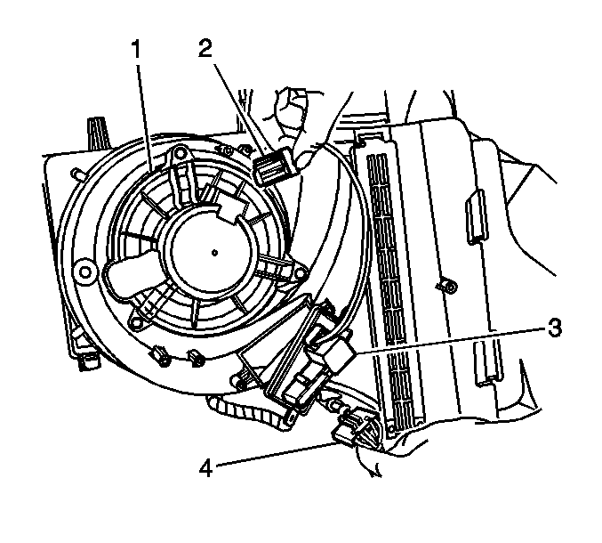
  2. Disconnect the electrical connector (2) from the blower motor (1).
  3. Disconnect the electrical connector (4) from the blower motor control processor (3).
  4. Remove the screws from the blower motor control processor (3).
  5. Remove the blower motor control processor (3) from the HVAC module assembly.

Installation Procedure


    Object Number: 826796  Size: SH
  1. Install the blower motor control processor (3) to the HVAC module assembly.
  2. Notice: Use the correct fastener in the correct location. Replacement fasteners must be the correct part number for that application. Fasteners requiring replacement or fasteners requiring the use of thread locking compound or sealant are identified in the service procedure. Do not use paints, lubricants, or corrosion inhibitors on fasteners or fastener joint surfaces unless specified. These coatings affect fastener torque and joint clamping force and may damage the fastener. Use the correct tightening sequence and specifications when installing fasteners in order to avoid damage to parts and systems.

  3. Install the screws to the blower motor control processor (3).
  4. Tighten
    Tighten the screws to 1.6 N·m (14 lb in).

  5. Connect the electrical connector (4) to the blower motor control processor (3).
  6. Connect the electrical connector (2) to the blower motor (1).
  7. Install the I/P insulator panel. Refer to Instrument Panel Insulator Replacement .