GM Service Manual Online
For 1990-2009 cars only

Removal Procedure

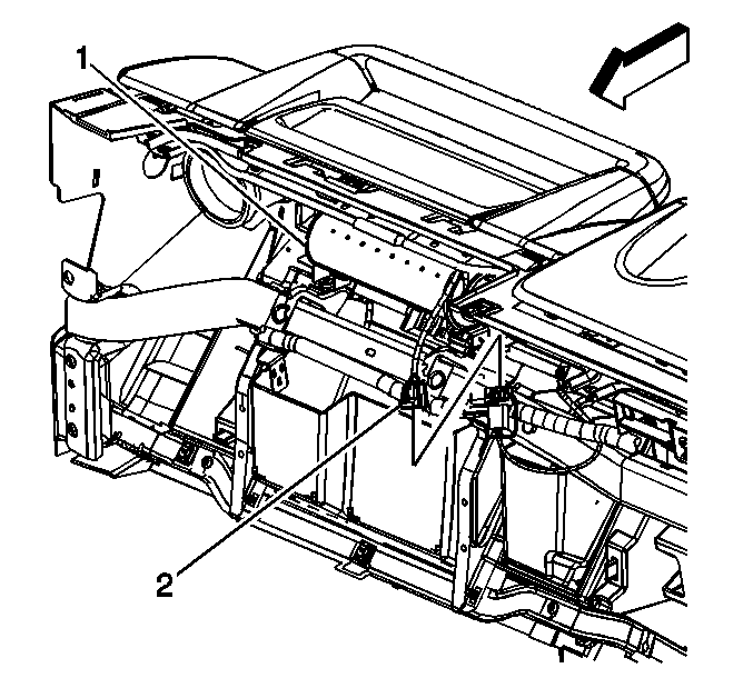
  1. Remove trim panel replacement--I/P accessory right-- from the I/P substraight (1). Refer to Instrument Panel Accessory Trim Plate Replacement - Right Side in Instrument Panel, Gages and Console.
  2. Caution: Refer to SIR Caution in the Preface section.

    Caution: Refer to SIR Inflator Module Handling and Storage Caution in the Preface section.

  3. Disable the SIR system (2). Refer to SIR Disabling and Enabling .

  4. Object Number: 832804  Size: SH
  5. Remove the connector from the I/P .

  6. Object Number: 815844  Size: SH
  7. Remove the inflatable restraint I/P module retaining bolts.
  8. Ensure that you keep a firm hold on the I/P module.

Installation Procedure


    Object Number: 832804  Size: SH
  1. Install the inflatable restraint I/P module (1) to the mounting bracket through the front of the instrument panel .
  2. Notice: Refer to Fastener Notice in the Preface section.

  3. Install the fasteners (2) to the inflatable restraint I/P module .
  4. Tighten
    Tighten the fasteners to 10 N·m (89 lb in).

  5. Enable the SIR system. Refer to SIR Disabling and Enabling .
  6. Install the yellow connector to the I/P.
  7. Install the trim panel to the substraight. Refer to Instrument Panel Accessory Trim Plate Replacement - Right Side in Instrument Panel, Gages and Console.