GM Service Manual Online
For 1990-2009 cars only
Makes
🢒
HUMMER
🢒
2004
🢒
H2
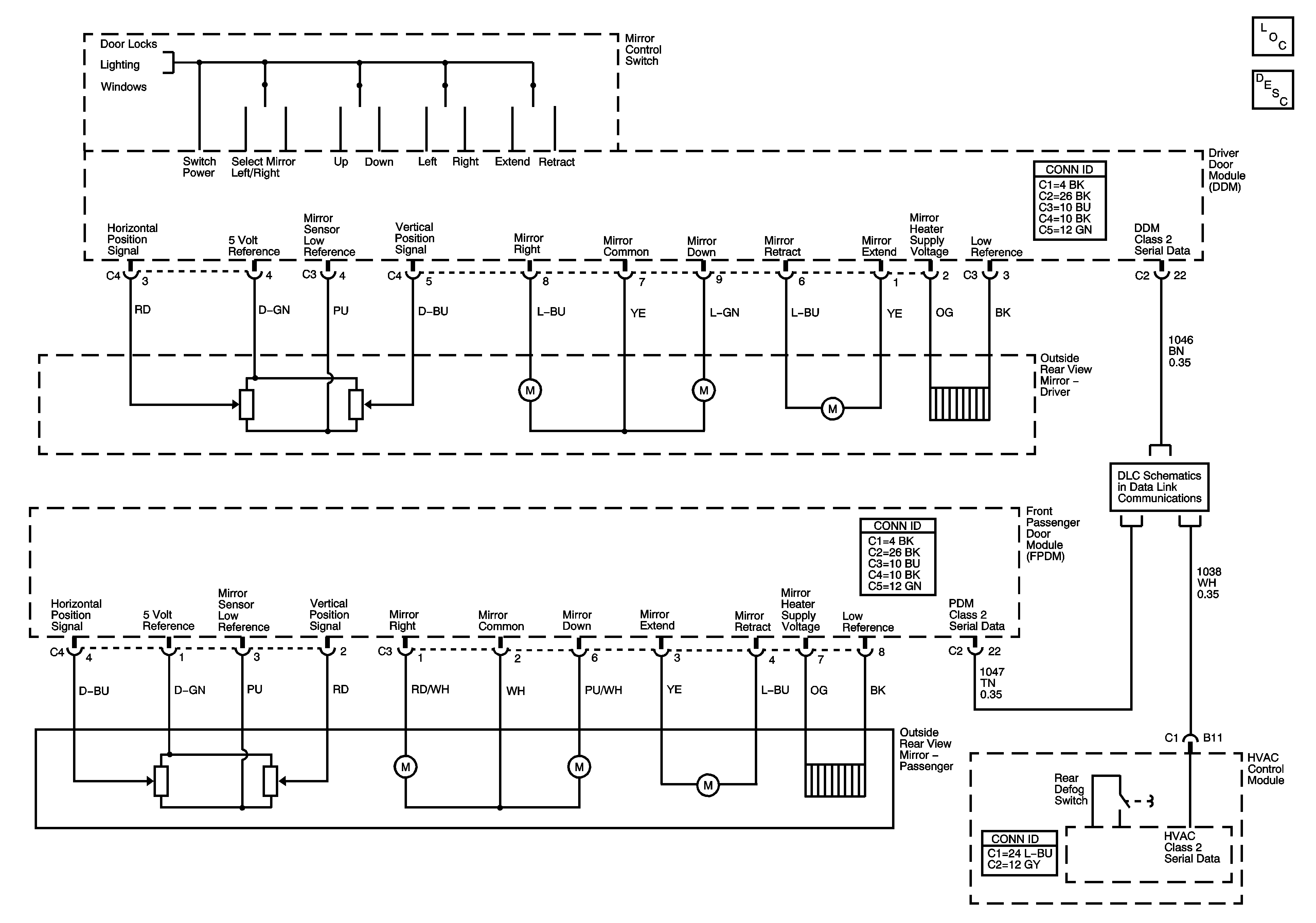
🢒 Outside Mirror Schematics
Outside Mirror Schematics
Master Electrical Component List
Outside Mirror Description and Operation Power Mirrors
Door Lock/Indicator Schematics
Driver Window, Door, and Seat Switches
Front Door Windows
Power, Ground, DLC, and Splice Pack SP205