GM Service Manual Online
For 1990-2009 cars only

Removal Procedure


    Object Number: 801110  Size: SH
  1. Drain the cooling system. Refer to Cooling System Draining and Filling.
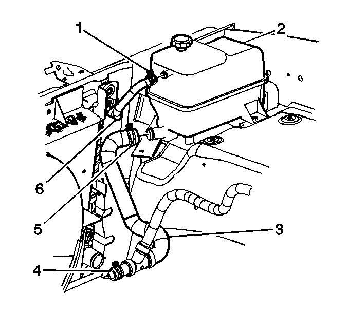
  2. Reposition the surge tank inlet hose clamp (1) from the surge tank (2).
  3. Remove the surge tank inlet hose (6) from the surge tank (2).
  4. Reposition the surge tank outlet hose clamp (5) from the surge tank (2).
  5. Remove the surge tank outlet hose (3) from the surge tank (2).

  6. Object Number: 801109  Size: SH
  7. Remove the bolt (1) from the surge tank (4).
  8. Remove the nut (3) from the surge tank (4).
  9. If equipped disconnect the electrical connector from the low coolant level switch.
  10. Remove the surge tank (4) from the vehicle (5).

Installation Procedure


    Object Number: 801109  Size: SH
  1. Install the surge tank (4) to the vehicle (5).
  2. If equipped connect the electrical connector to the low coolant level switch.
  3. Caution: Refer to Fastener Caution in the Preface section.

  4. Install the bolt (1) to the surge tank (4).
  5. Tighten
    Tighten the bolt to 9 N·m (80 lb in).

  6. Install the nut (3) to the surge tank (4).
  7. Tighten
    Tighten the nut to 9 N·m (80 lb in).


    Object Number: 801110  Size: SH
  8. Install the surge tank outlet hose (3) to the surge tank (2).
  9. Position the surge tank outlet hose clamp (5) to the surge tank (2).
  10. Install the surge tank inlet hose (6) to the surge tank (2).
  11. Position the surge tank inlet hose clamp (1) to the surge tank (2).
  12. Fill the cooling system. Refer to Cooling System Draining and Filling.