GM Service Manual Online
For 1990-2009 cars only
Figure 1:

Battery Supply


Object Number: 2097214  Size: FS
Figure 2:

B+ Bus 1 of 5


Object Number: 2097215  Size: FS
Figure 3:

B+ Bus 2 of 5


Object Number: 2097216  Size: FS
Figure 4:

B+ Bus 3 of 5


Object Number: 2097217  Size: FS
Figure 5:

B+ Bus 4 of 5


Object Number: 2097218  Size: FS
Figure 6:

B+ Bus 5 of 5


Object Number: 2097219  Size: FS
Figure 7:

LBEC, BCM, DIM, RT STOP TURN, CTSY, REAR HVAC, DSM, DDM Fuses


Object Number: 2097220  Size: FS
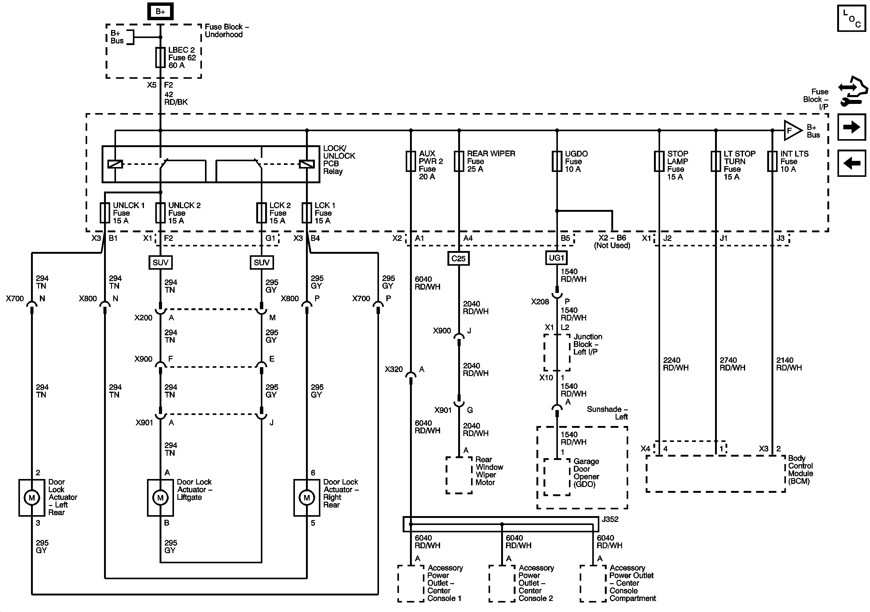
Figure 8:

LBEC 2, AUX PWR 2, REAR WIPER, UGDO, STOP LAMP, LT STOP TURN, INT LTS Fuses and LOCK/UNLOCK PCB Relay


Object Number: 2097221  Size: FS
Figure 9:

PDM, INFO, ONSTAR, REAR SEAT, AUX PWR Fuses and LT DR Circuit Breaker


Object Number: 2097222  Size: FS
Figure 10:

MBEC 1 Fuse and P SEAT 1, RT DOORS, D SEAT 2 and MGATE Circuit Breakers


Object Number: 2097223  Size: FS
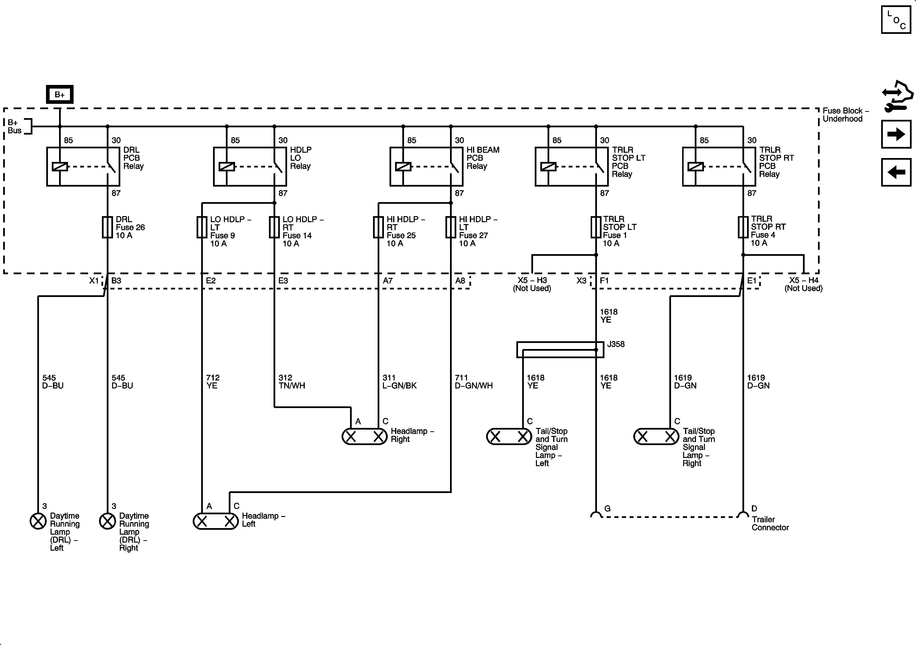
Figure 11:

DRL, LO HDLP-LT, LO HDLP-RT, HI HDLP-RT, HI HDLP-LT, TRLR STOP LT and TRLR STOP RT Fuses


Object Number: 2097224  Size: FS
Figure 12:

PRK LAMP Relay, LT PARK and TRLR PARK Fuses


Object Number: 2097225  Size: FS
Figure 13:

RT PARK Fuse


Object Number: 2097226  Size: FS
Figure 14:

VEH BCK/UP, HORN and REAR DEFOG Fuses


Object Number: 2097227  Size: FS
Figure 15:

DLIS Fuse and RUN/ACCY Relay


Object Number: 2097228  Size: FS
Figure 16:

O2-A, O2-B, INJ-A, INJ-B Fuses and PWR/TRN Relay


Object Number: 2097229  Size: FS
Figure 17:

ECM/THROT CNTRL, ENG A/C CMPRSR, FRT WSW and REAR WSW Fuses


Object Number: 2097230  Size: FS
Figure 18:

FRT WSW, REAR WSW, STRTR, MISC IGN and SEO Fuses


Object Number: 2097231  Size: FS
Figure 19:

TRANS IGN 1, ECM-IGN, AIRBAG IGN, AUX HVAC-IGN and HVAC-IGN Fuses


Object Number: 2097232  Size: FS