GM Service Manual Online
For 1990-2009 cars only
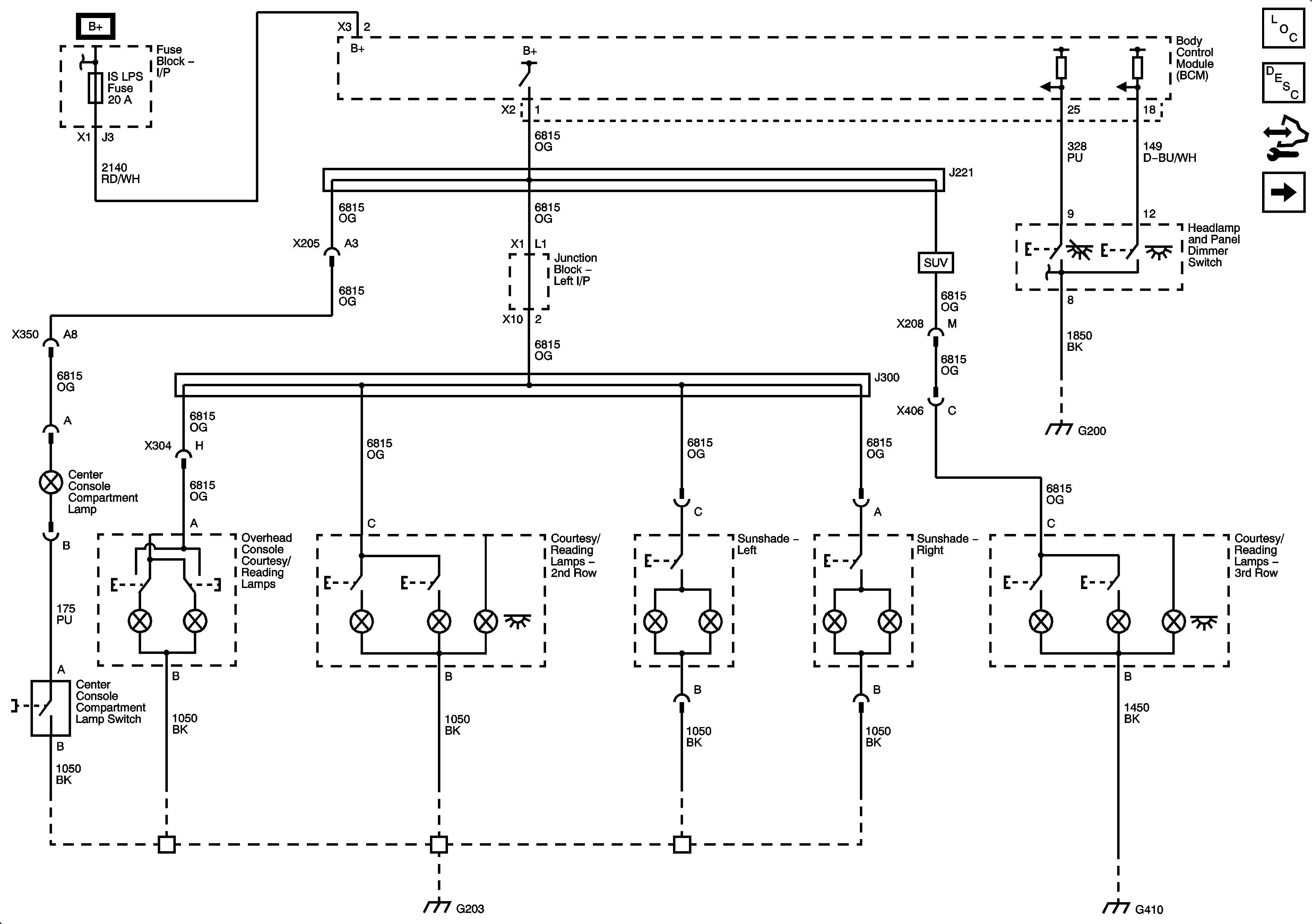
Figure 1:

Inadvertent Lamp Control


Object Number: 2097139  Size: FS
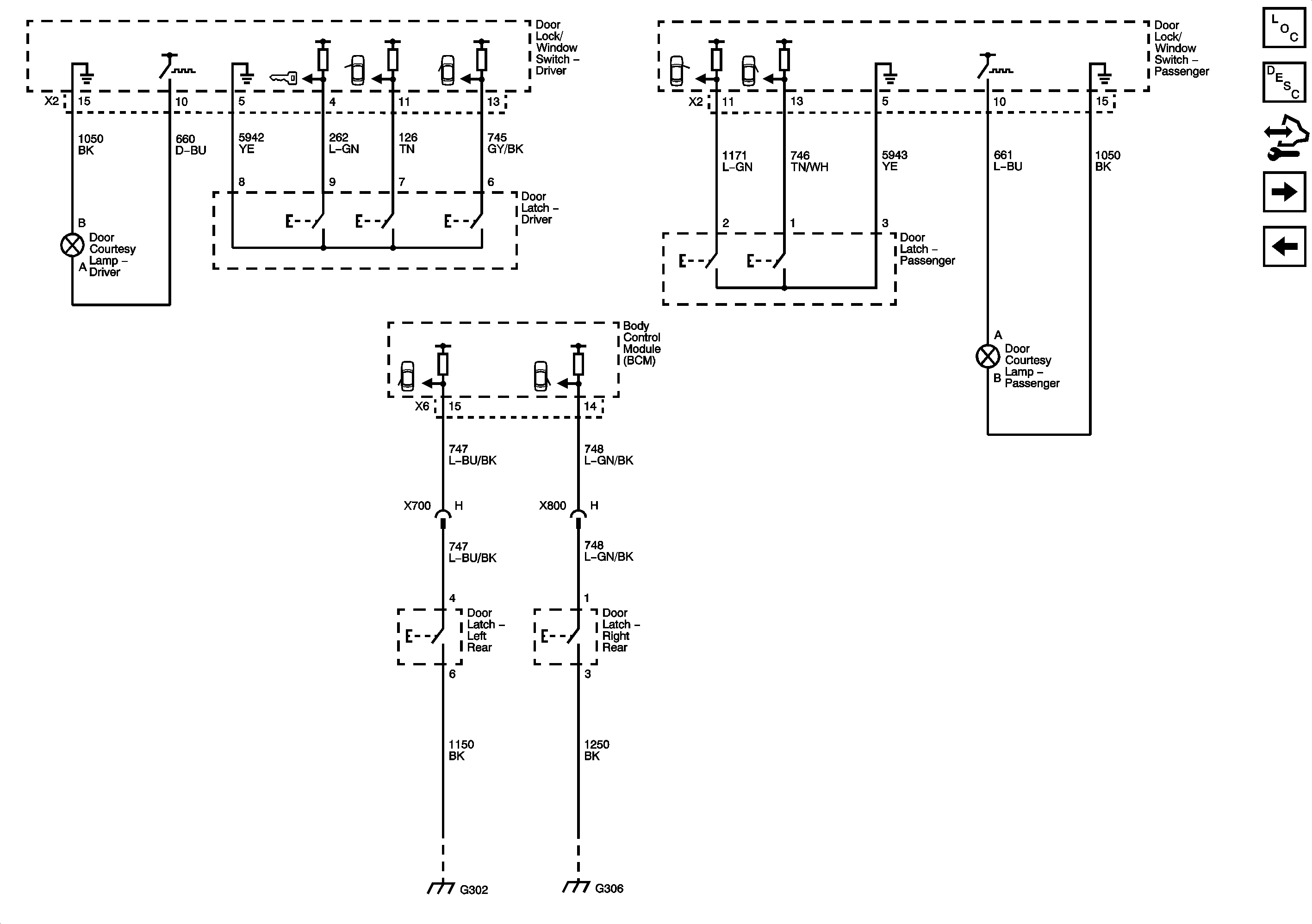
Figure 2:

Courtesy Lamp Control


Object Number: 2097140  Size: FS
Figure 3:

Door Jamb Switches


Object Number: 2097141  Size: FS