GM Service Manual Online
For 1990-2009 cars only

Removal Procedure

  1. Disable the park brake cable automatic adjuster. Refer to Parking Brake Cable Adjuster Disabling .
  2. Raise and support the vehicle. Refer to Lifting and Jacking the Vehicle .

  3. Object Number: 913335  Size: SH
  4. Disconnect the right rear cable from the equalizer.

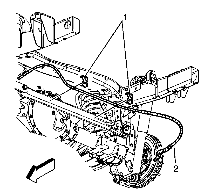
  5. Object Number: 793182  Size: SH
  6. Remove the right rear cable (1) from the cable support (2).

  7. Object Number: 793129  Size: SH
  8. Remove the track bar clips (1) from the track bar.

  9. Object Number: 793127  Size: SH
  10. Remove the cable (3) from the backing plate (1) by compressing the spring to access and depress the locking tabs, pull the cable out of the backing plate, and routing the cable through the slot in the backing plate.
  11. Remove the cable (3) from the lever (2).

  12. Object Number: 793186  Size: SH
  13. Remove the right rear cable (3) from the cable guide (2).
  14. Remove the cable from the vehicle.

Installation Procedure


    Object Number: 793186  Size: SH
  1. Install the right rear cable taking care to correctly route the cable (3) through the cable guide (2).

  2. Object Number: 793127  Size: SH
  3. Install the cable (3) to the lever (2).
  4. install the cable (3) to the backing plate (1) by compressing the spring, routing the cable through the slot in the backing plate and pressing the cable into the backing plate until the locking tabs snap into place.

  5. Object Number: 793129  Size: SH
  6. Position the right rear cable (2) and the clips (1) on the track bar.

  7. Object Number: 555749  Size: SH
  8. Install the track bar clips to the locating tabs on the track bar.

  9. Object Number: 793182  Size: SH
  10. Install the right rear cable (1) to the cable support (2).

  11. Object Number: 913335  Size: SH
  12. Install the right rear cable to the equalizer.
  13. Remove the safety stands.
  14. Lower the vehicle.
  15. Enable the park brake cable automatic adjuster. Refer to Parking Brake Cable Adjuster Enabling .