GM Service Manual Online
For 1990-2009 cars only
Figure 1:

B+ Bus - 1 of 2


Object Number: 2080021  Size: FS
Figure 2:

B+ Bus - 2 of 2


Object Number: 2080025  Size: FS
Figure 3:

ABS/VSES1 - MTR, ABS/VSES2 - SOL, AUX PWR 1, AUX PWR 2, CLSTR, CNSTR VENT, PCM-B, RDO, STOP, and TCCM Fuses


Object Number: 2080026  Size: FS
Figure 4:

BCM, FRT TRN/HAZRD/CTSY MIR, HTD/SEATS, PWR/LKS, PWR/LKS, PWR SEATS, REAR TRN/HAZRD, and SDARs Fuses


Object Number: 2080031  Size: FS
Figure 5:

AIR CMPRSR, AIR PUMP, AMP, E-BRAKE, GRILLE GUARD, MEGAFUSE, PWR S/ROOF, ROOF LP, RVC PWR, RVC VSENSE+, and TRLR B+ Fuses


Object Number: 2080035  Size: FS
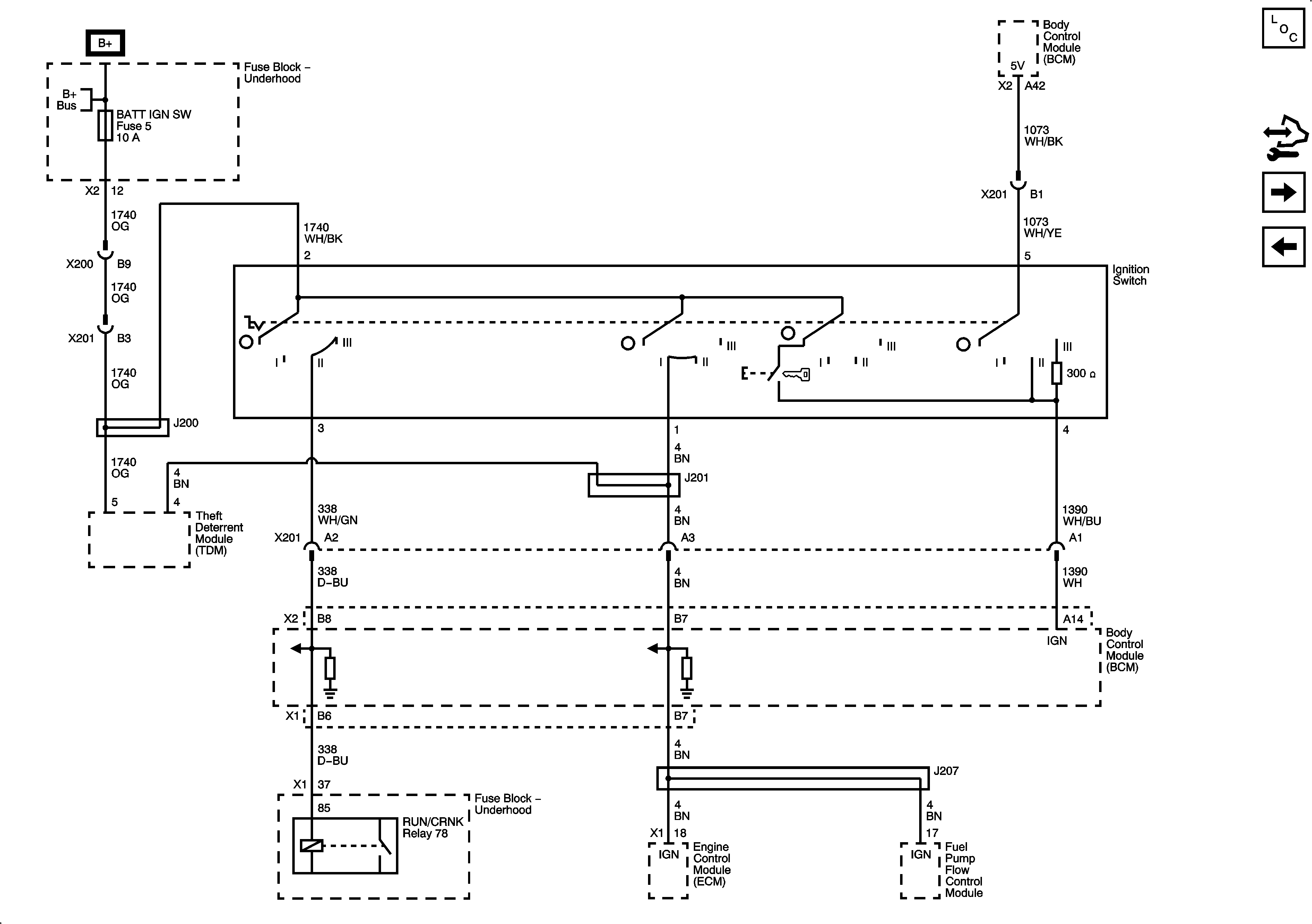
Figure 6:

Ignition Switch and BATT IGN SWTCH Fuse


Object Number: 2080041  Size: FS
Figure 7:

RUN/CRNK Relay Bus - 1 of 3, AIRBAG, CRUISE/MISC, and TRANS Fuses


Object Number: 2080045  Size: FS
Figure 8:

RUN/CRNK Relay Bus - 2 of 3, A/C Clutch, ABS/VSES, BCK/UP and IGN 1 Fuses


Object Number: 2080048  Size: FS
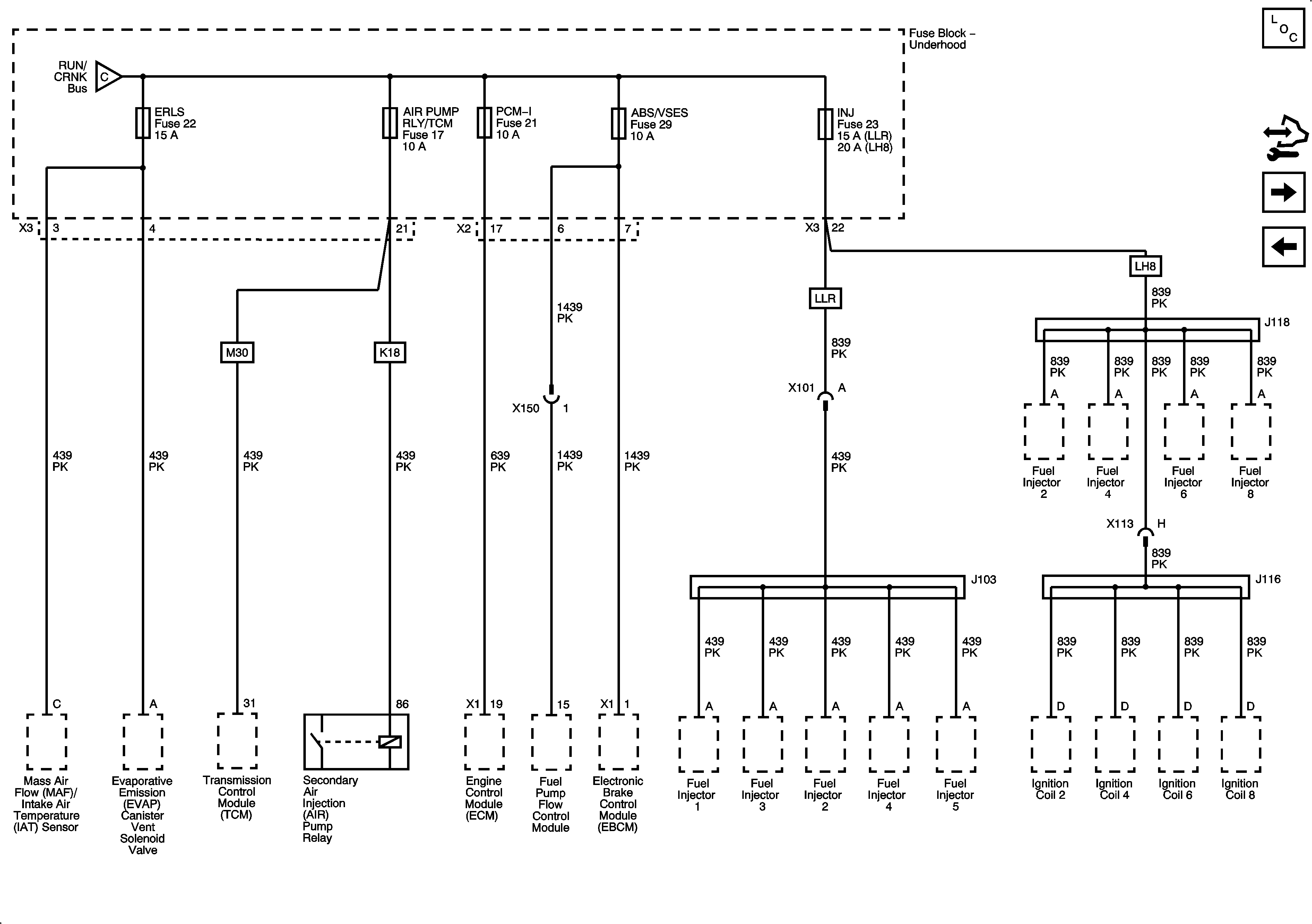
Figure 9:

RUN/CRNK Relay Bus - 3 of 3, AIR PUMP RLY, ENG CNTRL SYS, INJ, and PCM-I Fuses


Object Number: 2080050  Size: FS
Figure 10:

ETC, HDLMP LEVELING, LT PWR WNDW, O2 SNSR, REAR/WPR MTR, REAR WPR SWTCH/PUMP, RT PWR WNDW, SPO, and S/ROOF FRT/WPR Fuses


Object Number: 2080052  Size: FS
Figure 11:

DRL, ETC, FUEL PUMP, LH HDLP, RH HDLP, and O2 SNSR Fuses


Object Number: 2080055  Size: FS
Figure 12:

FRT/PRK, LR PRK, RR PRK, and TRLR Fuses


Object Number: 2080059  Size: FS
Figure 13:

HVAC BLWR, HVAC CNTRL HD, PWR HTR SWTCH, TCCM SWTCH, and VSES/ABS Fuses


Object Number: 2080078  Size: FS
Figure 14:

FOG/LP, FRT/WPR, HORN, R/WDO DEFG, and STRTR Fuses


Object Number: 2080082  Size: FS