GM Service Manual Online
For 1990-2009 cars only

Engine Controls Schematics Hatchback

Figure 1:

Power, Ground, MIL, and Serial Data


Object Number: 1679917  Size: FS
Master Electrical Component List Hatchback
Data Sensors
Battery Feed
Battery Feed
Battery Feed
Battery Feed
Battery Feed
Battery Feed
Power and Grounds
Data Communications
Figure 2:

Engine Data Sensors - Pressure and Temperature


Object Number: 1679920  Size: FS
Master Electrical Component List Hatchback
Ignition Sensors
Power, Ground and MIL
Manual Transmission
Figure 3:

Ignition Controls - Sensors


Object Number: 1679922  Size: FS
Master Electrical Component List Hatchback
Ignition Systems
Data Sensors
Battery Feed
Battery Feed
Battery Feed
ABS Power, Ground and Inputs
Figure 4:

Ignition Controls - Ignition System


Object Number: 1679927  Size: FS
Master Electrical Component List Hatchback
Throttle Control
Ignition Sensors
Instrument Cluster Gages 1.2L
Battery Feed
Battery Feed
Battery Feed
Figure 5:

Engine Data Sensors - Electronic Throttle Controls


Object Number: 1679929  Size: FS
Master Electrical Component List Hatchback
Oxygen Sensors
Ignition Systems
Figure 6:

Engine Data Sensors - Oxygen Sensors


Object Number: 1679931  Size: FS
Master Electrical Component List Hatchback
Fuel System
Throttle Control
Battery Feed
Battery Feed
Battery Feed
Power, Ground and MIL
Manual - Blower Controls
Battery Feed
Figure 7:

Fuel Controls


Object Number: 1679934  Size: FS
Master Electrical Component List Hatchback
EVAP and Octane Selector
Oxygen Sensors
Battery Feed
Battery Feed
Battery Feed
Battery Feed
Battery Feed
Battery Feed
Instrument Cluster Gages 1.2L
Ground Distribution G401
Ignition Switch and Fuses EF5, F1, 2, 3, 4, 5, 8, and 11
Figure 8:

EVAP and Octane Selector


Object Number: 1679940  Size: FS
Master Electrical Component List Hatchback
Subsystem References
Fuel System
Battery Feed
Battery Feed
Battery Feed
Ground Distrbution G103 - 1.2L
Figure 9:

Controlled/Monitored Subsystem References


Object Number: 1456587  Size: FS
Master Electrical Component List Hatchback
EVAP and Octane Selector
Instrument Cluster Gages 1.2L
Power, Ground and MIL
Manual - Blower Controls

Engine Controls Schematics Notchback

Figure 1:

Power, Ground, MIL, and Serial Data


Object Number: 1757014  Size: FS
Master Electrical Component List Notchback
Engine Control Module Description
Control Module References
IAT, MAP, A/C Refrigerant Pressure, Evaporator Temperature Sensors, Octane Selection Switch
SDM, EMS 1, EMS 2 Fuses
SDM, EMS 1, EMS 2 Fuses
ABS, HAZARD, ECU, FUEL PUMP Fuses
Charge, Brake, MIL, Seat Belt, Air Bag, Oil Pressure, HOLD, ABS, Door Open Indicators
G104
Transmission Control Module (TCM) Power and Ground Distribution, Serial Data and Shift Program Switch
Data Communication Schematics
Figure 2:

Engine Data Sensors - Pressure and Temperature, Octane Selection Switch


Object Number: 1757465  Size: FS
Master Electrical Component List Notchback
Control Module References
Ignition Coils
Engine Control Module (ECM) Power, Ground, MIL Control
Manual Transaxle Schematics
G104
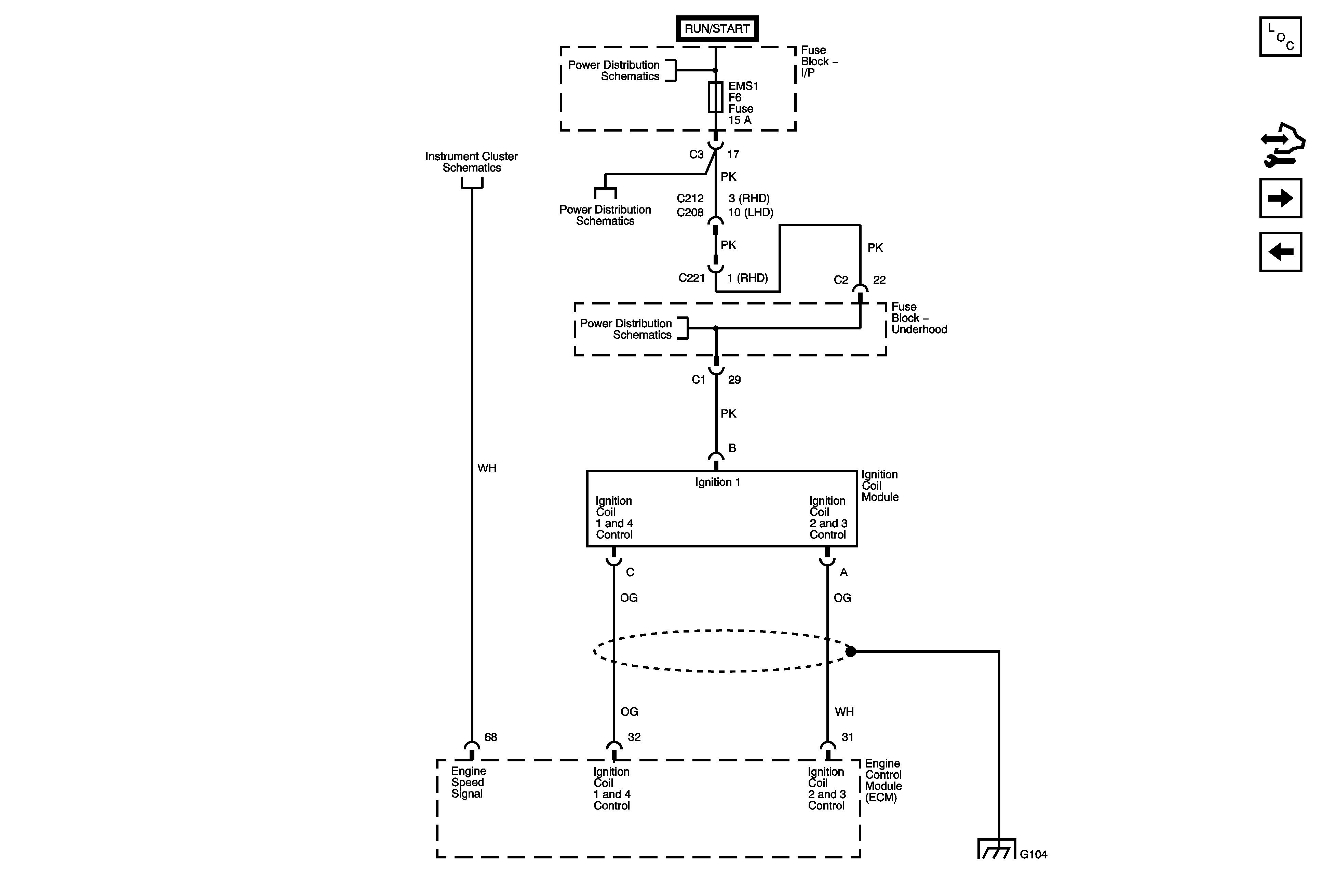
Figure 3:

Ignition Controls - Ignition System


Object Number: 1757015  Size: FS
Master Electrical Component List Notchback
Control Module References
Heated Oxygen Sensors
IAT, MAP, A/C Refrigerant Pressure, Evaporator Temperature Sensors, Octane Selection Switch
SDM, EMS 1, EMS 2 Fuses
Instrument Cluster Power and Ground, Ambient Temperature, Engine Temperature, Fuel, Speed Gages
ABS, HAZARD, ECU, FUEL PUMP Fuses
ABS, HAZARD, ECU, FUEL PUMP Fuses
G104
Figure 4:

Engine Data Sensors - Oxygen Sensors


Object Number: 1757016  Size: FS
Master Electrical Component List Notchback
Control Module References
EVAP Canister Purge Solenoid, CMP, CKP, Knock, Rough Road Sensors
Ignition Coils
SDM, EMS 1, EMS 2 Fuses
Figure 5:

Ignition Controls Sensors, EVAP Controls, Rough Road Sensor


Object Number: 1757468  Size: FS
Master Electrical Component List Notchback
Control Module References
Fuel Pump and Injectors
Heated Oxygen Sensors
MAIN, FAN, A/C RELAYS, EMS1, EMS2 Fuses - SIRIUS D42, MT34
Electronic Brake Control Module (EBCM) Power and Ground Distribution, Serial Data, Lamp Driver Module and Stop Lamp Switch
Figure 6:

Fuel Pump Controls and Injectors


Object Number: 1757017  Size: FS
Master Electrical Component List Notchback
Control Module References
EGR Valve, ECT Sensor, Main Throttle Intake Actuator
EVAP Canister Purge Solenoid, CMP, CKP, Knock, Rough Road Sensors
SDM, EMS 1, EMS 2 Fuses
SDM, EMS 1, EMS 2 Fuses
MAIN, FAN, A/C RELAYS, EMS1, EMS2 Fuses - SIRIUS D42, MT34
ABS, HAZARD, ECU, FUEL PUMP Fuses
ABS, HAZARD, ECU, FUEL PUMP Fuses
Instrument Cluster Power and Ground, Ambient Temperature, Engine Temperature, Fuel, Speed Gages
G401, G402
Figure 7:

Device Controls and ECT


Object Number: 1757466  Size: FS
Master Electrical Component List Notchback
Control Module References
Controlled/Monitored Subsystem References
Fuel Pump and Injectors
MAIN, FAN, A/C RELAYS, EMS1, EMS2 Fuses - SIRIUS D42, MT34
Figure 8:

Controlled/Monitored Subsystem References


Object Number: 1456587  Size: FS